EasyManua.ls Logo

Schwing Rock Valve - Page 45

Default Icon
164 pages
Print Icon
To Next Page IconTo Next Page
To Next Page IconTo Next Page
To Previous Page IconTo Previous Page
To Previous Page IconTo Previous Page
Loading...
Overview
All SP Rock Valve Models
Startup 250:Users:Danny:Desktop:Operation
manuals:line pumps:All SP Rock Valve models:Frame
Operation Manual -
43
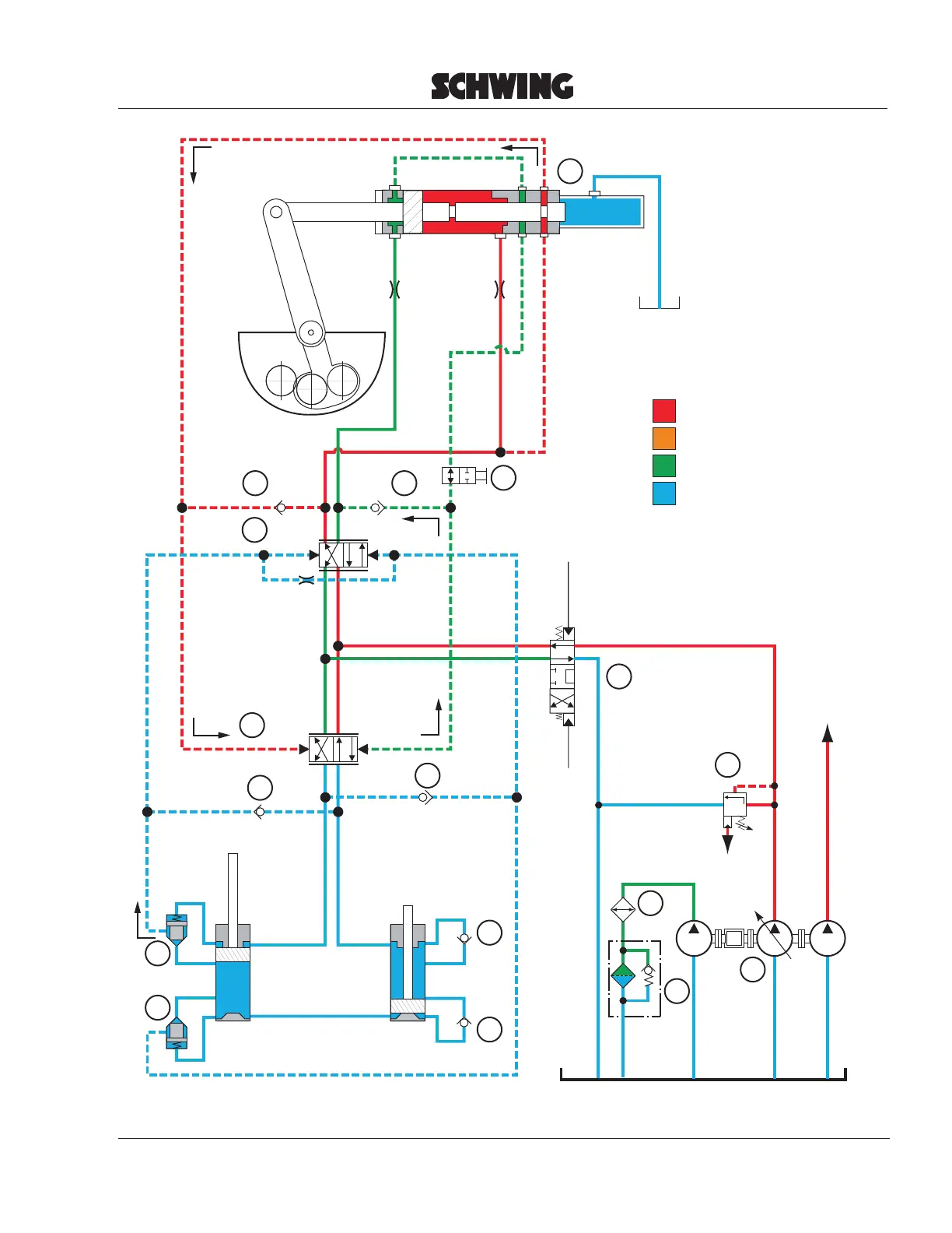
KEY
High Pressure
Rocking Oil
Low Pressure
Zero Pressure
(Tank, or oil at rest)
S3
1.5 mm
hole drilled
through spool
S2
S1
To Fwd/Rev
Handvalve
4
5
12 13
14
15
16
17
18
6
2
3
D
To Agitator
7
8
10
20
1
12.5 mm 12.5 mm
Home
TOCTOC
PrintPrint

Table of Contents

Related product manuals