EasyManua.ls Logo

Scotsman AC 105 - Operating Instructions; Start up

Scotsman AC 105
30 pages
Print Icon
To Next Page IconTo Next Page
To Next Page IconTo Next Page
To Previous Page IconTo Previous Page
To Previous Page IconTo Previous Page
Loading...
START UP
After having correctly installed the ice maker and
completed the plumbing and electrical
connections, perform the following “Start-up”
procedure.
A. Give power to the unit to start it up by
switching “ON” the power line main disconnect
switch.
NOTE. Every time the unit returns under
power, after having been switched off, the
water inlet valve, the hot gas valve and the
water drain valve get energized for a period
of 5 minutes, thus to admit new water to the
machine sump reservoir to fill it up and,
eventually, to wash-off any dirt that can have
deposited in it during the unit off period
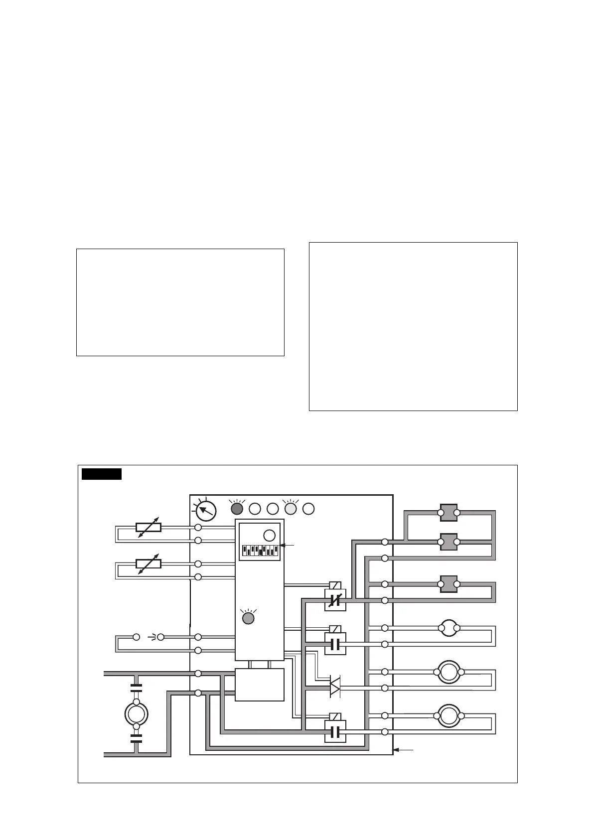
(Fig.1).
B. During the water filling operation, check to
see that the incoming water dribbles, through the
evaporator platen dribbler holes, down into the
OPERATING INSTRUCTIONS
Page 7
sump reservoir to fill it up and also that the
incoming surplus of water flows out through the
overflow pipe into the drain line.
During the water filling phase the components
energized are:
THE WATER INLET SOLENOID VALVE
THE HOT GAS SOLENOID VALVE
THE WATER DRAIN SOLENOID VALVE
NOTE. If in the 5 minutes lenght of the water
filling phase the machine sump reservoir
does not get filled with water up to the rim of
the overflow pipe, it is advisable to check:
1.The water pressure of the water supply line
that must be at least 1 bar (14 psig) Minimum
(Max 5 bar-70 psig).
2.The filtering device installed in the water
line that may reduce the water pressure
below the Minimum value of 1 bar (14 psig).
3. Any clogging situation in the water circuit
like the inlet water strainer and/or the flow
control.
16
15
14
13
2
1
7
8
9
10
3
4
5
6
11
12
Rx Tx
WATER IN VALVE
HOT GAS VALVE
CONTACTOR COIL
FAN MOTOR
WATER PUMP
- EVAPORATOR
- AMBIENT
- CONDENSER
TEMPERATURE SENSORSBINCOMPRESSOR
TRANSF.
DATA
PROCESSOR
ELECTR.
TIMER
DIP
SWITCH
ELECTRONIC CARD
L
N
RELAYS
RELAY
TRIAC
WATER DRAIN VALVE
FIG. 1

Related product manuals