EasyManua.ls Logo

Scotsman ACM 25 - Schema Elettrico

Scotsman ACM 25
36 pages
Print Icon
To Next Page IconTo Next Page
To Next Page IconTo Next Page
To Previous Page IconTo Previous Page
To Previous Page IconTo Previous Page
Loading...
Page 30
Page 30
Pagina 30
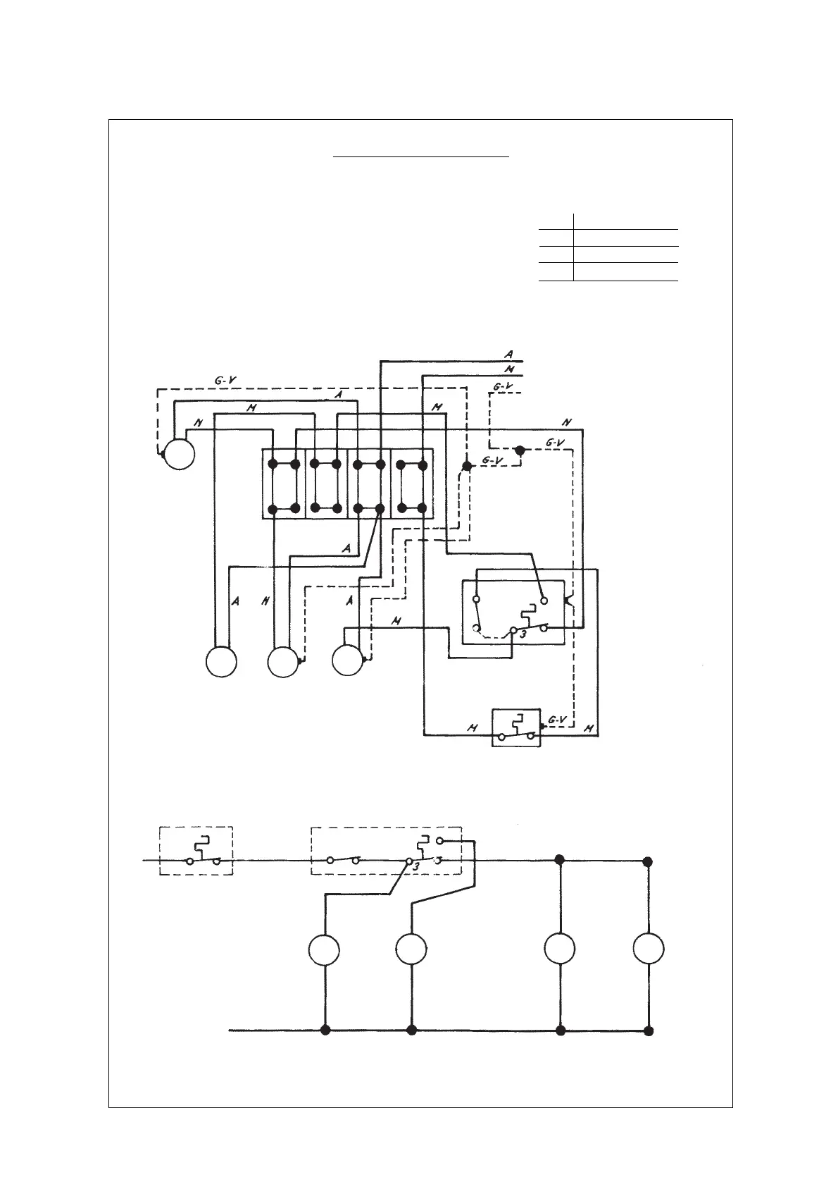
SCHEMA ELETTRICO
POMPA
TERMOSTATO
EVAPORATORE
TERMOSTATO
CONTENITORE
TERMOSTATO
CONTENITORE
TERMOSTATO
EVAPORATORE
2
4
6
6
2
4
VALVOLA GAS CALDO
VENTILATORE
COMPRESSORE
COMPRESSORE
VALVOLA GAS CALDO
POMPA
VENTILATORE
A AZZURRO
M MARRONE
N NERO
G-V GIALLO - VERDE

Related product manuals