EasyManua.ls Logo

Scotsman MCS 46 A - MC-46 A-W 230;60;1

Scotsman MCS 46 A
34 pages
Print Icon
To Next Page IconTo Next Page
To Next Page IconTo Next Page
To Previous Page IconTo Previous Page
To Previous Page IconTo Previous Page
Loading...
Page 26
Page 26
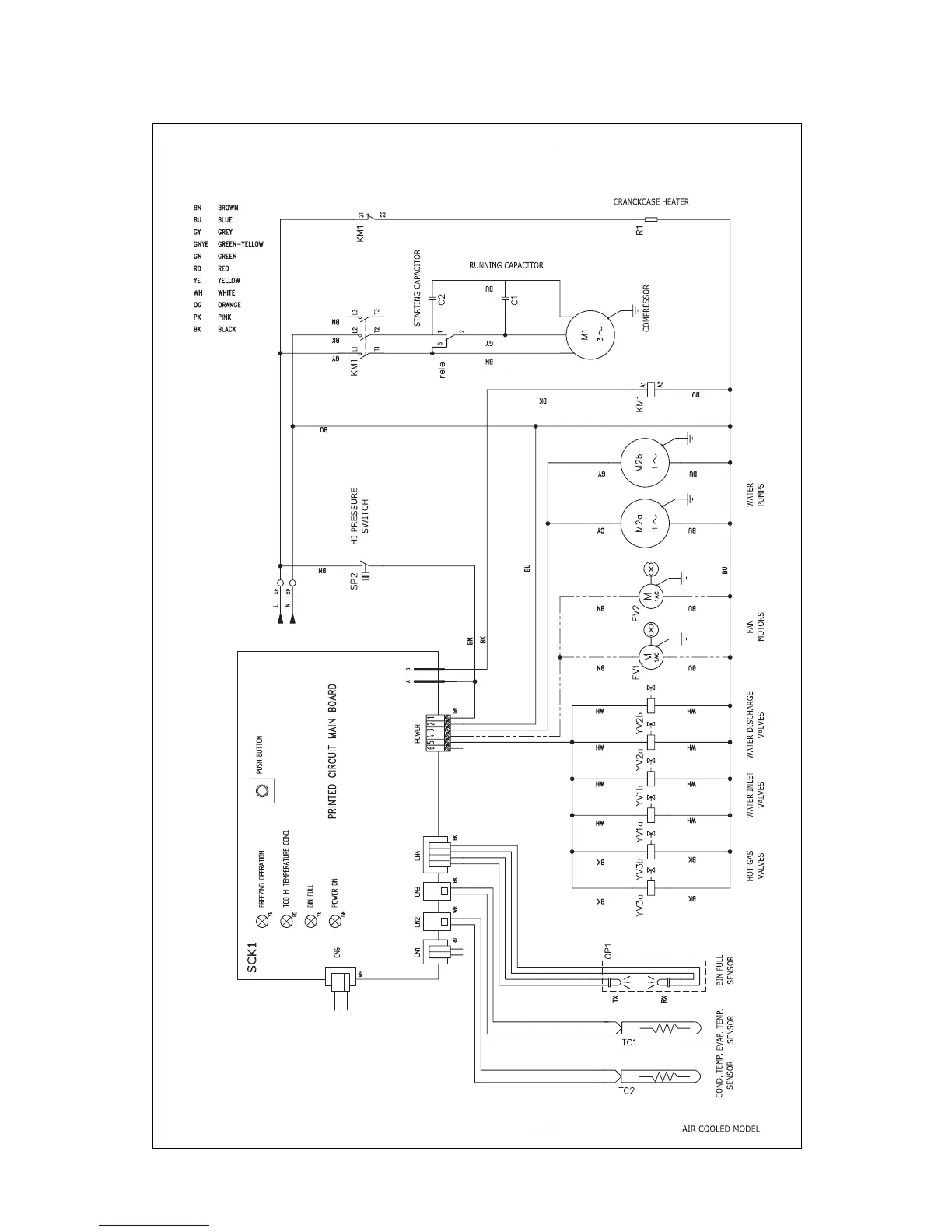
WIRING DIAGRAM
MC-46 A-W 230/60/1

Related product manuals