EasyManua.ls Logo

Scotsman MCS 46 A - Wiring Diagram; MC-46 A-W 230;50;1

Scotsman MCS 46 A
34 pages
Print Icon
To Next Page IconTo Next Page
To Next Page IconTo Next Page
To Previous Page IconTo Previous Page
To Previous Page IconTo Previous Page
Loading...
Page 25
Page 25
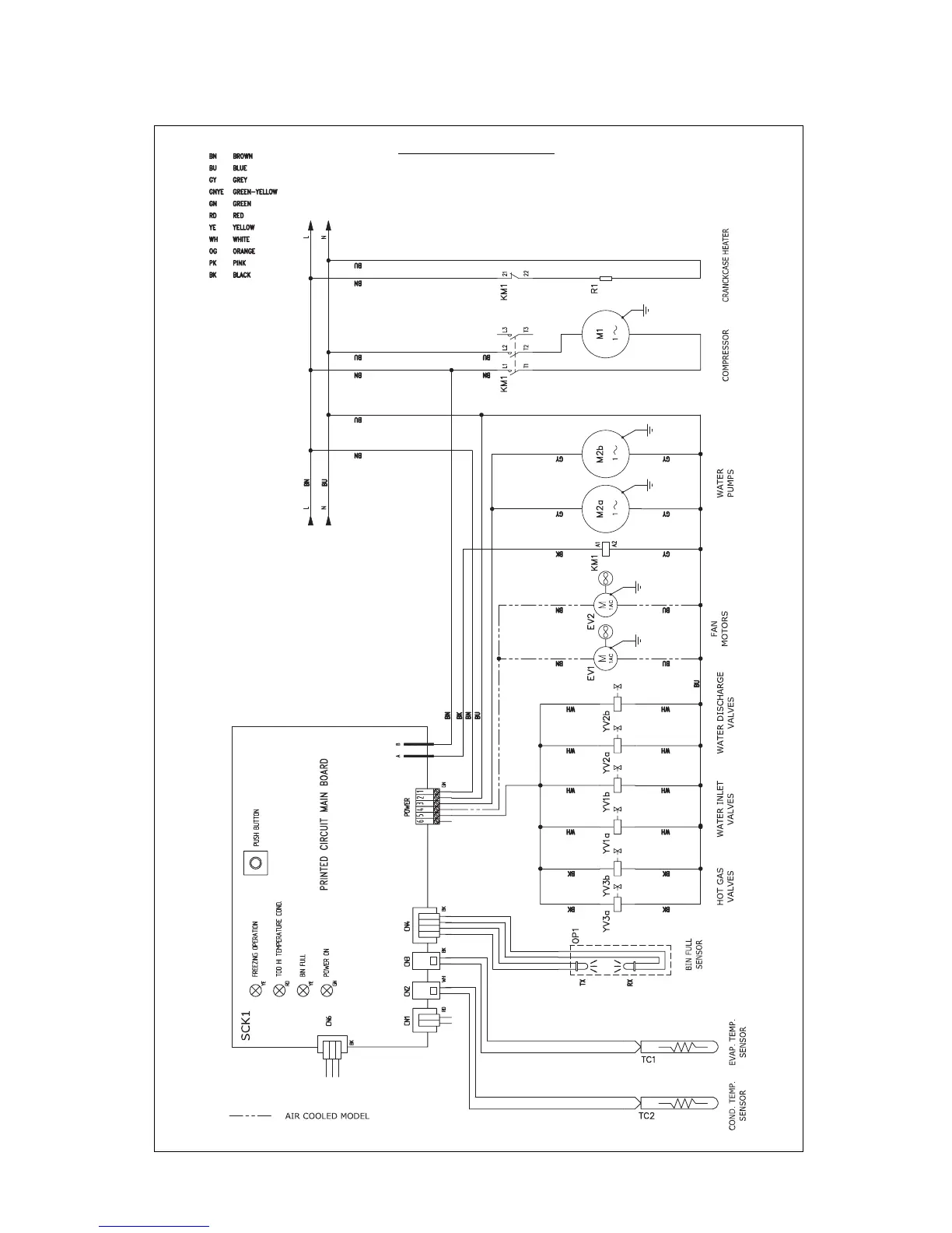
WIRING DIAGRAM
MC-46 A-W 230/50/1

Related product manuals