EasyManua.ls Logo

Scotsman MCS 46 A - Sanitation

Scotsman MCS 46 A
34 pages
Print Icon
To Next Page IconTo Next Page
To Next Page IconTo Next Page
To Previous Page IconTo Previous Page
To Previous Page IconTo Previous Page
Loading...
Page 32
Page 32
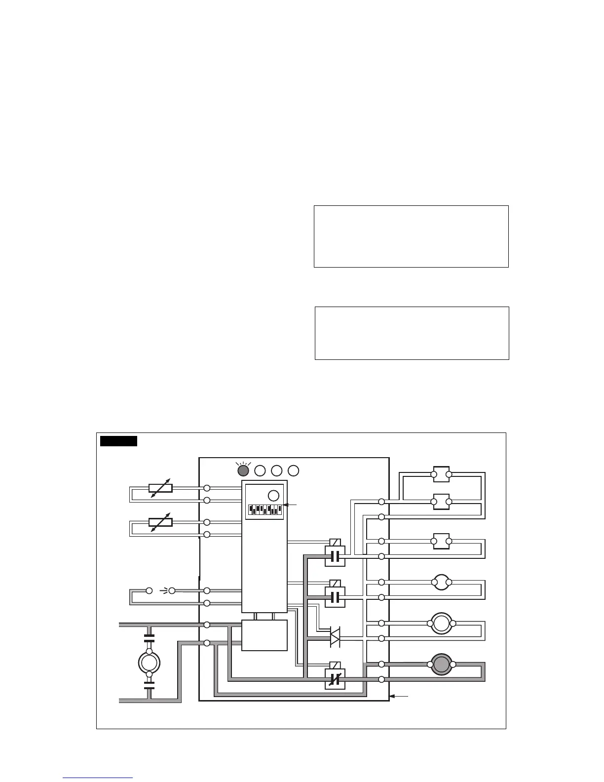
FIG. 8
8. With the system in Cleaning mode the
water pump is the only component in operation
to circulate the cleaning solution in the entire
water system
9. Let the unit remain in the cleaning mode for
about 20 minutes then turn the main switch to
OFF (disconnect unit from POWER)
10. Flush out the cleaning solution from the
sump reservoirs then pour onto each evaporator
cavity two or three liters of clean potable water
with a capfull of antibacteria solution to rinse and
sanitize the mold cups and the platen.
If necessary remove the water spry bar to clean
it separately as per steps 3 and 4 of paragraph B.
11. Give power to the unit by the main switch
12. During the Water Filling Phase push RESET
BUTTON for more then 2” but less then 5” the
machine enter in Rinsing Mode (Fig.7)
13. Let the unit remain in the RINSING MODE
mode for about 10 minutes then turn the main
switch to OFF (disconnect unit from POWER)
14. Flush out the rinsing solution from the sump
reservoirs
15. Place again the evaporator cover and the
unit service panels.
16. Give POWER to the unit.
17. At completion of the freezing and harvest
cycle make sure of proper texture and clearness
of the ice cubes and that, they do not have any
acid taste.
ATTENTION. in case the ice cubes are
cloudy, white and have an acid taste, melt
them immediatelly by pouring on them
some warm water. This to prevent that
somebody could use them.
18. Wipe clean and rinse the inner surfaces of
the storage bin.
REMEMBER. To prevent the accumulation
of undesirable bacteria it is necessary to
sanitize the interior of the storage bin with an
anti-algae disinfectant solution every week.
16
15
14
13
2
1
7
8
9
10
3
4
5
6
11
Rx Tx
WATER IN VALVE
HOT GAS VALVE
FAN MOTOR
WATER PUMP
- EVAPORATOR
- AMBIENT
- CONDENSER
TEMPERATURE SENSORSBINCOMPRESSOR
TRANSF.
DATA
PROCESSOR
ELECTR.
TIMER
DIP
SWITCH
ELECTRONIC CARD
L
N
RELAYS
RELAY
TRIAC
WATER DRAIN VALVE
CONTACTOR COIL
12
FIG. 8

Related product manuals