EasyManua.ls Logo

Scotsman MXG 328 - Page 32

Scotsman MXG 328
40 pages
Print Icon
To Next Page IconTo Next Page
To Next Page IconTo Next Page
To Previous Page IconTo Previous Page
To Previous Page IconTo Previous Page
Loading...
Page 32
Page 32
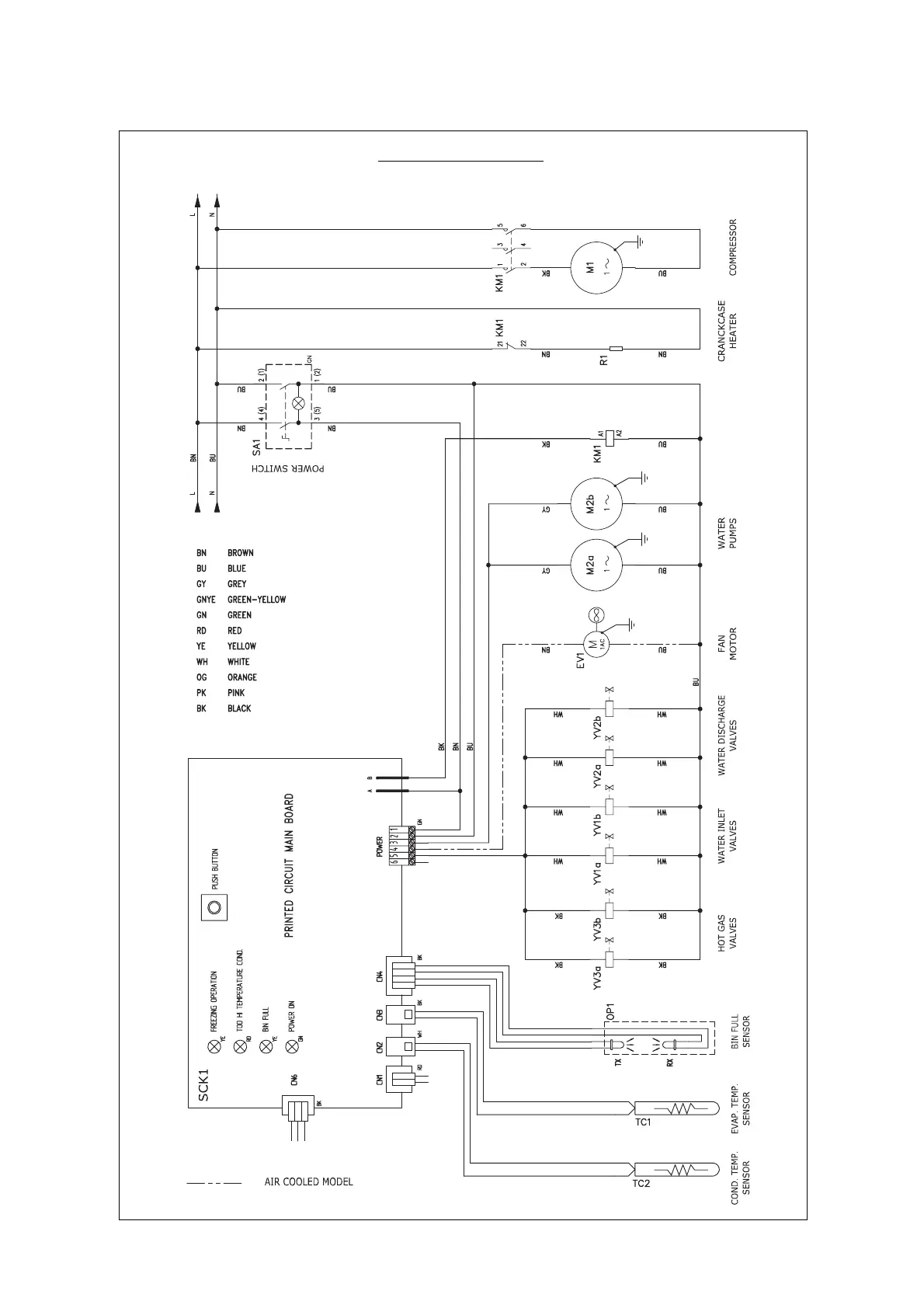
WIRING DIAGRAM
MXG 638 A-W 230/50-60//1

Related product manuals