EasyManua.ls Logo

Scotsman MXG 328 - Wiring Diagram Overview

Scotsman MXG 328
40 pages
Print Icon
To Next Page IconTo Next Page
To Next Page IconTo Next Page
To Previous Page IconTo Previous Page
To Previous Page IconTo Previous Page
Loading...
Page 31
Page 31
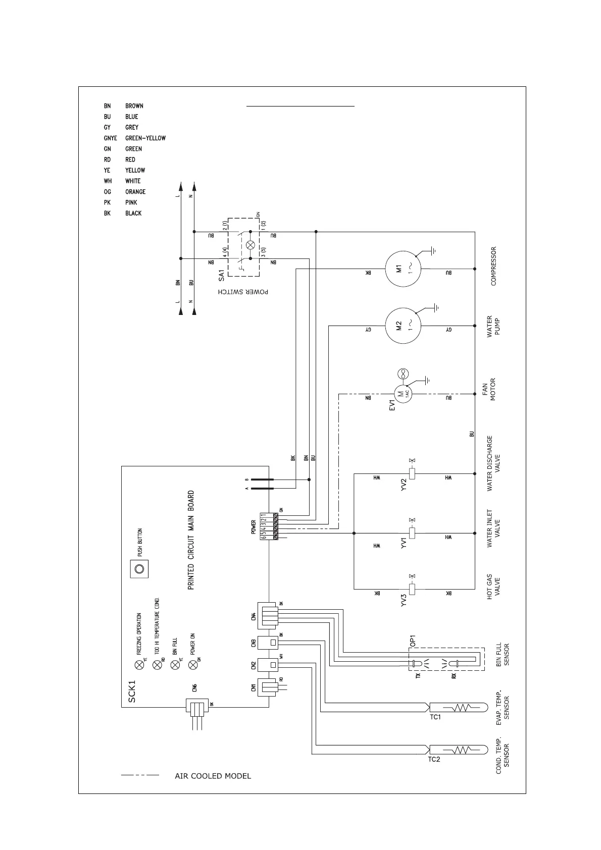
WIRING DIAGRAM
MXG 328 - 428 - 438 A-W 230/50/1

Related product manuals