EasyManua.ls Logo

SDLG LG968 - Chapter II Introduction; General View of the Machine & Components Name

SDLG LG968
117 pages
Print Icon
To Next Page IconTo Next Page
To Next Page IconTo Next Page
To Previous Page IconTo Previous Page
To Previous Page IconTo Previous Page
Loading...
Operation & Maintenance Manual──LG968 /969Wheel Loader
40
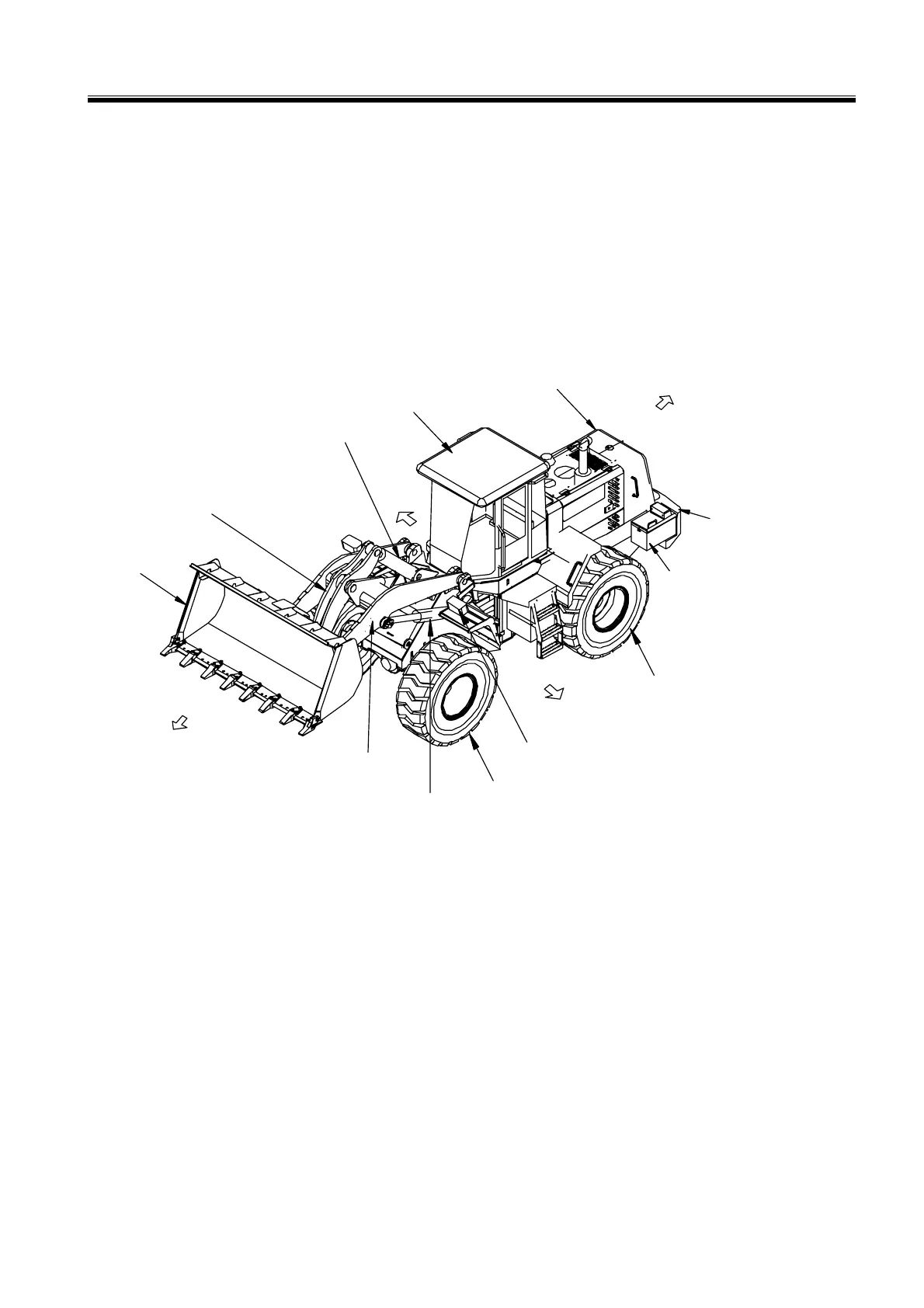
CHAPTER II INTRODUCTION
1 GENERAL VIEW OF THE MACHINE & COMPONENTS’ NAME
Right
Left
Front
Working Light
Front Wheel
Lift Arm Cylinder
Rear Wheel
Lift Arm
Rocker Arm
Bucket
Dump Cylinder
Cab
Engine Cover
Rear
Balance Weight
Accumulator Box
Figure 2-1 General view and components’ name of LG968/969 wheel loader

Table of Contents

Related product manuals