EasyManua.ls Logo

Seca 378 - Appendixes

Seca 378
67 pages
Print Icon
To Next Page IconTo Next Page
To Next Page IconTo Next Page
To Previous Page IconTo Previous Page
To Previous Page IconTo Previous Page
Loading...
Appendixes seca
14.11.12/RLEU/ARI/MRE 36/40 30-34-00-812c
Appendixes
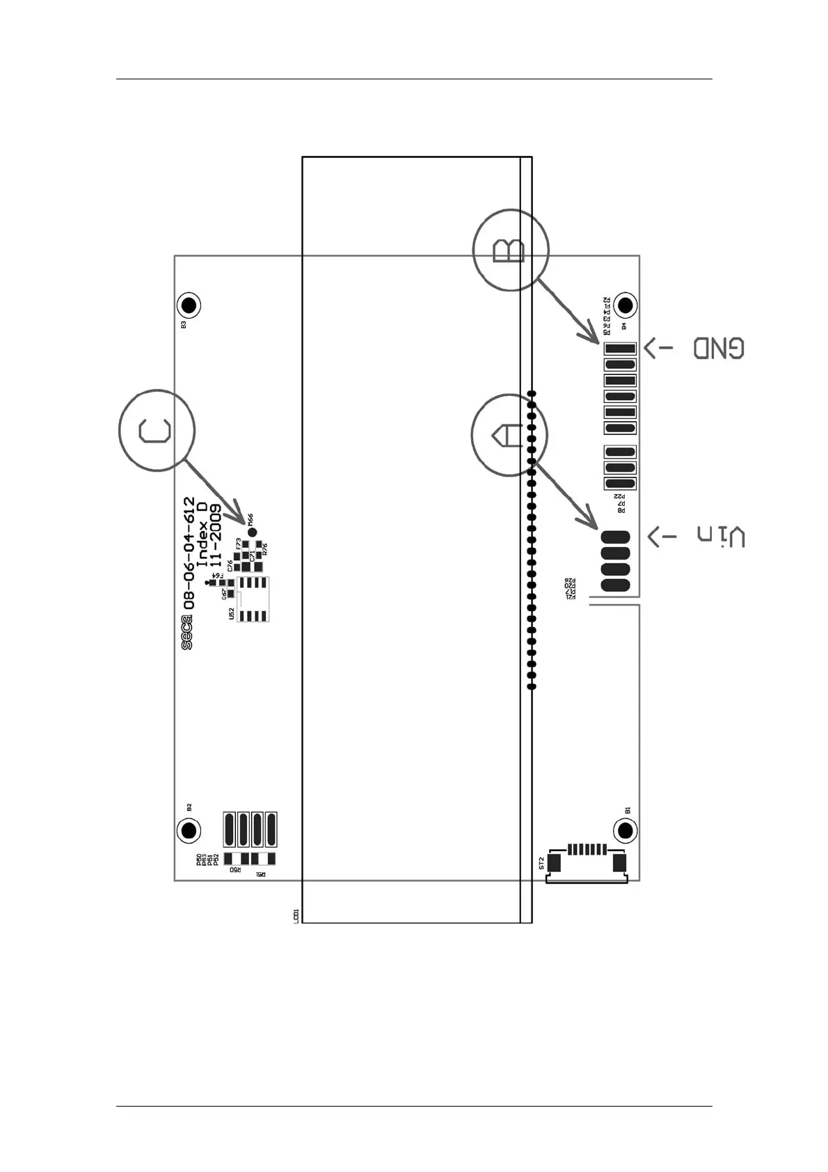
Appendix 1: Measuring points on SECA module 08-06-18-163 [703]

Table of Contents

Related product manuals