EasyManua.ls Logo

Seeworld S119 - Installation Guide

Seeworld S119
15 pages
Print Icon
To Next Page IconTo Next Page
To Next Page IconTo Next Page
To Previous Page IconTo Previous Page
To Previous Page IconTo Previous Page
Loading...
5
- SIM card must be in service.
- If SIM card require PIN code, please use other GSM mobile handset to
remove the pin code.
- For oversea user, please check if the APN settings require or not.
- If you are an oversea user, please set the language(EN) by sending
SMS to the device with: LANG,0#
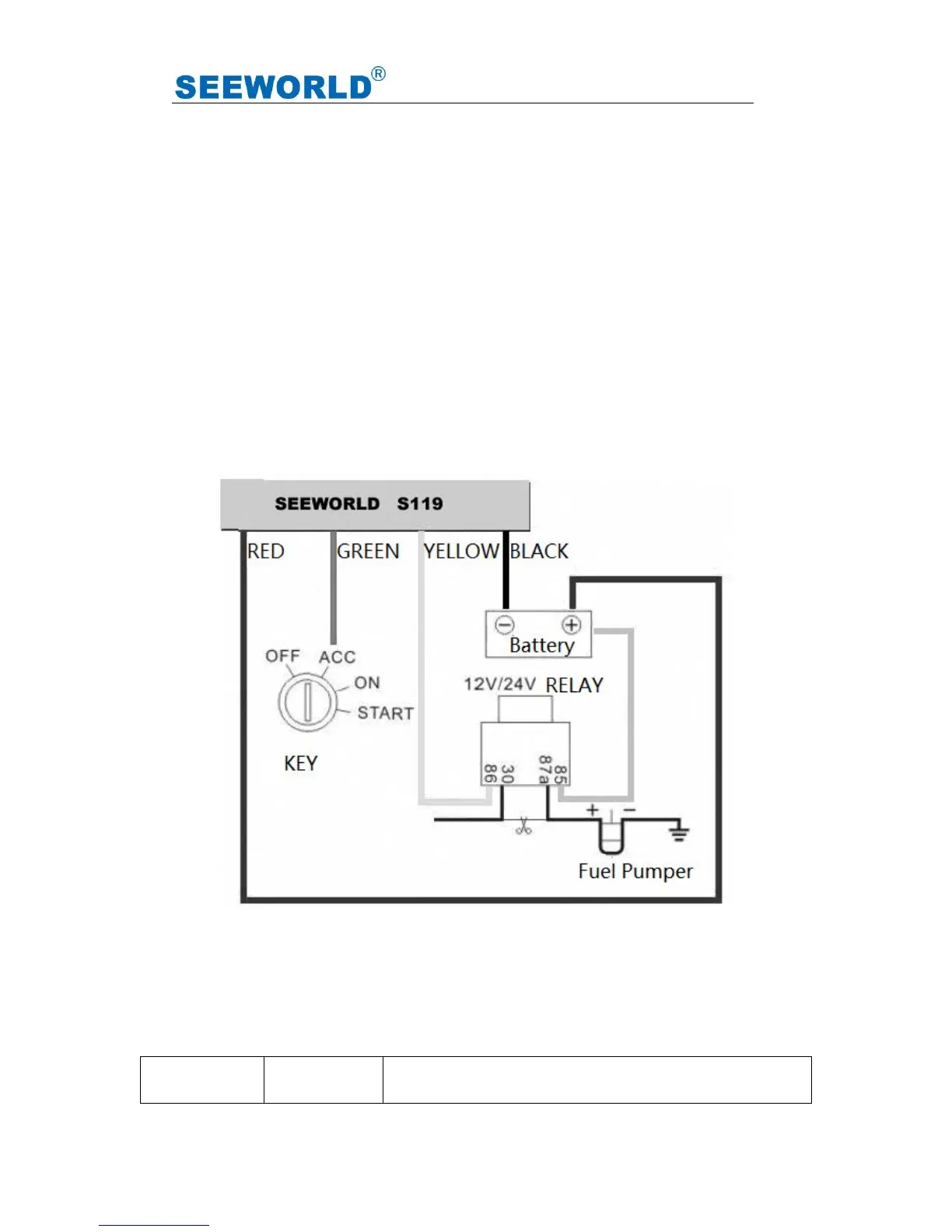
3.3 Installation Guide
Connection Diagram
PIN No Color Description

Related product manuals