EasyManua.ls Logo

Seitron freetime evo - Installation

Seitron freetime evo
20 pages
Print Icon
To Next Page IconTo Next Page
To Next Page IconTo Next Page
To Previous Page IconTo Previous Page
To Previous Page IconTo Previous Page
Loading...
TCD02B0001SE 034070 130220
5
INSTALLATION
WARNING
- To properly set the room temperature, install the programmable thermostat far from heat sources, airstreams or particularly cold
walls (thermal bridges).
If a remote sensor is used, the note is applied to the sensor and not to the programmable thermostat.
- In order to connect the external probe use cables with minimum section of 1,5 mm² and with a maximum length of 15 m. Do not
pass the cables through the pipes where the power lines run.
- If the load controlled by the relay of the programmable thermostat operates with mains voltage, the connection must be made via
an omnipolar switch complying with current standards and with a contact opening of at least 3 mm in each pole.
- Installationandelectricalwiringsofthisappliancemustbemadebyqualiedtechniciansandincompliancewiththecurrent
standards.
- Before wiring the device be sure to turn the mains power off.
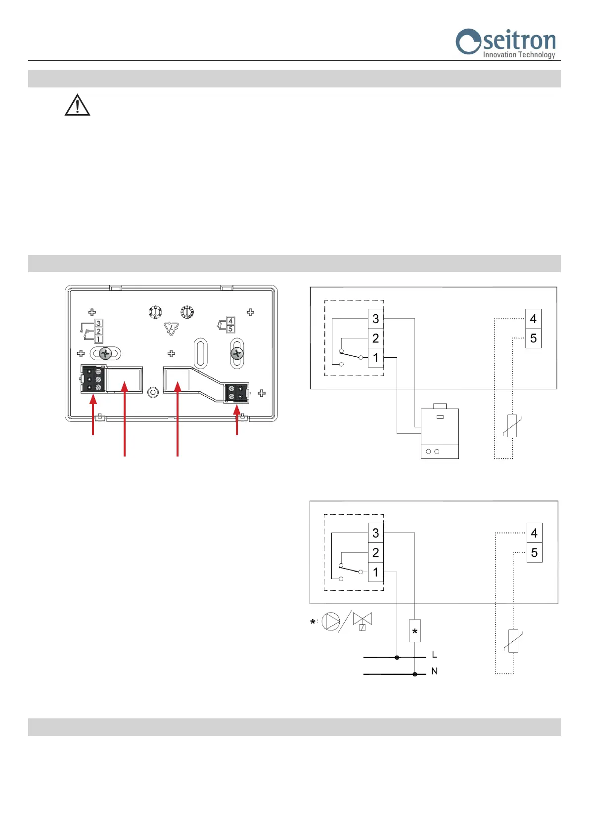
WIRINGS
Relay output Remote sensor input
Remote
sensor cable
entrance
Relay
output cable
entrance
Boiler
Remote
sensor
(optional)
----: Reinforced insulation.
Circulation pump /
Solenoid valve
----: Reinforced insulation.
Remote
sensor
(optional)
PELLET STOVE CONTROL
The programmable thermostat can be set to regulate the room temperature for turning on and off a pellet stove.
The relay output must be connected to the input for the activation/deactivation of the pellet stove.
Aiming to limit the on/off switches number of the stove, set the parameters as shown below:
- HYSt: Room temperature regulation hysteresis at 1,0°C
- tMIn: Minimum relay acrivation time at 30 minutes

Related product manuals