EasyManua.ls Logo

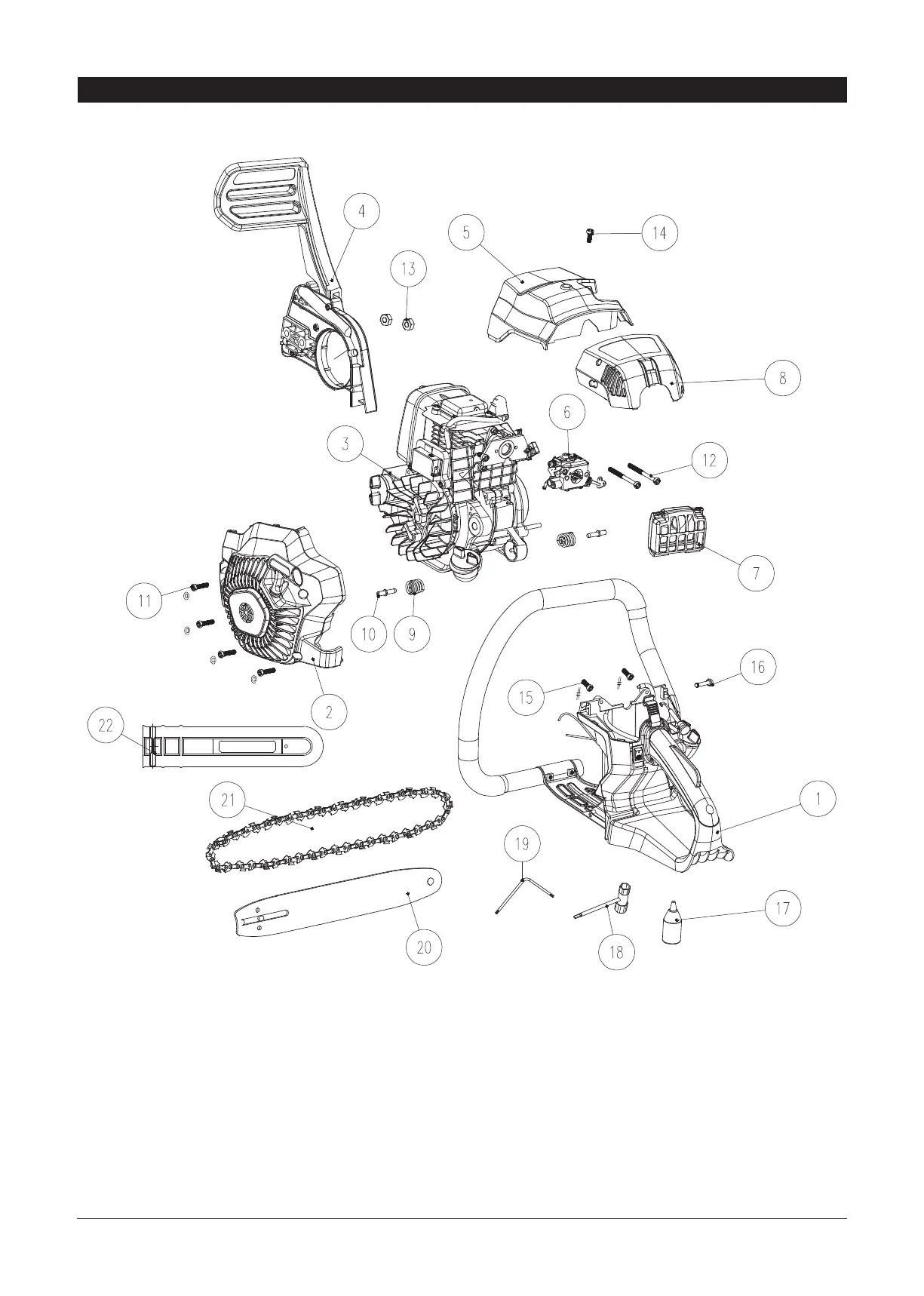
Senix CS4QL-L1 - Exploded View; Parts

Senix CS4QL-L1
88 pages
Print Icon
To Next Page IconTo Next Page
To Next Page IconTo Next Page
To Previous Page IconTo Previous Page
To Previous Page IconTo Previous Page
Loading...
27WWW.SENIXTOOLS.COM
PARTS
EXPLODED VIEW

Related product manuals