EasyManua.ls Logo

Senix CS4QL-L1 - Page 56

Senix CS4QL-L1
88 pages
Print Icon
To Next Page IconTo Next Page
To Next Page IconTo Next Page
To Previous Page IconTo Previous Page
To Previous Page IconTo Previous Page
Loading...
56 WWW.SENIXTOOLS.COM
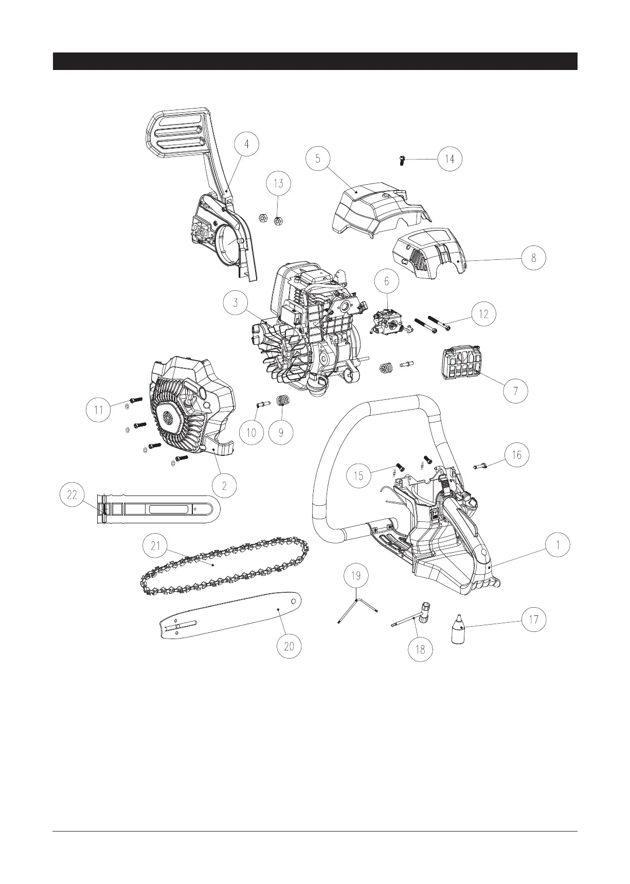
PIEZAS
VISTA EN DESPIECE

Related product manuals