EasyManua.ls Logo

Sequential Prophet-5 1000 - Page 99

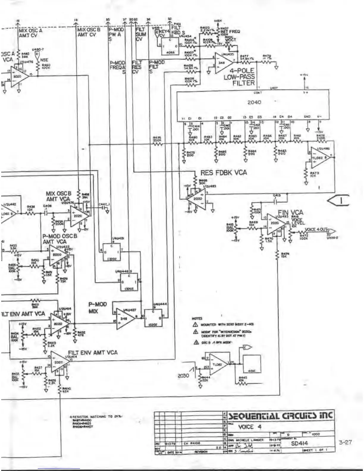
Sequential Prophet-5 1000
142 pages
Print Icon
To Next Page IconTo Next Page
To Next Page IconTo Next Page
To Previous Page IconTo Previous Page
To Previous Page IconTo Previous Page
Loading...

Other manuals for Sequential Prophet-5 1000

Related product manuals