EasyManua.ls Logo

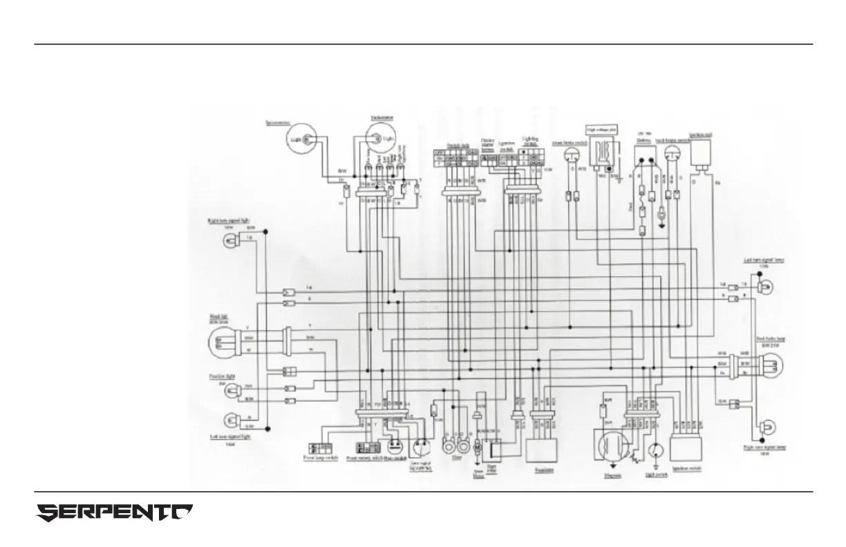
Serpento ASPID 150 - Wiring Diagram

Serpento ASPID 150
Print Icon
To Next Page IconTo Next Page
To Next Page IconTo Next Page
To Previous Page IconTo Previous Page
To Previous Page IconTo Previous Page
Loading...
MANUAL DEL USUARIO • ASPID 150
41
8. Wiring Diagram

Table of Contents

Related product manuals