EasyManua.ls Logo

Sharp 21F-PA18 - Schematic Diagram: Main Unit

Sharp 21F-PA18
89 pages
Print Icon
To Next Page IconTo Next Page
To Next Page IconTo Next Page
To Previous Page IconTo Previous Page
To Previous Page IconTo Previous Page
Loading...
21F-PD250 / 21F-PT220 / 21F-PA18 / 21F-PA18(B)
11 2
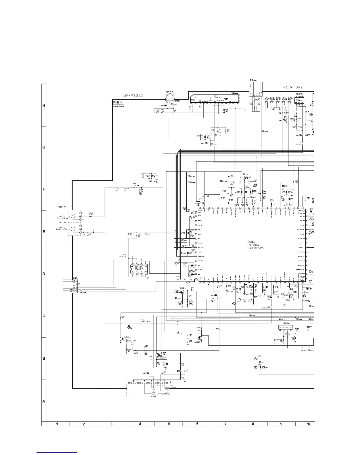
[2] SCHEMATIC DIAGRAM: MAIN UNIT

Table of Contents

Related product manuals