EasyManua.ls Logo

Sharp AR-M205 - Page 53

Sharp AR-M205
151 pages
Print Icon
To Next Page IconTo Next Page
To Next Page IconTo Next Page
To Previous Page IconTo Previous Page
To Previous Page IconTo Previous Page
Loading...
32
O
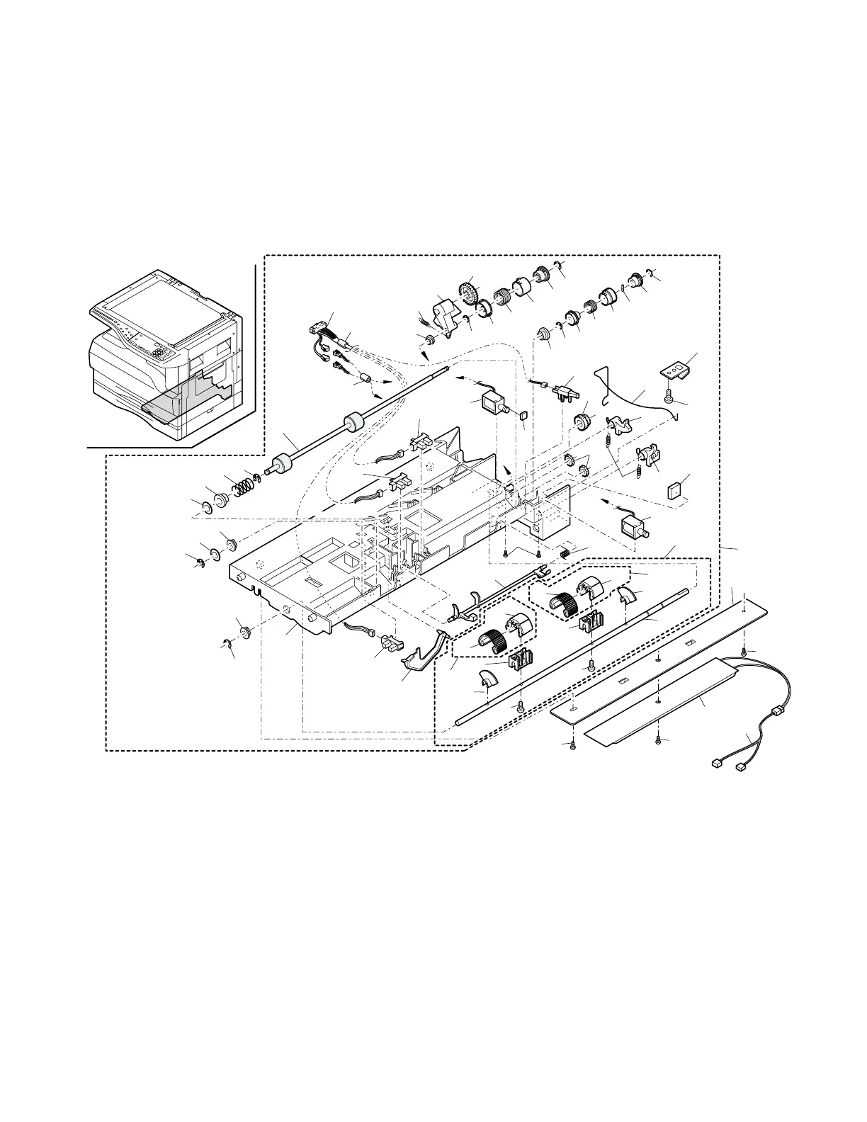
1ST トレイ給紙ユニット (1ST Tray paper feeding unit)..AR-200M,AR-M205
PRP01615
18
1
2
3
18
5
6
7
8
17
47
13
15
16
9
18
19
20
21
22
23
26
27
28
29
30
31
32
33
34
35
36
38
18
15
15
44
4
4
9
41
46
4
43
45
48
42
55
51
56
50
64
51
52
57
60
62
61
61
62
58
58
60
59
59
501
503
502
503
53
54
47
47
10

Other manuals for Sharp AR-M205

Related product manuals