EasyManua.ls Logo

Sharp CD-C421H - Page 18

Sharp CD-C421H
51 pages
Print Icon
To Next Page IconTo Next Page
To Next Page IconTo Next Page
To Previous Page IconTo Previous Page
To Previous Page IconTo Previous Page
Loading...
CD-C421H / C411H
– 18 –
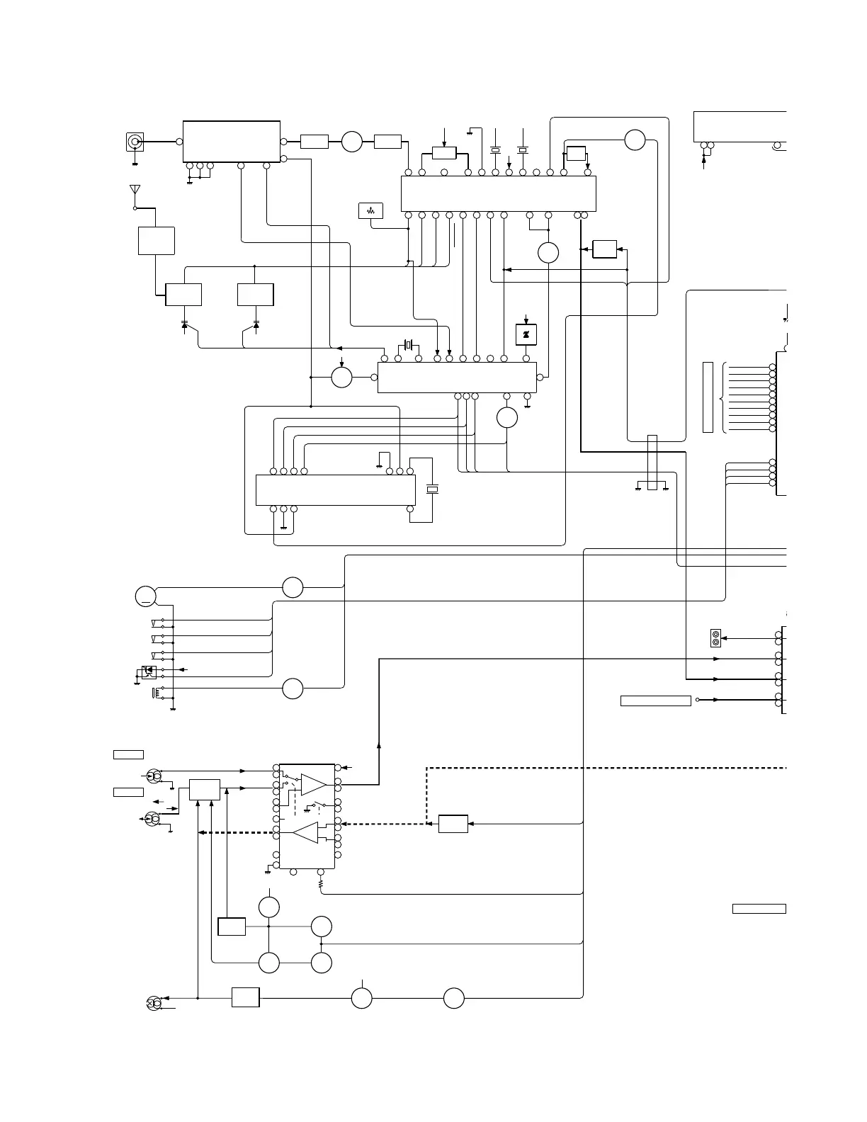
Figure 18 BLOCK DIAGRAM (2/3)
43
22
7
37
40
41
2
8
9
10
11
12
13
19
21
22
23
31
67
5
6
7
2
15
14
20
21
23 22
13
12
4
5
1
3
7
6
8
17
15
14
11
12
16
18
12
10
13
6
13
10
7
21
22
23
24
20
3
2917
98
5
42
7
5
43
6
21
1
20
11
15 16
1
2
ICT21
LC72720
RDS
VDDA
VSSA
AM ANT.
AM OSC.
L341
BALUN
X352
4.5MHz
IC302
LC72131
PLL(TUNER)
FM IF DET/FM MPX/AM IF
IF
OUT
IC303
LA1832
+B4 CF351 X351
+B4
MPX
PHASE
Q361
SO301
ANTENNA
TERMINAL
AM
ANTENNA
+B4
CD RES
T1 RUN
T2 RUN
TACUM SW
AFP
T1 RUN
T2 RUN
MECHA STOP
FOOL PROOF
CD SL–
CD SL+
CD CQCK
CD COIN
CD SQOUT
CD WRQ
CD RWC
CD PUIN
CD DRF.
SM
SM
L354
LOW PASS
FILTER
TUNER MUTE
SD
VOLTAGE
REGURATER
+B4
+5V
QT21
VF2
(AC)
FL701
TA MOT SW
TA SOL
VSSD
VDDD
X IN
X OUT
MPX
IN
AMP.
FM +B
DO
CL
DI
CE
XT21
4.332MHz
XT21
VT
T306T302
CF302
DO
CE
CL
DI
CF301
FM FRONT END
FE301
Q360
Q371
Q602
Q601
MUTING
MPX
VCO
CUT
RL
Q353
Q354
MPX
IN
FM/AM
OUT
IF IN
SD
FM MONO/ST
MONO/ST
AM RF IN
AFC
IN
OUT
VR351
FM MUTE LEVEL
AM OSC
REG INOUT VCC
FM IF IN
AMP
FM IF
Q301
FM IF
FM
OSC.
STEREO
AM IN
FM IN
FMOSC
T351
AM IF
GND
OSC.
FM
FM IF
AM RF
SWM4
F.A.S
SWM3
FOOL PROOF
SWM5
MM1
TAPE
MOTOR
M
SOLM1
+B5
SOLENOID
PHM1
CAM
L
SO401
AUX IN
CNP303
R
R
L-CH
R-CH
PB HEAD
1
2
3
4
L NF
L (T1)
R (T1)
L (T2)
R (T2)
R NF
4
5
13
21
24
23
18
17
10
1915
12
14
16
20
H/N
6
7
8
9
T1/T2
POP REDUCE
L REC
R REC
R NF
REC
L NF
P.B.
REC
L-CH
R-CH
REC/PB
HEAD
ERASE
HEAD
BIAS
OCS
REF
ALC
HIGH
NOR/
T1/T2
PLAYBACK&RECORD/
PLAYBACK AMP.
IC501
AN7345K
L
R
P.B
R
R
L
L
L
TAPE
VIDEO
TUNER
CD
FROM CD SECTION
FROM CD SECTION
Q571
L501
Q566
Q565
BIAS
Q511
Q514
~
P.B
REC
AC BIAS
Q515
Q516
Q583
Q581
Q584
Q582
T1/T2
MUTING
REC MUTE
Q575
Q576
REC/P.B.
+B4
+B4
+B4
L
R
TAPE 1
TAPE 2
R
L
SWITCHING
SWITCHING
SWITCHING
SWITCHING
TO CD SECTION
16
33
17
32
19
30
21
28
CL
SWITCHING
BIAS

Related product manuals