EasyManua.ls Logo

Sharp CD-C421H - Page 19

Sharp CD-C421H
51 pages
Print Icon
To Next Page IconTo Next Page
To Next Page IconTo Next Page
To Previous Page IconTo Previous Page
To Previous Page IconTo Previous Page
Loading...
– 19 –
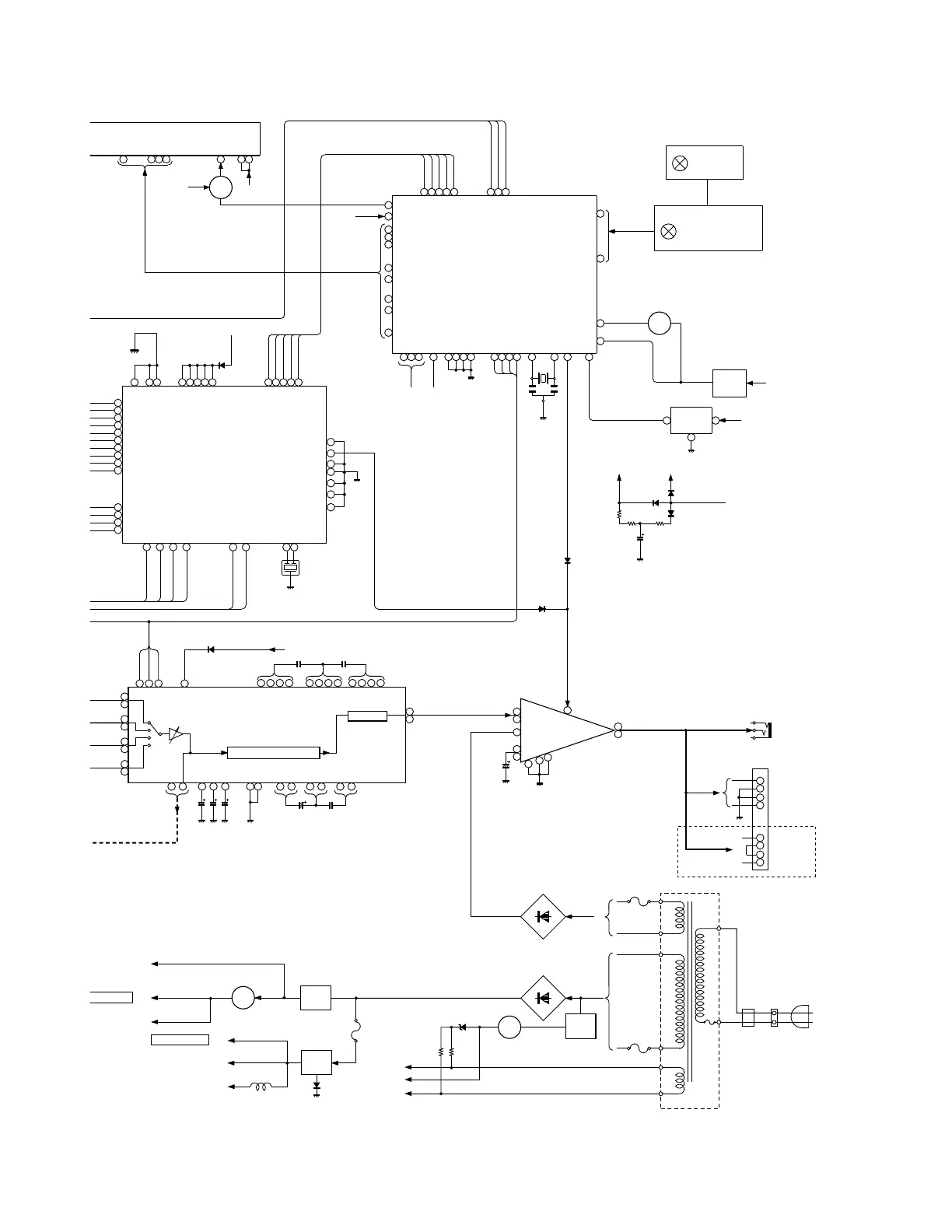
CD-C421H / C411H
Figure 19 BLOCK DIAGRAM (3/3)
47
33
48
56
71
61
51
50
34
35
23
27
46
17
35
34
43 47
9
XL701
1011
12
31
2
19
21 22
18
1615
1413
14
15
16
17
18
20
31
3348
30
8
29
52
71
54
70
72
80
1
4
6
7
5
37
8
6
5
7
21
24
2028
8
2930
52 40
9
10
11
12
13
19
21
22
23
31
67
5
6
7
45
80 72 70 2
VF1
(AC)
~
IC701
IX0223AW
SYSTEM MICROCOMPUTER
~
~
~
Q702
+B7
+B7
SW701~SW724
KEY MATRIX
SW725,726
KEY1
KEY5
Q703
Q704
ZD701
SYS STOP
RESET
POWER
REMOCON
DI
CLK
DO
CE
RX701
REMOTE
SENSOR
REMOCON
TUN SD
TUN SM
TUN MUTE
CLEAR
MAIN SO
MAIN SI
MAIN SCK
MAIN STB
CLEAR
MAIN SO
MAIN SI
MAIN SCK
C
D RES
T1 RUN
T2 RUN
C
UM SW
AFP
CD SL–
CD SL+
D
CQCK
C
D COIN
SQOUT
C
D WRQ
C
D RWC
C
D PUIN
C
D DRF.
MAIN STB
+B3
+B7+B8
+B7+B8
MEMORY
BACK UP
–VP
–VP
Q701
FL701
IC601
IX0225AW
MAIN SYSTEM
MICROCOMPUTER
+B2
POWER
REC MUTE
REC/P.B.
TA MOT SW
TA SOL
T1/T2
BIAS
~~~
13
4
3
11
MUTE
L
R
R
L-OUT
R-OUT
9
2
5
12
R-IN
L-IN
7
VCC
14
NF
8
+12V (DRIVER)
+12V (AUDIO)
+B5
+B4
OUT
L
R
IC961
LA4550:421H
LA4551:411H
POWER AMP.
+B4
VDD
X-BASS
VSS
VREF
LVREF
RVREF
AVSS
GRAPHIC EQUALIZER
VOLUME
58
55
R
R
L
L
L
A
PE
I
DEO
U
NER
D
VOLTAGE
REGULATOR
VOLTAGE
REGULATOR
VOLTAGE
REGULATOR
+B2
+B3
+
–
JA961
HEADPHONES
+5V
+5V
+B1
+5V
+B6
(MECHA)
(UCOM)
+12V
CD SECTION
TO CD SECTION
IC941
VF1
–VP
VF2
IC942
IC401
LC75394E
AUDIO PROCESSOR
23
16
33
17
32
19
30
21
28
14 35 56 63 50 26 27
12
37
11
38
10
39
24 25 57
CL
DI
CE
T.F
AC 230V 50Hz
SO901
L901
CORE
PT901
POWER TRANSFORMER
AC POWER
SUPPLY CORD
VOLTAGE
REGULATOR
Q901
Q941
D909
D911
F902
T1.6A L 250V
F941
T500mA L 250V
F901
T3.15A L 250V
CD-C421H Only
~
D905 ~ D908
D901 ~ D904
ZD901
9
43
6
40
8
44
5
41
7
45
4
42
+
–
+
–
+
–
SO961
SPEAKER TERMINAL
FRONT
SPEAKERS
REAR
SPEAKERS
XL601
4.19MHZ

Related product manuals