EasyManua.ls Logo

Sharp CD-C440W - Page 15

Sharp CD-C440W
68 pages
Print Icon
To Next Page IconTo Next Page
To Next Page IconTo Next Page
To Previous Page IconTo Previous Page
To Previous Page IconTo Previous Page
Loading...
– 15 –
CD-C440W/CP-C440W
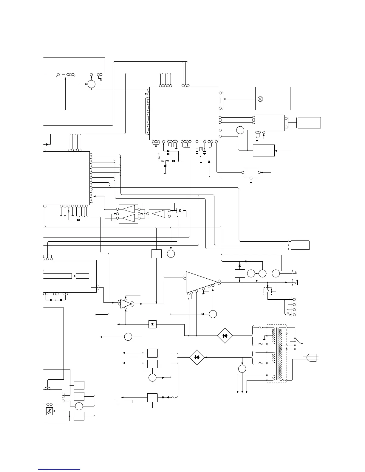
Figure 15 BLOCK DIAGRAM (3/3)
9
14
11
6
13
44
6
3
16
18
1
10
17
18
24
25
26
27
28
57
58
59
60
616364
65
66
23
28
5
16
18
17
1
4
3
2
36
38
37
46
17
35
34
42
43 47
9
101112
3
2
1
19
21
22
18
16
15
14
13
14
15
16
17
18
20
31
33
48
30
8
29
52
71
54
70
72
80
1
4
6
7
5
37
8
6
5
7
2
1
8
9
10
11
12
13
19
21
53
54
55
24
25
26
27
28
4
5
6
7
8
6
7
4
7
1
8
6
2
3430
1
4
7
1
4
8
5
3
17
31
42
6
43
5
44
4
F821
T500mA L 250V
SW701–SW712
SW717,SW719,SW721
SW723–SW726
SW728–SW740
AC 110/127/220/
230–240V
50/60Hz
230–240V
220V
127V
SW801
VOLTAGE
SELECTOR
110V
JA901
HEADPHONES
Q998
Q997 Q999
Q996
PROT
R-IN
L-IN
IC901
STK488-020
POWER AMP.
+B1
–B1
R-OUT
L-OUT
SO901
SPEAKER
TERMINAL
R-CH
GND
GND
L-CH
+
-
-
+
RELAY
PROT
Q903
Q904
MUTE
RL901
RELAY
SWITCHING
L-OUT
O
UT
C
ENTER CONT
IC453(1/2)
MODE1-5
MONO
PASS
SRS STEREO
SRS MONO
MODE
C
451
S
5250S
S
RS
R-IN
L-IN
SRS A
/SRS B
SRS INH
SRS
PASS
/3D
SRS
PASS
LEVEL
CONT
Q458
~
Q460
Q463
Q466
Q467
Q468
Q469
TO CD UNIT
+B1
SRS INH
SRS B
SRS A
SRS 3D
SRS PASS
DOLBY P.L
SRS
BALANCE
4CH SP
+B1
T801
POWER
TRANSFORMER
F804
T1.6A L 250V
F803
T5A L 250V
F802
T5A L 250V
T.F
KEY MATRIX
KEY0
KEY5
LED701–LED711
LED714–LED719
VDD
+B5
VSS
IC702
BU2092F
LCK
CLOCK
DATA
+B4
Q705
Q706
ZD701
SYS STOP
RESET
Q704
+B6
S-MUTE
POWER
REMOCON
DI
CLK
DO
CE
RX701
REMOTE
SENSOR
REMOCON
+B5
TUN SD
TUN SM
TUN MUTE
CLEAR
MAIN SO
MAIN SI
MAIN SCK
MAIN STB
MAIN STB
CLEAR
MAIN SI
MAIN SO
MAIN SCK
SPE IN
+B1
MEMORY
BACK UP
+B5
VP
VP
Q701
IC701I
X0170AW
MICROCOMPUTER
VF1
(AC)
FL701
IC601
IX0171AW
C
ROCOMPUTER
TO CD UNIT
CD MUTE
+B1
+B3
CD MUTE
CD RES
CD SL–
CD SL+
CD CQCK
CD SQOUT
CD COIN
CD WRQ
CD RWC
CD PUIN
CD DRF
CD O/C SW
CD D.NO
CD U/D
SPE1-5
POWER ON/STB
SWITCHING
S-MUTE
POWER
–B1
IC502/503/504
OPE AMP.
BA4558
IC504(1/2)
Q829
Q501
Q502
+B3
+B4
+B3
+B2
–B1
–15V
IC651
BA4558
OPE AMP.
VOLTAGE
REGURATER
X-BASS
IC501
L
C75396E
O
PROCESSOR
Q828
+12V(MOTOR)
Q826
Q827
VOLTAGE
REGULATOR
UN-SWITCHED
+5V
Q823
Q824
Q825
Q821
Q822
+7.3V(CD)
D801
D802–D805
VOLTAGE
REGULATOR
VOLTAGE
REGULATOR
VP
VF2
(AC)
VF1
(AC)
Q801
+12V(ANALOG)
VOLTAGE
REGULATOR
SWITCHING
VOLTAGE
REGULATOR
OUT
IN
R
L
R
L
VOLUME
RR
R
L
L
L
GRAPHIC EQUALIZER
L
R
OPEAMP.
BA4558

Related product manuals