EasyManua.ls Logo

Sharp CD-C440W - Page 23

Sharp CD-C440W
68 pages
Print Icon
To Next Page IconTo Next Page
To Next Page IconTo Next Page
To Previous Page IconTo Previous Page
To Previous Page IconTo Previous Page
Loading...
– 23 –
CD-C440W/CP-C440W
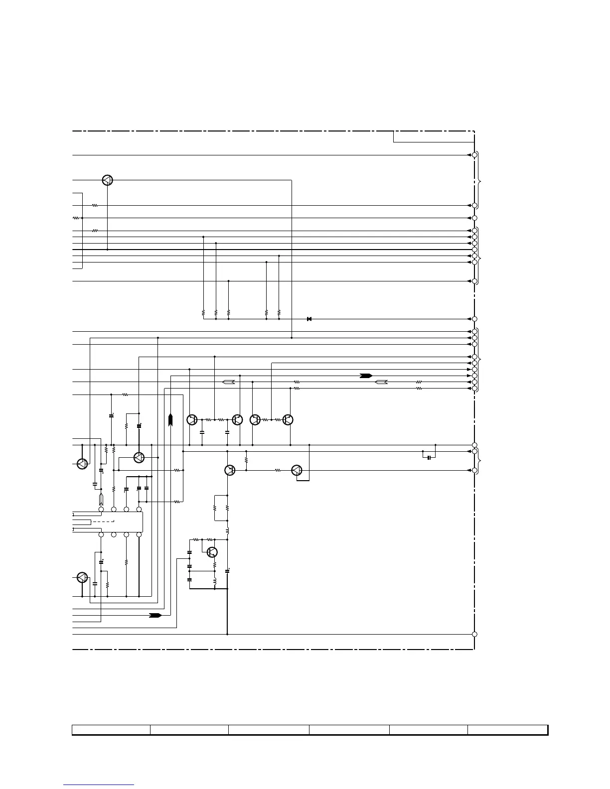
Figure 23 SCHEMATIC DIAGRAM (8/14)
7
8 9 10 11 12
11
32
31
2
30
29
28
27
26
25
24
23
22
46
44
43
42
41
40
39
38
7
37
36
+B
+B
+B
+B
+B
+B
SWITCHING
MUTING
MUTING
MUTING
MUTING
SWITCHING
SWITCHING
+B
16 15 14 13
121110
9
PLAYBACK AND RECORD/
PLAYBACK AMP.
TO CD
SECTION
TO MAIN
SECTION
TO MAIN
SECTION
TO MAIN SECTION TO MAIN SECTION
TO MAIN/CD
SECTION
TO MAIN SECTION
MAIN PWB-B1(3/3)
CAM SW
TA_MOT_H/L
F.A.S.
M_GND
REC FWD
SOLENOID
M_12V
TA_MOT_SW
D_5V
REC RVS
RUN PULSE
HI_SPEED
REC_L-CH
REC_R-CH
TAPE_L-CH
TAPE_R-CH
REC/PB
T1/T2
REC_MUTE
PB_MUTE
BIAS
A_12V
A_GND
32
1
32
1
32
1
Nor/
CrO
2
RIPPLE
Vcc
GND
3
2
1
32
1
(PP)
/63
=
CHROME
WITCHING
SWITCHING
ALC
ALC
D
R
SWITCHING
P20 3-H
P17 12-E
P21 7-H
P20 4-A
P20 1-C
P17 12-C
P21 11-E
P20 1-C
P17 10-H
C163
47/16
0
8
K
RM09
2.2K
R
M07
10
RM06
2.2K
RM05
10K
QM04
KRC104M
R157
4.7K
RM14
10K
RM16
10K
RM15
10K
RM19
3.3K
RM20
10K
DM03
1SS133
R149
10K
R146
10K
C140
0.0033
R143
10K
R144
10K
Q117
2SC2878 A
C143
0.022
C144
0.022
C146
220/10
C147
0.022
C145
22/25
R150
10K
C142
1/50
IC101
AN7345K
R152
1K
C141
1/50
R158
470
R168
4.7
Q128
2SC2236-Y
Q126
KRC104 M
R164
4.7K
C151
0.027/63
R167
47K
C162
0.047
R160
270
R166
27K
Q124
KTA1266 GR
L103
1mH
L104
330µH
R161
270
C152
47/16
R182
39K
R181
39K
Q121
KTC3199 GR
R153
10K
Q122
KTC3199 GR
R154
10K
4
2
0
2
m
H
R145
10K
C139
0.0033
0
1
8
mH
35
0
22
Q118
2SC2878 A
Q115
KRC104 M
0
.
018
3
8
1
8
Q116
KRC104 M
Q119
KRC104 M
R162
47K
C150
0.0082
C110
47/25
R147
10K
R155
33K
R156
33K
C155
0.022
R193
220

Related product manuals