EasyManua.ls Logo

Sharp CD-C440W - Page 24

Sharp CD-C440W
68 pages
Print Icon
To Next Page IconTo Next Page
To Next Page IconTo Next Page
To Previous Page IconTo Previous Page
To Previous Page IconTo Previous Page
Loading...
CD-C440W/CP-C440W
– 24 –
A
B
C
D
E
F
G
H
1
23456
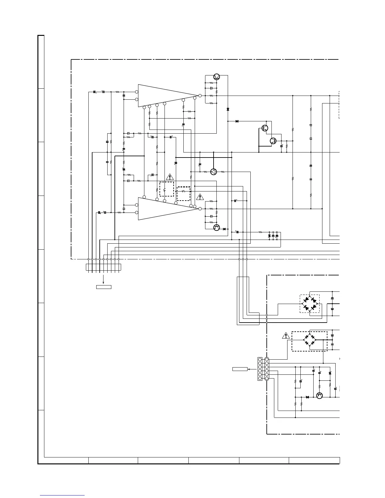
• NOTES ON SCHEMATIC DIAGRAM can be found on page 12.
Figure 24 SCHEMATIC DIAGRAM (9/14)
10
9
8
4
5
6
3
2
1
18
17
16
15
7
12
11
14
13
1
2
3
4
5
6
TO MAIN PWB
CNP801
1
2
3
4
5
6
3
1
SWITCHING
32
1
0V
0V
5.1V
0V
0V
5.1V
5.1V
0V
0V
0V
0.3V
5.1V
0V
0V
2.81V
GND(A)
R-CH
L-CH
91
POWER AMP.
(1/2)
IC901
(2/2)
Fusible
Fusible
31
VOLTAGE
REGULATOR
–41.4V
32.9V
–32.4V
P21 12-G
WT901
P21 12-F
FW902
R995
22K
D998
1SS133
FW901
R909
1K
R913
470
C935
47/50
C995
4700/50
R985
820
BI801
CNS801
R914
470
C936
47/50
R927
4.7
C923
0.1/63
C921
0.1/63
R928
4.7
C924
0.1/63
C922
0.1/63
C80
2
0.04
7
R908
56K
C910
470P
R907
56K
C909
470P
C906
2.2/50
R925
56K
C989
47/25
C990
0.022
ZD901
MTZJ15A
C996
4700/50
C801
0.04
7
C809
100/50
R807
2.2K
C808
47/63
R801
12K
C805
100
R806
100
D
8
RL
1
Q801
KTA1266GR
ZD802
MTZJ5.6B
R802
220
R803
220
C804
0.047
C803
0.047
D802
RL104A
D804
RL104A
D805
RL104A
D803
RL104A
D801
S4VB20
C806
47/50
C807
47/50
ZD801
MTZJ33C
Q997
KTC3199GR
Q998
KTC3199GR
C997
47/50
R998
56K
R926
56K
C994
100
R919
10K
Q903
KTC3199GR
R920
10K
Q904
KTC3199GR
D902
1SS133
R994
390
Q996
KRC102M
C908
2.2/50
C907
2.2/50
C905
2.2/50
R924
0.2
R991
1K
R986
1K
R918
2.2K
R917
2.2K
R910
1K
C917
0.022
C918
0.022
R940
1K
C911
47P
C912
47P
C913
15P
C914
15P
R939
1K
R990
220K
R992
39K
R989
150K
R988
10K
R912
56K
R911
56K
R915
1K
C991
47/50
R937
2.2K
C915
100
D901
1SS133
R938
2.2K
C992
47/50
C916
100
R916
1K
R987
100
R993
100
R922
0.2
R923
0.2
R921
0.2
C993
10/50
IC901
STK48802

Related product manuals