EasyManua.ls Logo

Sharp CD-C470HCD-C470E - Page 28

Sharp CD-C470HCD-C470E
79 pages
Print Icon
To Next Page IconTo Next Page
To Next Page IconTo Next Page
To Previous Page IconTo Previous Page
To Previous Page IconTo Previous Page
Loading...
CD-C470H,C470E,C480H/CP-C470H,C470E,C480H
– 28 –
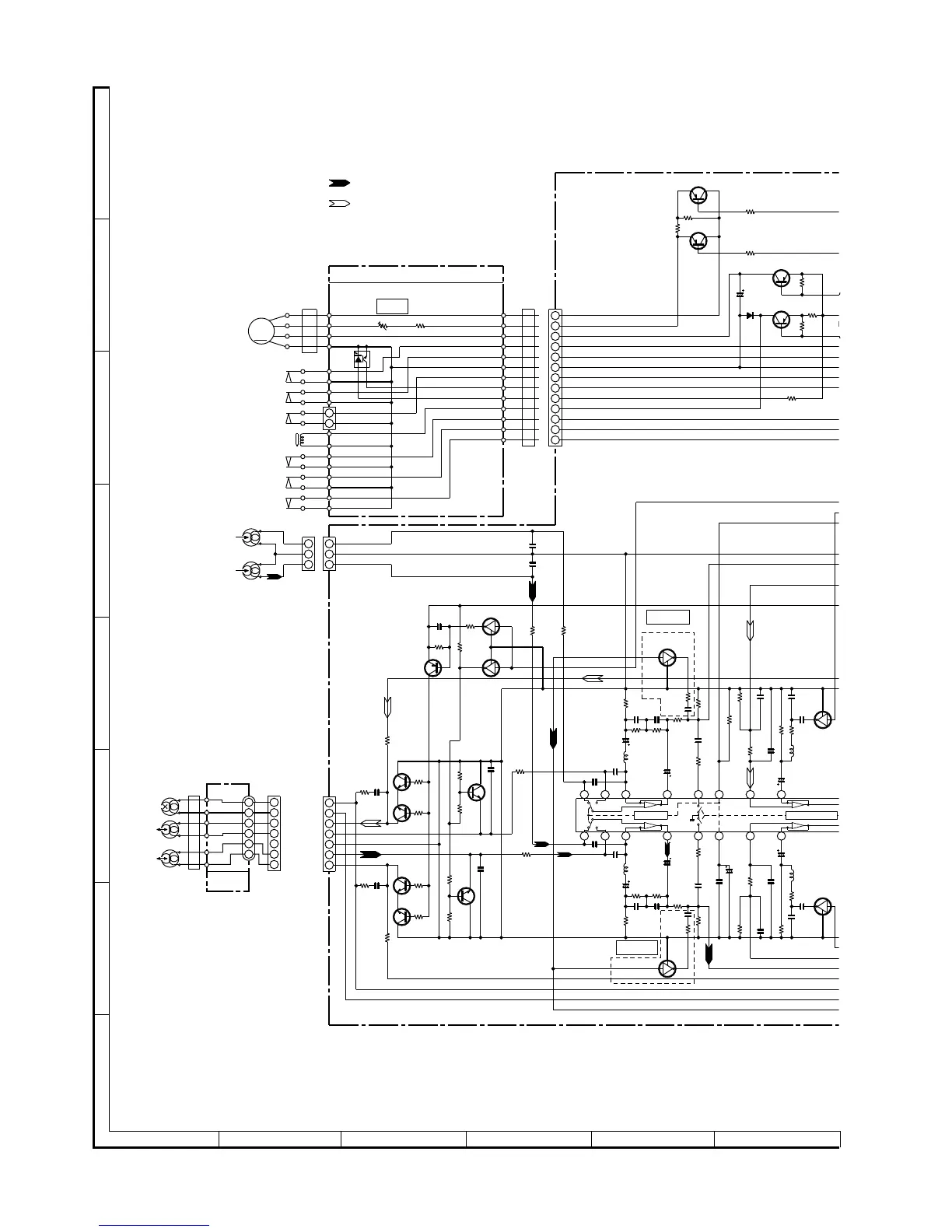
Figure 28 SCHEMATIC DIAGRAM (7/14)
A
B
C
D
E
F
G
H
1
23456
• NOTES ON SCHEMATIC DIAGRAM can be found on page 18.
7
6
5
4
3
2
1
6
5
4
3
2
1
+B
+B
+B
3
2
1
M
13
12
11
10
9
8
7
6
5
4
3
2
1
3
2
1
+B
+B
24 23 21
20
22
19 18 17
87654321
7
6
5
4
3
2
1
RECORD SIGNAL
PLAYBACK SIGNAL
TAPE1
PLAYBACK HEAD
L-CH
R-CH
TAPE1_L
A_GND
TAPE1_R
1
13
MOT L
MOT H
MOT +B
CAM SW
M_GND
F.A.S.
RUN PULSE
+B
SOLENOID
REC RVS
REC FWD
T2 CrO
2
T1 CrO2
TAPE MECHANISM PWB-F
TAPE
SPEED
+
H
L
4
1
T2 CrO
2
T1 CrO2
REC RVS
SOLENOID
F.A.S.
CAM
REC FWD
TAPE
MOTOR
T2 CrO
2
T1 CrO2
REC RVS
SOLENOID
+B
F.A.S.
M_GND
CAM SW
REC FWD
MOT +B
MOT H
MOT L
RUN PULSE
3
32
2
1
1
CD-C480H
ONLY
CD-C480H
ONLY
3
2
1
32
1
32
1
+
+
Hich=T1
+
+
3
2
1
SWITCHIN
G
REC/P.B.
REC/P.B.
REC/P.B.
REC/P.B.
DRIVER
DRIVER
MOTOR DRIVER
DRIVER
SWITCHING
Hich=CHROME
D_GND
TAPE2_L2
TAPE2_L1
A_GND
TAPE2_R2
TAPE2_R1
D_GND
ERASE
ERASE
HEAD
HEAD
PWB-H
TAPE2
RECORD/
PLAYBACK
HEAD
R-CH
L-CH
FLEXIBLE
PWB
RM11
2.2K
RM10
1.2K
RM08
10K
R
M
2
.
DM02
1SS133
QM03
KTA1271Y
RM07
10
CM01
47
QM02
KTA1273Y
R
M
2
RM05
10K
QM05
KTA1266GR
RM12
33K
RM03
33K
QM01
KTA1266GR
RM02
6.8K
CNS101
FWM1
VRM1
3.3K(B)
RM1
2.7K
SWM4
SWM2
SWM1
SOLM1
SWM5
CNPM2
SWM6
SWM3
FWM2
MM1
PHM1
WTM1
CNP101
C126
0.01
R130
8.2K
C121
1/50
R127
8.2K
C101
680P
C102
680P
R102
1K
R101
1K
R118
1K
C136
0.022
C140
0.0033
C134
22/25
R134
68K
C130
470P
R136
1.8K
R117
1K
C128
3.3/50
R139
560
C129
470P
R135
1.8K
C107
680P
C108
680P
R109
4.7K
Q107
KTC3199 GR
R103
2.2K
R105
3.3K
Q103
2SC1845 F
Q106
2SC1845 F
R107
47K
Q105
2SC1845 F
R104
2.2K
R106
3.3K
Q104
2SC1845 F
R111
15K
R114
10K
Q110
KRC104 M
R113
10K
R115
4.7K
Q109
KTA1266 GR
Q111
KRC104 M
C109
0.022
R129
8.2K
R123
4.7K
C119
560P
C117
0.033
R121
100K
C111
330P
C113
330P
R140
560
R138
6.8K
R132
33K
C122
1/50
R120
56
C116
47/16
L108
2.2µH
C133
22/25
R137
6.8K
C127
0.022
R131
33K
R119
56
C115
47/16
L107
2.2µH
C112
330P
C114
330P
R126
5.6K
C120
560P
R124
4.7K
R122
100K
C118
0.033
C132
0.001
R142
47
L102
1.8mH
L101
1.8mH
R141
47
C135
0.022
C131
0.001
R125
5.6K
C125
0.01
Q114
KRC104 M
Q113
KRC104 M
Q115
KRC104 M
C137
0.018
C138
0.018
Q116
KRC104 M
R112
15K
C106
330P
C105
330P
R191
1K
C123
0.01
R128
8.2K
C124
0.01
R192
1K
CNP102
R108
47K
Q108
KTC3199 GR
R110
4.7K
CNS102
BI102

Related product manuals