EasyManua.ls Logo

Sharp CD-C492 - Page 42

Sharp CD-C492
88 pages
Print Icon
To Next Page IconTo Next Page
To Next Page IconTo Next Page
To Previous Page IconTo Previous Page
To Previous Page IconTo Previous Page
Loading...
CD-C492/492C
– 42 –
A
B
C
D
E
F
G
H
1
23456
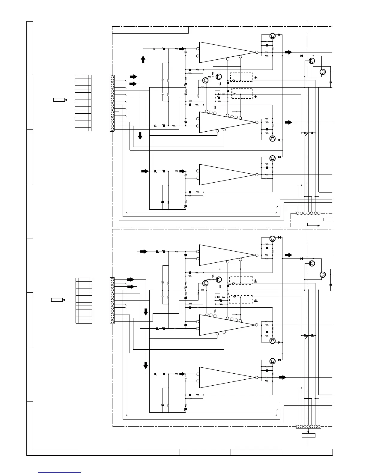
Figure 42 SCHEMATIC DIAGRAM (17/20)
• NOTES ON SCHEMATIC DIAGRAM can be found on page 19.
RV21
56K
RV19
270
CV19
100/50
RV13
56K
CV15
470P
RV14
56K
CV16
470P
RV20
270
CV20
100/50
RV22
56K
CV22
15P
RV24
1K
CV21
15P
RV23
1K
CV18
47P
RV18
1K
CV14
2.2/50
CV12
2.2/50
RV32
1K
RV30
0.2(1W)
CV26
0.022
RV26
100(1/2W)
CV24
47/50
4
3
6
7
CV11
2.2/50
CV13
2.2/50
RV17
1K
CV17
47P
RV31
1K
RV29
0.2(1W)
CV23
47/50
RV25
100
(1/2W)
5
11
CV28
47/50
RY14
56K
RY15
270
CY16
100/50
RY11
56K
CY13
470P
CY15
15P
RY13
1K
CY11
2.2/50
CY12
2.2/50
RY12
1K
CY14
47P
RY17
1K
RY16
0.2(1W)
CY17
0.022
18
20
17
QV1
KTC319
9
DV15
1SS133
QV18
KTC3199 GR
RX21
56K
RX19
270
CX21
100/50
RX13
56K
CX15
470P
RX14
56K
CX16
470P
RX20
270
CX22
100/50
RX22 56K
CX20
15P
RX24
1K
CX19
15P
RX23
1K
CX18
47P
RX16
1K
CX14
2.2/50
CX12
2.2/50
RX32
1K
RX30
0.2(1W)
CX26
0.022
RX26
100(1/2W)
CX24
47/50
10
4
19
3
6
7
CX11
2.2/50
CX13
2.2/50
RX15
1K
CX17
47P
RX31
1K
RX29
0.2(1W)
CX23
47/50
CX25
0.022
RX25
100(1/2W)
5
11
CX28
47/50
RY54
56K
RY55
270
CY54
100/50
RY51
56K
CY53
470P
CY56
15P
RY53
1K
CY51
2.2/50
CY52
2.2/50
RY52
1K
CY55
47P
RY58
1K
RY56
0.2(1W)
CY57
0.022
18
17
20
QX1
6
KTC319
9
DX15
1SS133
QX15
KTC3199 GR
RV38
10K
RV37
47K
QV16
KTC3199 GR
1
RV36
22K
RV35
2.2K
QV17
KTA1268 GR
RV34
15K
RV33
10K
2
DV21
1SS133
RV71
820
CV27
0.001/6.3
RV63
120K
1
2
14
RX37
47K
RX38
10K
QX18
KTC3199 GR
RX55
10K
CX27
0.001/6.3
RX33
120K
RX35
2.2K
RX36
22K
RX34
15K
QX17
KTA1268 GR
DX21
1SS133
RX71
820
CV25
0.022
RV27
10K
QV13
KTC3199 GR
DV13
1SS133
RV69
0.2(1W)
RV28
10K
QV14
KTC3199 GR
DV14
1SS133
RV70
0.2(1W)
RY18
10K
QY11
KTC3199 GR
DY11
1SS133
RY26
0.2(1W)
RX27
10K
QX13
KTC3199 GR
DX13
1SS133
RX69
0.2(1W)
RX28
10K
QX14
KTC3199 GR
DX14
1SS133
RX70
0.2(1W)
RY57
10K
DY51
1SS133
QY51
KTC3199 GR
RY66
0.2(1W)
16
15
9
13
19
10
14
12
8
16
15
9
13
12
8
CV30
3300/50
CV29
3300/50
CX30
3300/50
CX29
3300/50
ICV01 –B
STK407-2
POWER AMP
ICV01 –A
POWER AMP
ICV01 –C
POWER AMP
ICX01 –A
STK407-2
POWER AMP
ICX01 –B
POWER AMP
ICX01 –C
POWER AMP
Fusible
Fusible
Fusible
Fusible
RELAY4
OUT6
S.W
CENTER
FR
GND(M)
OUT4
OUT5
GND(A)
FAN SW
RELAY3
VOL2SW
PROT
SU
AMP
RELAY2
OUT3
GND(A)
VOL2SW
RELAY1
FAN CONT
SP LEVEL
GND(M)
FAN SW
+12V(M)
H/P SW
POSISTOR
PROT
AMP
16
15
14
13
12
11
10
CFWV11
9
8
7
6
5
4
3
2
1
TO MAIN PWB
P29 12-D
CFWP1
FWP1
+B
+VCC
+VCC
GND
GND
–VCC
–VCC
GND
1
CNPV12
2 3 4
5
6
7
CNS90
TO PO
W
P4
4
SPEAKER AMP. 2 PWB-F2
TO MAIN PWB
P29 12-B
9
8
7
6
5
4
3
2
1
13
12
11
10
CFWX11
+B
FWP2
CFWP2
POSISTOR
+12V(M)
1
CNPX12
2 3 4
5
6
7
+VCC
+VCC
GND
GND
–VCC
–VCC
GND
CNS904
TO POWER PWB
P44 4-A
+B
OUT1(L-CH)
OUT2(R-CH)

Related product manuals