EasyManua.ls Logo

Sharp CD-C492 - Page 43

Sharp CD-C492
88 pages
Print Icon
To Next Page IconTo Next Page
To Next Page IconTo Next Page
To Previous Page IconTo Previous Page
To Previous Page IconTo Previous Page
Loading...
– 43 –
CD-C492/492C
7
8 9 10 11 12
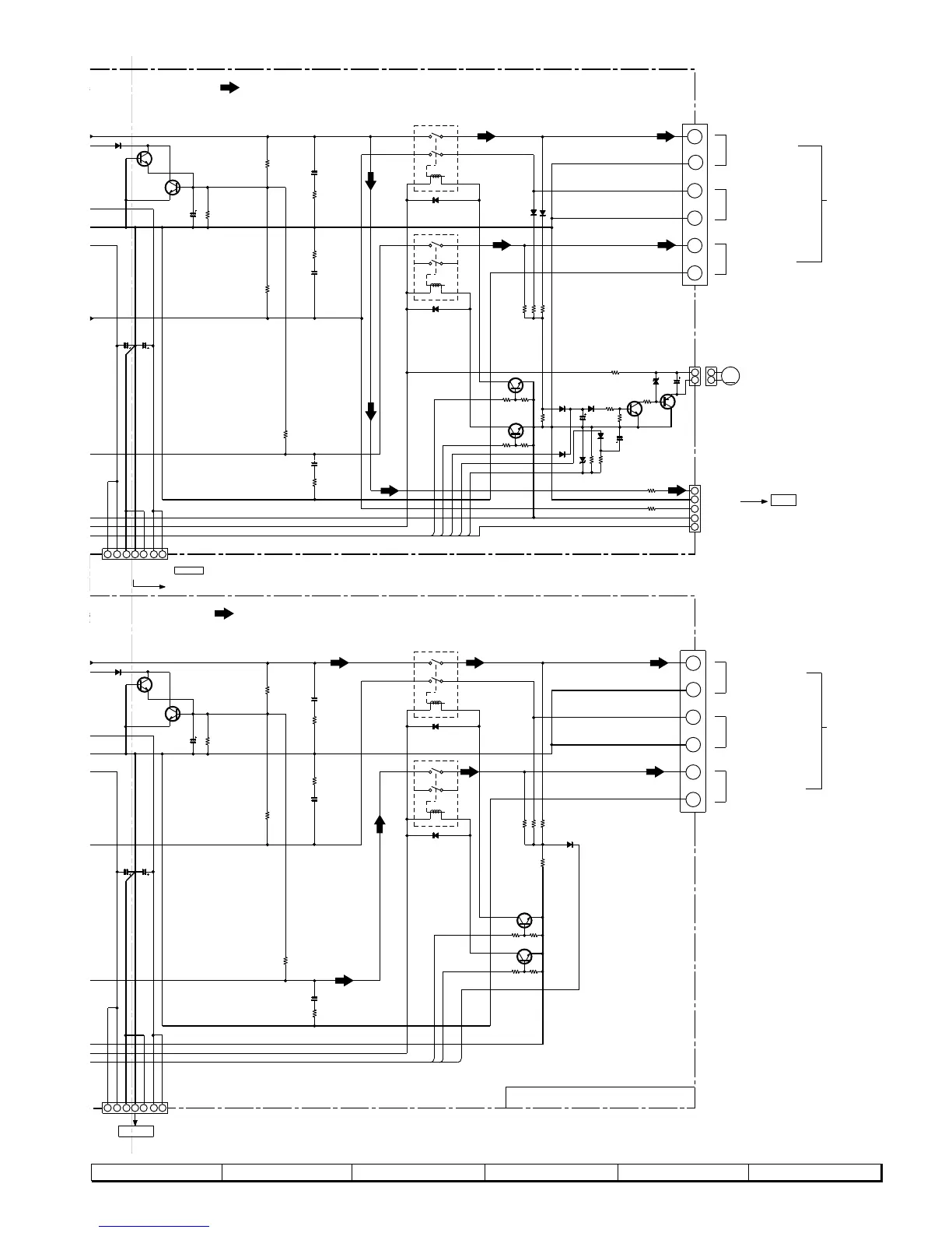
Figure 43 SCHEMATIC DIAGRAM (18/20)
RV41
56K
CV33
0.047(ML)
RV44
4.7(1/2W)
CV34
0.047(ML)
RV42
56K
RV51
330(1/2W)
RV52
330(1/2W)
RLYV11
DV17
1SS133
RLYY11
DY12
1SS133
RV60
47K
RV55
47
CV28
47/50
RV40
56K
QV19
KTC3199 GR
DV15
1SS133
QV18
KTC3199 GR
RY19
56K
RX41
56K
CX33
0.047(ML)
RX43
4.7(1/2W)
RX44
4.7(1/2W)
CX34
0.047(ML)
RX42
56K
RLYX11
DX16
1SS133
RLYY51
DY52
1SS133
CX28
47/50
RX40
56K
CY59
0.047(ML)
RY60
4.7(1/2W)
QX16
KTC3199 GR
DX15
1SS133
QX15
KTC3199 GR
RY59
56K
RY23
22K
RV54
22K
RV53
22K
QY12
KTC3199 GR
RY22
47K
RY21
3.3K
QV22
KTC3199 GR
RV61
47K
RV62
3.3K
DX17
1SS133
QY52
KTC3199 GR
RY63
47K
RY62
3.3K
QX20
KTC3199 GR
RX50
47K
RX51
3.3K
3
3
3
4
3
3
3
3
3
4
3
3
CV47
47/25
QV20
KTA1270 Y
ZDV12
MTZJ6.2B
RV56
3.9K
QV21
KTC3199 GR
DV20
1SS133
DV19
1SS133
DV25
1SS133
DV23
1SS133
DV24
1SS133
CV48
10/50
ZDV11
MTZJ5.1B
RV59
100K
RV58
10K
DV22
1SS133
RV57
4.7K
RV72
22K
CV49
100/50
CV30
3300/50
CV29
3300/50
CX30
3300/50
CX29
3300/50
RV43
4.7(1/2W)
HP-R-CH
HP-L-CH
GND(A)
H/P SW
+
+
+
M901
H/P SW
GND(M)
+
+
+
RELAY1
RELAY2
RELAY3
RELAY4
FAN CONT
FAN SW
+B
TMV01
FRONT SPEAKER
L-CH
FRONT SPEAKER
R-CH
CENTER SPEAKER
8 OHMS
CNPV11
M
1
CNS901
2
1
2
+B
+B
1
WTV11
2
3
4
5
FW91
FAN SW
SP LEVEL
+B
CY19
0.047(ML)
RY20
4.7(1/2W)
+VCC
+VCC
GND
GND
–VCC
–VCC
GND
1
CNPV12
2 3 4
5
6
7
CNS903
TO POWER PWB
P44 5-A
+B
RY61
22K
RX54
22K
RX53
22K
RX52
27K
8 OHMS
SURROUND SPEAKER
L-CH
SURROUND SPEAKER
R-CH
SUB WOOFER
TMX11
SPEAKER AMP.1 PWB-F1
1
CNPX12
2 3 4
5
6
7
+VCC
+VCC
GND
GND
–VCC
–VCC
GND
CNS904
TO POWER PWB
P44 4-A
+B
TO HEADPHONE PWB
P38 1-A
FM SIGNAL
FM SIGNAL

Related product manuals