EasyManua.ls Logo

Sharp CD-C492 - Page 44

Sharp CD-C492
88 pages
Print Icon
To Next Page IconTo Next Page
To Next Page IconTo Next Page
To Previous Page IconTo Previous Page
To Previous Page IconTo Previous Page
Loading...
CD-C492/492C
– 44 –
A
B
C
D
E
F
G
H
1
23456
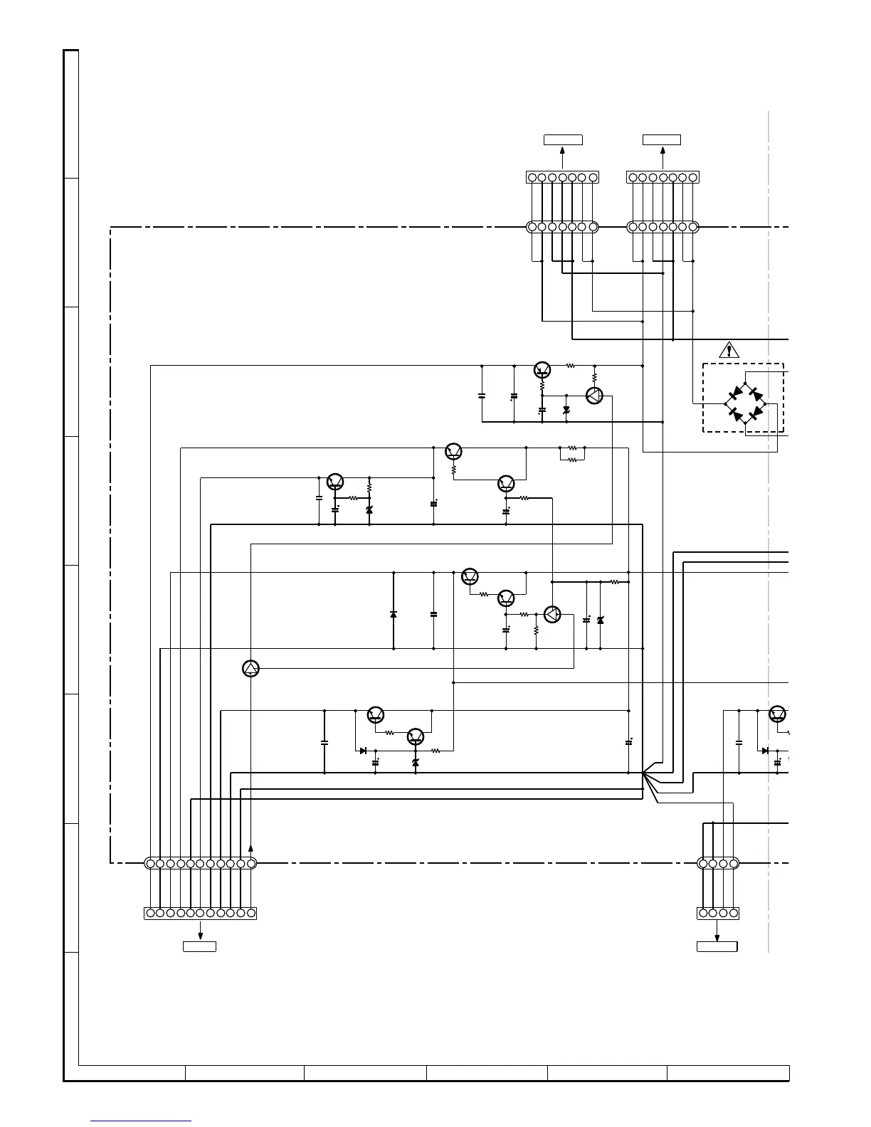
Figure 44 SCHEMATIC DIAGRAM (19/20)
• NOTES ON SCHEMATIC DIAGRAM can be found on page 19.
D991
KBU1003
Q908
KTC3199 GR
Q909
2SD2012
C919
4700/25
Q905
KTC3199 GR
C908
47/25
R909
1K
R908
33K
Q906
2SD2012
C910
47/25
R911
560
D901
1SS133
Q904
KRA107 M
C907
220/25
ZD903
MTZJ13C
R907
560
Q902
2SD2012
Q901
KTC3199 GR
R902
1K
C903
47/25
C904
47/25
R906
100
Q903
2SD468 C
C905
47/25
R904
1.5K
ZD902
MTZJ5.6A
ZD904
MTZJ8.2C
D905
1SS133
Q911
2SD20
1
C
9
1
0
D906
1SS133
R903
47
R910
150
R912
47
R914
47
Q907
KRA102 M
R917
4.7K
Q914
KRC107 M
C902
47/25
R901
150
(3W)
R918
100
C920
47/25
Q913
2SB1375
ZD901
MTZJ13A
R919
3.9(1/2W)
R920
3.9(1/2W)
C906
0.022
C901
0.022
C911
0.022
C915
0.022
C909
0.022
1
+7.3V(CD)
+12V(A)
+12V(M)
+4.6V(D)
GND(D)
GND(M)
+5V(AC3)
CD GND(D)
GND
CD GND(D)
+VCC
–VCC
–VCC
+VCC
GND
–VCC
–VCC
GND
GND
GND
+VCC
+VCC
GND
GND
CNS904
1
CNS903
23
4
5
6
7
23
4
5
6
7
1
1234
5
6
7
234
5
6
7
BI903
BI904
CNPX12
TO SPEAKER
AMP.1 PWB
P42 6-H
CNPV12
TO SPEAKER
AMP.2 PWB
P43 7-D
–B
+B
+B
+B
1
-12.3V
-22.7V
-13.0V
-12.8V
-2.1V
35.7V
-35.5V
2
3
–B
–B
+B
GND(D3)
GND(D4)
1
1
2
2
3
34
VGND
+5V(AC32A)
4
CNS902
BI902
1
2
3
+B
+B
+B
+B
+B
POWER
+7.3V(CD)
+4.6V(D)
GND(M)
+12V(M)
+12V(A)
–12V(A)
–B
CD GND(D1)
CD GND(D2)
GND(A)
GND(D)
CNS901
2
3
4
5
6
7
8
9
10
11
1
2
3
4
5
6
7
8
9
10
11
1
BI901
CNPP1
TO MAIN PWB
P29 12-E
1
2
3
TO MAIN PWB
P29 12-F
CNPP02
16.2V12.0V
12.8V
13.3V
12.0V
4.8V
5.4V
16.9V
16.9V
13.3V
13.4V
1.2V
13.4V
12.0V
12.8V
12.6V
@@@@@
1.2V
-2.1V
0V
7.1V
16.9V
16.9V
7.8V
8.3V
7.7V
5.4V
1
0
6.1V

Related product manuals