EasyManua.ls Logo

Sharp CD-C612 - Block Diagrams and Voltage Charts

Sharp CD-C612
60 pages
Print Icon
To Next Page IconTo Next Page
To Next Page IconTo Next Page
To Previous Page IconTo Previous Page
To Previous Page IconTo Previous Page
Loading...
CD-C612
– 15 –
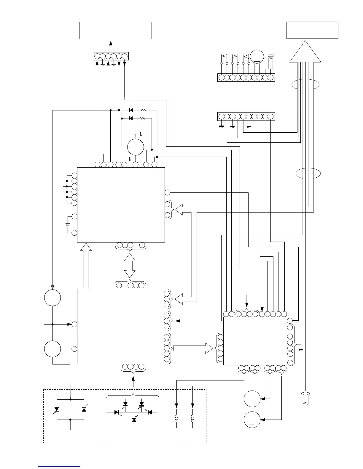
Figure 15 BLOCK DIAGRAM (1/3)
27
1
2
3
4
1
6
7
18244020
45
15
23
16 26
27
2
25
20
3839284142 37 36
PU-IN SW
XL1
16.93MHz
XIN
LD0
FIN2
JP–
CV+
SLC
SL1
FIN1
E
F
TO
FD
SPO
SP
SLD
SL–
SL+
DRF
CL
DAT
CE
VCC1
5
+5V
SW4
PICKUP IN
FOCUS COIL
TRACKING COIL
M1
SPINDLE
MOTOR
M
M
M2
SLED
MOTOR
PICKUP UNIT
9
IC2
LC78622N
SERVO/SIGNAL
CONTROL
+B1
IC3
M63001FP
FOCUS/
TRACKING/
SPIN/SLED
DRIVER
IC1
LA9241M
SERVO AMP.
/RES. /CQCK. COIN
SQOUT. RWC. WRQ
~
~
~
CL, DAT, SELIAL CONTROL/CE
Q51
SL+. SL–. DRF
9
8
7
6
5
4
3
2
1
GND (D)
MECHA UP
GND (D)
DISK NO.
OPEN/CLOSE
GND (D)
M–
M+
9
8
7
6
5
4
3
2
1
CNP10
M
+5V
+B1
62
64
45
36
23
43
37
36
38
40
24 25
10
1
2
3
4
56
10
26
58
53
10
12
20
32 40 43 44
53
52
51
54
31
30
29
23
27
16
15
41
44
Q1
Q52
+4.3V
+7V
VOLTAGE
REGULATOR
TO MAIN SECTION
(TO IC601)
XOUT
EFMO
EFMIN
CLV+
JP–
CONT2
CONT1
LCHO
LVDD
LVSS
RCHO
ISET
VDD
LVDD
RVDD
XVDD
SW1
OPEN/CLOSE
SW2
MECHA UP
SW3
DISC NUMBER
M3
TURNTABLE
UP/DOWN
LOADING
MOTOR
SOLM2
SOLENOID
TO DISPLAY
SECTION
CNS10
+B5
CNP11
RVSS
39
CONT4
SWITCHING
REGULATOR
LASER DRIVER
6
VVDD
CONT3
17
+
SOL–
SOL+
8
29
35
14
~
~
21
22

Related product manuals