EasyManua.ls Logo

Sharp CD-C612 - Page 22

Sharp CD-C612
60 pages
Print Icon
To Next Page IconTo Next Page
To Next Page IconTo Next Page
To Previous Page IconTo Previous Page
To Previous Page IconTo Previous Page
Loading...
CD-C612
– 22 –
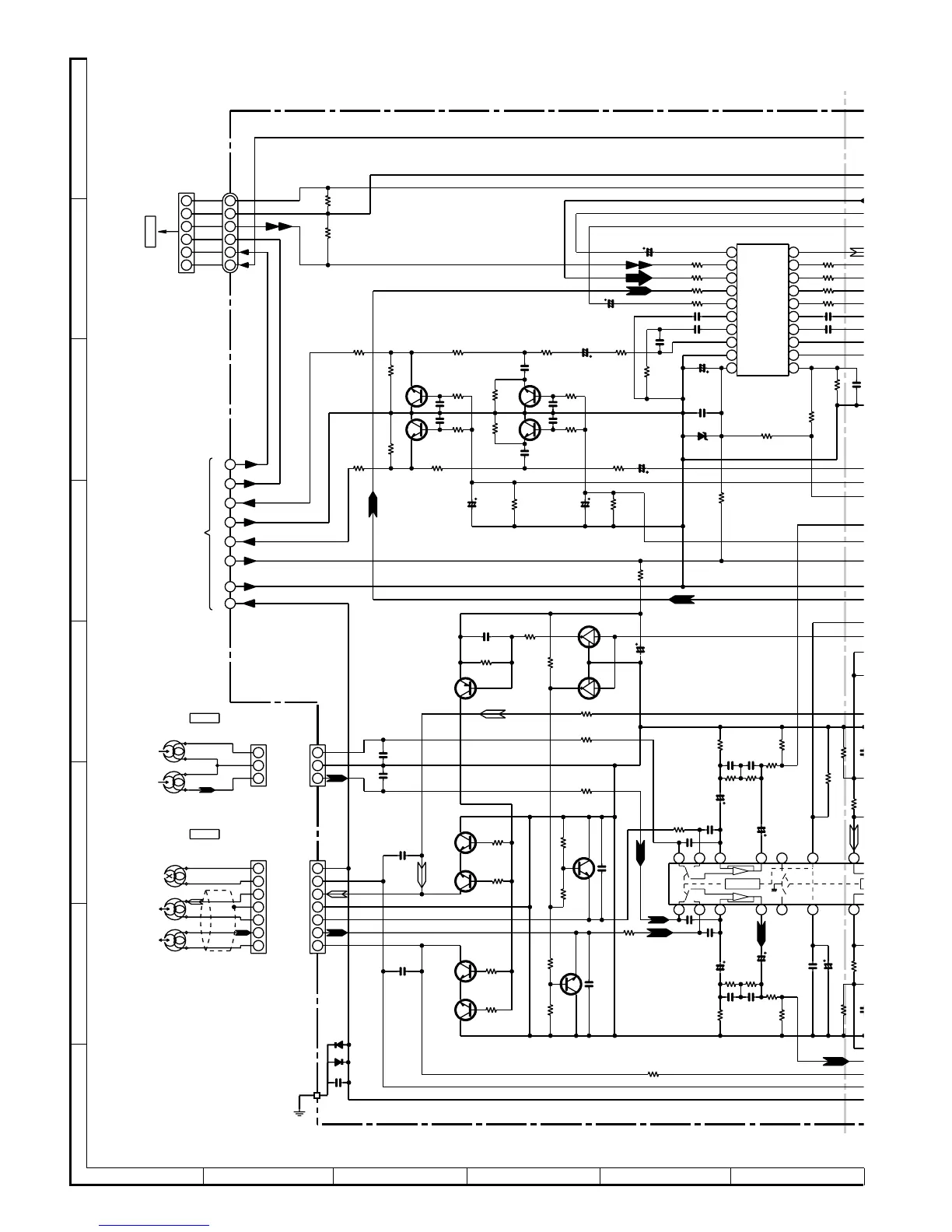
Figure 22 SCHEMATIC DIAGRAM (5/10)
A
B
C
D
E
F
G
H
1
23456
• NOTES ON SCHEMATIC DIAGRAM can be found on page 13.
C116
220/10
R610
10K
R623
5.6K
C619
0.022
ZD601
MTZJ2.4B
R629
560
(1/4W)
R603 1.5K
R605 1.5K
R607 1.5K
R601 1.5K
R608 1.5K
R602 1.5K
R606 1.5K
R604 1.5K
R646
100K
R645
100K
C634
0.0047
C624
0.001
R618
2.2K
Q601
2SC3331
C623
0.001
R617
2.2K
Q602
2SC3331
C635
0.0047
R625
22K
C629
22/25
R616
2.7K
R615
2.7K
R636
330K
R635
330K
R647
2.7K
R648
2.7K
C627
22/25
C601
4.7/50
IC101
AN7345K
PLAYBACK AND
RECORD/PLAYBACK AMP.
C115
220/10
R101
1K
C108 0.001
Q108
2SC3331
R108
47K
R110
4.7K
R109
4.7K
R112
10K
R135 15K
C129 120P
C113
330P
C127
0.022
C128
3.3/50
C131
R114
10K
Q110
KRC104 M
Q111
KRC104 M
R111
10K
R137
6.8K
C121
1/50
R123
4.7K
C119
180P
C117
0.033
C130
R136
15K
R134
68K
C132
R138
6.8K
R132
33K
R120
22
C120
180P
R126
1K
R102
1K
C111
330P
C153
100/16
R155
150
C614 0.22
C612 0.033
R612
15K
C616 4 7P
C617
10/50
IC601
M62439SP
AUDIO PROCESSOR
9
10 11
12
13
14
15
16
17
18
19
20
8
7
6
5
4
3
2
1
C613 0.22
C611 0.033
C615
0.22
R609
2.2K
R621
10K
R611
330
Q603
2SC3331
C625
0.001
R115
4.7K
R104
2.2K
R106
3.3K
R105
3.3K
R103
2.2K
R113
10K
C109
0.047
Q109
2SA1318
Q106
KTC3200 GR
Q104
KTC3200 GR
Q105
KTC3200 GR
Q103
KTC3200 GR
C102
0.001
C101
0.001
C105
180P
C106
180P
CNP102
CNP101
R119
22
C118
0.033
R122
100K
R124
4.7K
C122
1/50
C114
330P
R118
1K
C112
330P
Q107
2SC3331
R107
47K
C107
0.001
R125
1K
R121
100K
R131
33K
R619
2.2K
Q604
2SC3331
R620
2.2K
C626
0.001
R622
10K
C622
0.1/50
R614
10K
CNS11
+12V
+7V
CD_GND
L-CH
A_GND
R-CH
TAPE1_R
TAPE1_L
A_GND
A_GND
M_GND
ERASE
TAPE2_R2
TAPE2_R1
TAPE2_L1
9.3V
8.6V
9.3V
0V
3.4V
0V
0V
0V
0V
0.7V
0V
0.7V
0V
0.7V
0V
0V
0V
0.7V
0V
0V
0
0
R-CH
L-CH
7
6
5
4
3
1
2
1
3
2
BI601
L
A_GND
R
A_12V
A_GND
M_GND
CD_+B
CD_GND
TO POWER SECTION
P24 1-E
+
Hich=T1
+
H
112K
112K
18192021222324
7
6
5
4 3 2 1
1
3
2
7
6
5
4
3
1
2
PLAYBACK
HEAD
TAPE1
TAPE2
RECORD/
PLAYBACK HEAD
CNS102
CNS101
R613
10K
C621
0.1/50
R628
22K
1
2
3
4
5
6
5
6
4
3
2
1
TO CD SERVO PWB
P19 12-B
CNP11
+B
C603
4.7/50
R117
1K
+B
+B
1
2
1
2
3
3.4V
0V
0V
0V
R-CH
L-CH
ERASE HEAD
1
2
3
4
5
6
7
8
TAPE2_L2
3
C972
0.01
D905
1SS133
D906
1SS133

Related product manuals