EasyManua.ls Logo

Sharp CD-DH790N - Advanced Disc Playback Techniques; Random Playback Mode; Programmed Playback for MP3;WMA; Programmed Playback for CDs

Sharp CD-DH790N
86 pages
Print Icon
To Next Page IconTo Next Page
To Next Page IconTo Next Page
To Previous Page IconTo Previous Page
To Previous Page IconTo Previous Page
Loading...
CD-DH790N
4 – 1
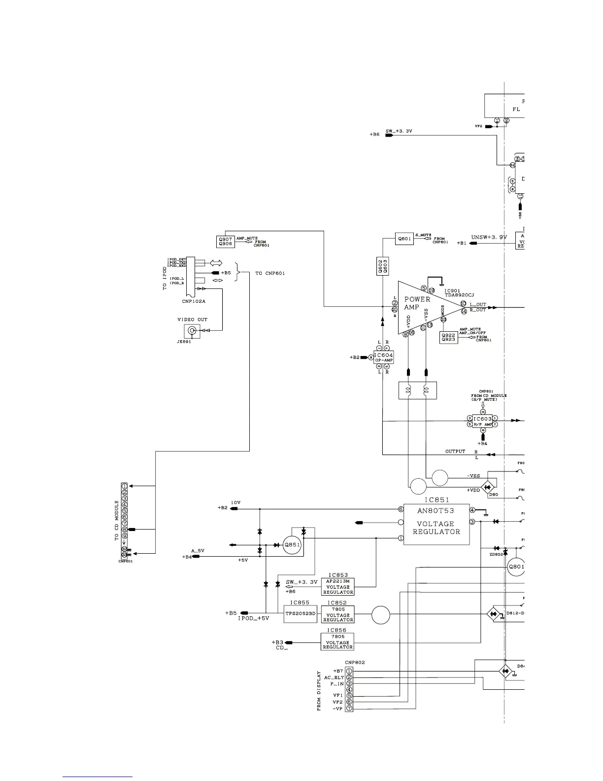
CHAPTER 4. DIAGRAMS
[1] Main Block Diagram
5.6V
L927
R
L
R
L
5A 1
2
5A 1
2
2A
2A
1.6
A
2
2
+13V
SYS_PROTECT
Q852
Q905
Q901
Figure 4-1: MAIN BLOCK DIAGRAM (1/2)

Other manuals for Sharp CD-DH790N

Related product manuals