EasyManua.ls Logo

Sharp CD-DH790N - Page 32

Sharp CD-DH790N
86 pages
Print Icon
To Next Page IconTo Next Page
To Next Page IconTo Next Page
To Previous Page IconTo Previous Page
To Previous Page IconTo Previous Page
Loading...
CD-DH790N
6 – 12
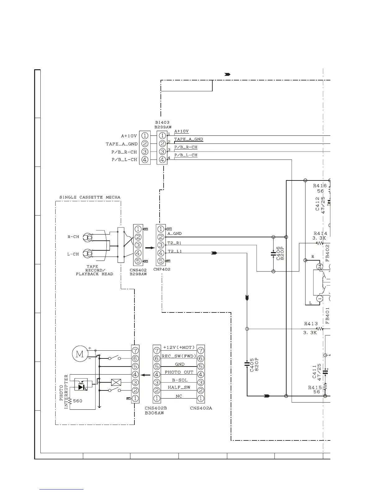
Figure 6-11: TAPE SCHEMATIC DIAGRAM (1/2)
TO SERVO PWB-B
TAPE PWB-A6
TO SERVO PWB-B
PLAYBACK SIGNAL
R1
L1
A
B
C
D
E
F
G
H
1
23456

Other manuals for Sharp CD-DH790N

Related product manuals