EasyManua.ls Logo

Sharp CD-DK2600V - Page 18

Sharp CD-DK2600V
76 pages
Print Icon
To Next Page IconTo Next Page
To Next Page IconTo Next Page
To Previous Page IconTo Previous Page
To Previous Page IconTo Previous Page
Loading...
CD-DK2600V
– 18 –
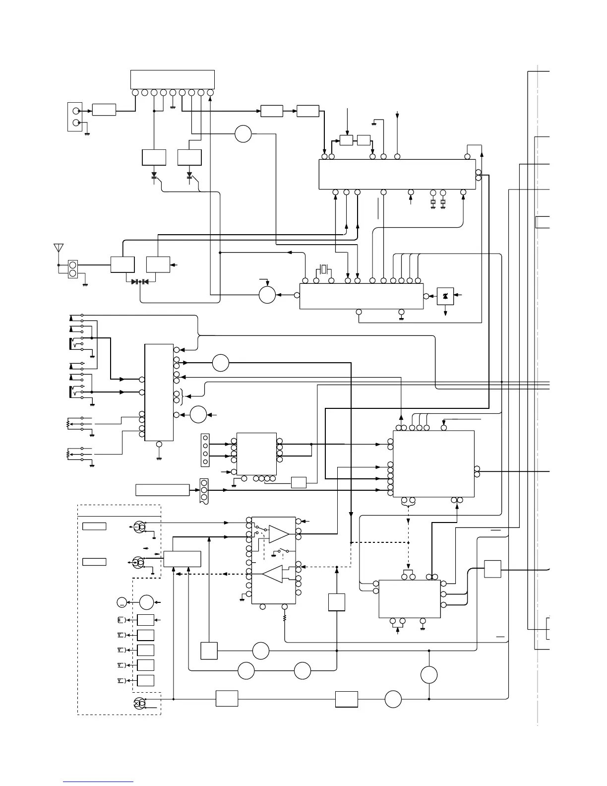
Figure 18 BLOCK DIAGRAM (2/3)
Q706 +B4
+B4
M
Q704
Q705
IC701
54PIN
IC701
53PIN
IC701
56PIN
IC701
55PIN
MM1
TAPE
MOTOR
SOLM1,SOLM2
SOLENOID
SWM2
T2 PLAY
SWM1
T1 PLAY
SWM4
R. PLAY
SWM3
F. PLAY
MOTOR
DRIVER
FM ANTENNA
FM 75
GND
SO301
17
8
456KHz
X351
CF351
FM DET
4
5
9
21
16
21
1 2
24
23
15
20
1
22
13
14
15
12
7 9
11
3
9
4
5
6
10
GND VCCAM IF
FM IN
IC302
LC72131
PLL (TUNER)
IC301
FM FRONT END
OSC
AM IF
AM MIX
AM IN
AM OSC IN
AM RF IN
X352
4.5MHz
T351
+B9
+B9
+B9
+B9
IC303
LA1832S
FM/AM IF MPX.
L
R
STEREO
AM OSC IN
DO
DI
CL
CE
1
24
2
23
3
4
4
21
6
7
17
8
9
16
10
14
12
13
18
H/N
T1/T2
R-CH
L-CH
L-CH
R-CH
P.B
REC
TAPE 2
TAPE 1
TAPE MECHANISM Ass'y
L NF
L(T1)
R(T1)
L(T2)
R(T2)
R NF
L
R
POP REDUCE
L REC
R REC
L
R
REC
P.B.
REC
ALC
NOR/
HIGH
T1/T2
REF
L NF
R NF
PB HEAD
REC/PB HEAD
SWITCHING
Q103~Q106
AC BIAS
IC101
AN7345K
PLAYBACK AND RECORD
/PLAYBACK AMP.
PB
ERASE
HEAD
SWITCHING
BAIS
Q126
Q124
Q128
L104
Q111
Q110
Q109
Q107
Q108
Q121
Q122
Q403
Q404
SWITCHING SWITCHING
MUTING
SWITCHING
+B5
1
2
3
CNS401
FROM CD SECTION
CNP11
17
+B5
+B9
+B5
+B5
+B5
+B5
VOLTAGE
REGURATER
9
1
3
8
6125137
10
14
2
9
4
11
22
23
35
36
31
32
41
40
42
12
13
7
9
4
8
16
10
15
11
14
12
13
8
17
18
7
1
2
75
24
74
34
21 69 25
38
3
IC401
LC75341
AUDIO PROCESSOR
IC201
BU4066BC
SWITCHING
ICK1
M65856SP
MIC AMP.
L
R
L
R
L
R
L
R
L
R
L
L
R
R
TUNER
L
R
VIDEO
TAPE
CD
BAIS
T1/T2
REC
+B5
21
4
9
Q501
Q502
Z
D
FM IF IN
FM IF
FM OSCFM RF
AM ANT. AM OSC
AM BAND
COVERAGE fL
AM
TRACKING fL
FM IF
T302
7
FM
Q360
QK2,3
QK1
Q302
FM +B
VOLTAGE
REGULATOR
CF303
FM+B
MO/ST
FM/AM
BIAS
OCS
15 19
2417812
23
MONO/ST
JK201
VIDEO IN
MIC1 IN
MIC2 IN
VCC
CLOCK
LATCH
LIN
RIN
ROUT
LOUT
DATA
CF352
TA
P
MECH
A
IC501
M62464AFP
DOLBY PRO LOGIC
DECORD
CL
DI
CE
1
2
AM LOOP
ANTENNA
JK1
MIC 1
JK 2
MIC 2
VRK 2
MIC 2
LEVEL
CNP301
BF301
L312
FM B.P.F.
1 2 3 4 5 6 7 8 9
T301
OSC BUFFER
T303 T306
VRK 1
MIC 1
LEVEL
Q127

Related product manuals