EasyManua.ls Logo

Sharp CD-DK2600V - Page 19

Sharp CD-DK2600V
76 pages
Print Icon
To Next Page IconTo Next Page
To Next Page IconTo Next Page
To Previous Page IconTo Previous Page
To Previous Page IconTo Previous Page
Loading...
– 19 –
CD-DK2600V
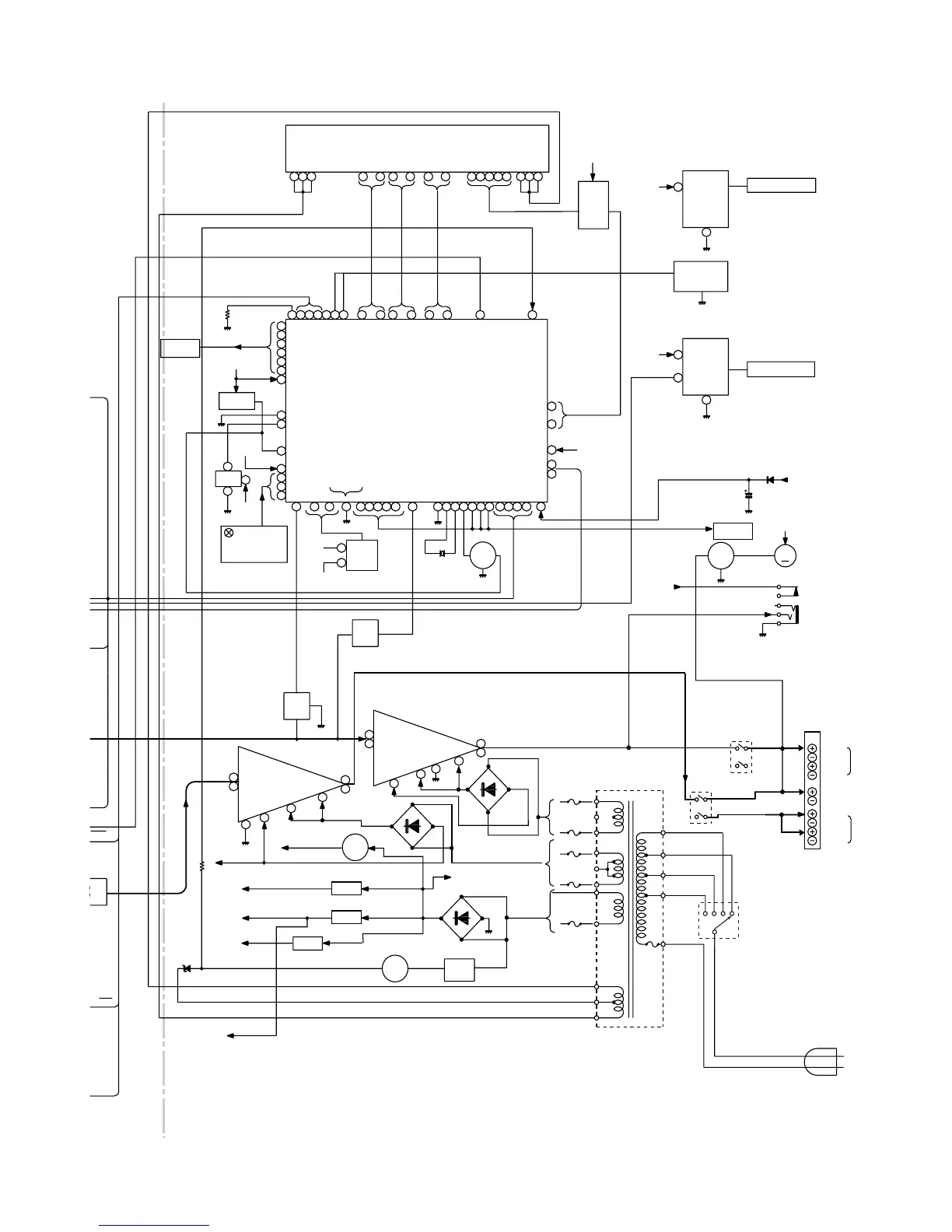
Figure 19 BLOCK DIAGRAM (3/3)
Q709
IC804
IC801
IC802
KIA7810AP
KIA7805P
AN78L05
IC601
IC602
IC603
KIA4558P
OPE AMP.
IC702
BU2092F
VOLUME
VR701
Front
Speaker
Center
Speaker
L-ch
R-ch
L-ch
R-ch
Rear
Speaker
SO901
Speaker Terminal
IC703
BU2092F
~
1 2 3
6
14 5333
27
32
54 55 56
FL701
DISPLAY
9
8
7
24
23
22 21
18
17
1
IC701
IX0360AW
SYSTEM MICROCOMPUTER
VDD
LATCH
MIC IN
+B7
MEMORY
BACK UP
VDD
XL701
4.1943MHz
KEY
SW701~SW713
SW714~SW727
SW728~SW733
+B3
+B7
M
Q910
+B6
TO CD
SECTION
M901
FAN MOTOR
JK601
HEADPHONES
T.F
PT801
POWER
TRONSFORMER
AC POWER
SUPPLY CORD
AC 110/127/220/230-240V,
50/60Hz
+B8
BAIS
VF1
VF2
VROAD
T1/T2
REC
5
D801
D802
D803
~D806
Q804
D807
~D809
D818
2
3
1
4
8
+B7
+B4
–B1
RX701
Q701
Q702
Q703
Q710
Q711
Q712
9
8
7
10
7
10
L-OUT
IC901
STK40271
POWER AMP.
IC902
STK40203
POWER AMP.
–B1
+B3
+B1
L
L
L
R
R
R
9
13
8
–B2
+B2
R-OUT
Q401
Q402
Q503
Q504
Q
501
Q
502
ZD801
+B5
–B3(–15V)
+B4(M+10V)
+B6
+B2
(A+10V)
(CD+5V)
(UNSW+5V)
(SW+5V)
VOLTAGE
REGULATOR
VOLTAGE
REGULATOR
VOLTAGE
REGULATOR
AVDD
SMUTE
~~ ~
1
15
1
15
13
4
101112132154117181920
30 25
27
31
32
33
34
36
39
40
46
56
55
54
53
51
50
91
16
86
57
58
80
100
92 7938
37
5554
535247
VDD
FRONT
F801
T5A L 250V
F802
T5A L 250V
F803
T4A L 250V
F804
T4A L 250V
F805
T2A L 250V
15
16 24 2625
+B7
+B7
+B7
LED712~LED718
18
12
17
+B7
LED701~LED711
IC704
KIA7042P
RESET
TAPE
MECHANISM
+B7
RL902
RL901
230-240V
220V
127V
110V
~
~
78 85
REQ
660
~
~
4
Q823
SW801
VOLTAGE
SELECTOR

Related product manuals