EasyManua.ls Logo

Sharp CD-E99 - Page 15

Sharp CD-E99
44 pages
Print Icon
To Next Page IconTo Next Page
To Next Page IconTo Next Page
To Previous Page IconTo Previous Page
To Previous Page IconTo Previous Page
Loading...
– 15 –
CD-E99
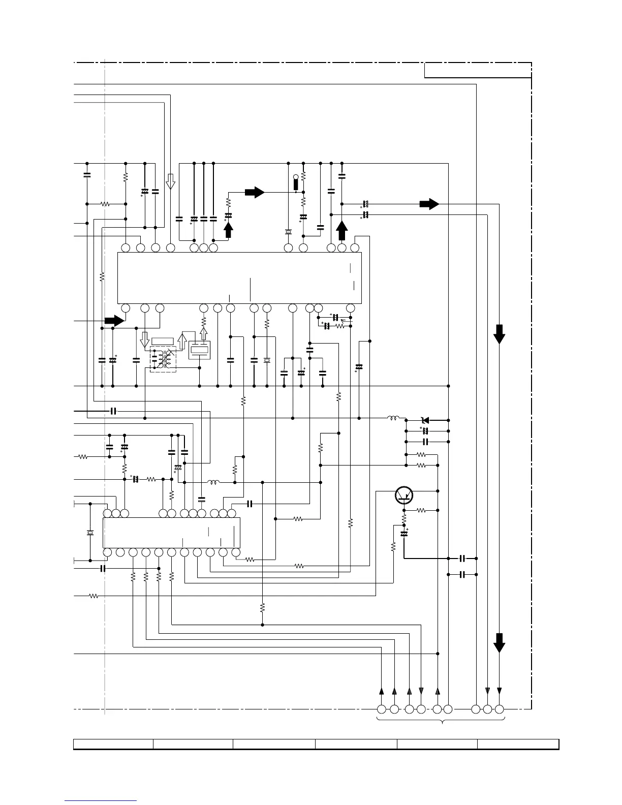
Figure 15 SCHEMATIC DIAGRAM (4/10)
7
8 9 10 11 12
+B
+B
+B
18 19 20
21 22 23
24
16 17
13 14 15
1
1
2
3
2 3 4 5 6 7 8 9
10 11 12
21 20
19
12 13 14
15 16 17 18
1 2 3 4 5
11
10
9 8 7 6
22
DI
CE
SWITCHING
TP302
CONT
IF
FM/AM
FM/AM
SD
MO/ST
ST IND
MO/ST
VSS
AOUT
AIN
PD
VDD
FM IN
AM IN
DO
CL
DI
CE
X IN X OUT
IF IN
REG
AM IF IN
GND
SD
STEREO
FM DET
VCC
IF OUT
PHASE
(FM/AM)
PHASE
L-CH OUT
R-CH OUT
MPX IN
MPX VCO
FM/AM OUT
VSM
AM LOW CUT
AM RF IN
AM OSC IN
FM AFC
AM OSC OUT
AM MIX OUT
FM IF IN
MAIN PWB-A1 (2/3)
AGND
A+10V
DO
CLK
DGND
TUN_R
TUN_L
IC302
LC72131
P13 12 - C
TO MAIN SECTION
45927 6381
+B
C351 0.022
C350 0.022
C352 10/50
R351
5.6K
R352
1K
T351
AM IF
C389 0.001
C397
0.022
R382
150
R381
10K
C392
0.001
C387
0.022
R380
1.5K
C393
1/50
R379
2.2K
C380
10/50
8
1
C
H)
C394
47/25
L351
100 µH
R377
47K
C386
330P
C385
0.01
3
52
M
Hz
8
2
C
H)
R375
470
C383
47P
R372 1K
R374 1K
R373 1K
R378
1K
R386
22K
R395
47K
R376
1K
R360
4.7K
R359
1.8K
R387
5.6K
R384
5.6K
C391
47/25
R383
5.6K
R385
5.6K
Q360
KTA1266 GR
C388
0.001
C384
0.001
R392
270
C395
0.022
C396
100/10
ZD351
DZ5.1BSB
L352
100 µH
CF352
R353
270
C353
0.022
C358
1/50
C357
2.2/50
C356
0.001
C355
22P
R355
3.3K
C370
1/50
C354 0.022
CF351
C399
0.022
C398
100/10
R393
1K
R388
3.9K
C366 0.001
C363 0.022
C364 2.2/25
C365 0.022
C362
3.3/50
C361
0.022
R365
10K
3
42
0
22
R358
3.9K
R357
470K
R350
2.7K
X351
456 kHz
C373
0.015
C368
1/50
R356
1K
C374 0.015
C369
27P
C371
1/50
C372
1/50
C367
1/50
IC303
LA1832S
FM IF DET./FM MPX./AM IF
R391
270
IC302
LC72131
PLL (TUNER)

Related product manuals