EasyManua.ls Logo

Sharp CD-MPX870W - Page 110

Sharp CD-MPX870W
114 pages
Print Icon
To Next Page IconTo Next Page
To Next Page IconTo Next Page
To Previous Page IconTo Previous Page
To Previous Page IconTo Previous Page
Loading...
CD-MPX870W
17
[13]
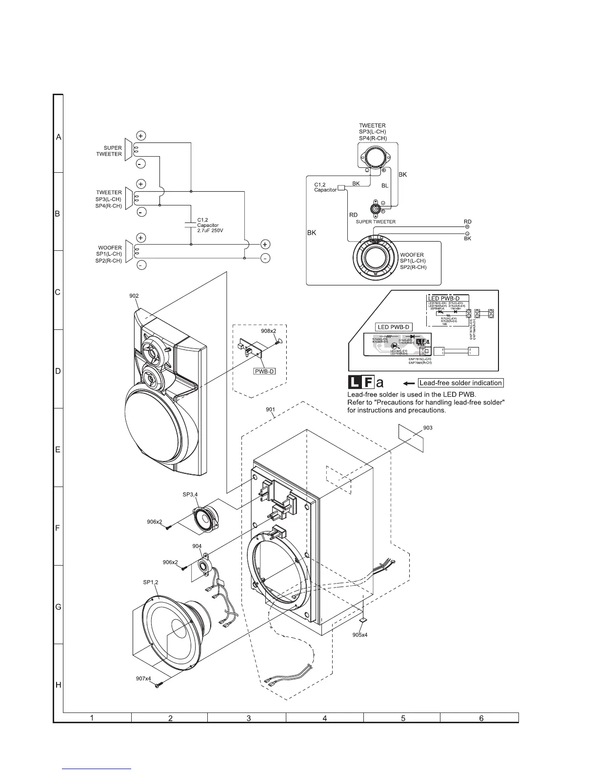
SPEAKERS BOX PARTS

Related product manuals