EasyManua.ls Logo

Sharp CD-MPX870W - Main Block Diagrams

Sharp CD-MPX870W
114 pages
Print Icon
To Next Page IconTo Next Page
To Next Page IconTo Next Page
To Previous Page IconTo Previous Page
To Previous Page IconTo Previous Page
Loading...
CD-MPX870W
4 – 2
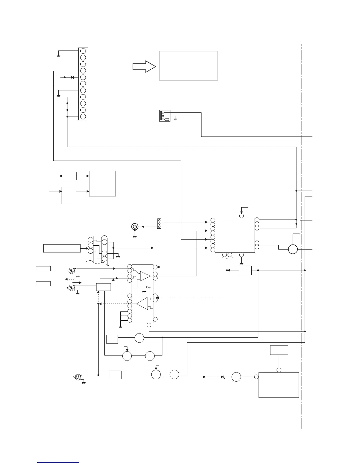
[2] Main Block diagrams
Figure 4-2: MAIN BLOCK DIAGRAM (1/2)
IC101
AN7345K
PLAYBACK AND RECORD/
PLAYBACK AMP.
VF1
AUX
VIDEO
R
L
L
R
JK690
GAME INPUT
JK691
VIDEO OUT
-20dB
ATT
Q101~
Q104
Q107
Q108
REC/PLAY
CLK
CE
DI
+B4
L
R
BIAS
T1/T2
MUTING
P.B.
REC.
AC BIAS
L
L
R
R
R
L
TAPE
TUNERTUNER
CD
P.B.
CNP2
FROM CD SECTION
HEAD
ERASE
SWITCHING
SWITCHING
SWITCHING
BIAS
Q113
Q114
Q112
Q110
ILLUSION
LED
Q702
Q707~
Q709
Q703~
Q706
Q710
Q711
SWITCHING
Q109
BIAS
OSC
Q111
L103
Q105
Q106
REC./P.B.
HEAD
TAPE 2
P.B. HEAD
TAPE 1
R-CH
L-CH
R-CH
L-CH
IC601
LC75341
AUDIO PROCESSOR
+B4
R
L
REC.
R
L
ALC
R REC.
L REC.
POP REDUCE
SWITCHING
L(T2)
R(T2)
R(T1)
L(T1)
21
4
24
2
1
18
11
16
3
15
10
9
7
23
14
12
13
19
7
18
10
43
5
13
21
4
2
24
23
6
9
16
12
11
15
1
H/N
P.B.
REC
T1/T2
T1/T2
NOR/
HIGH
+B4
+B4
+B4
SYSTEM
MUTE
TAPE
MECHANISM
ASS'Y
MOTOR
DRIVER
SOLENOID
DRIVER
+B3
+B3
LED701
JOG701
VOLUME
IC701
IXA101AW
SYSTEM
MICROCOMPUTER
(2/2)
BI601CNS601
1
3
4
1
3
2
TUNER
PACK
UNIT
RTUNSA007AWZZ
1
2
3
4
5
6
7
8
9
10
11
+B4
NC
NO USE
CNP303
CE
DI
CL
DO
CHASIS_GND
L_CH
+9V
R_CH
TUN_SM
FM_DET
CHASIS_GND
Q665
NC
SW601
SPAN SELECTOR
SPAN

Related product manuals