EasyManua.ls Logo

Sharp CD-MPX870W - Chapter 4. Diagrams; CD Block Diagrams

Sharp CD-MPX870W
114 pages
Print Icon
To Next Page IconTo Next Page
To Next Page IconTo Next Page
To Previous Page IconTo Previous Page
To Previous Page IconTo Previous Page
Loading...
CD-MPX870W
4 – 1
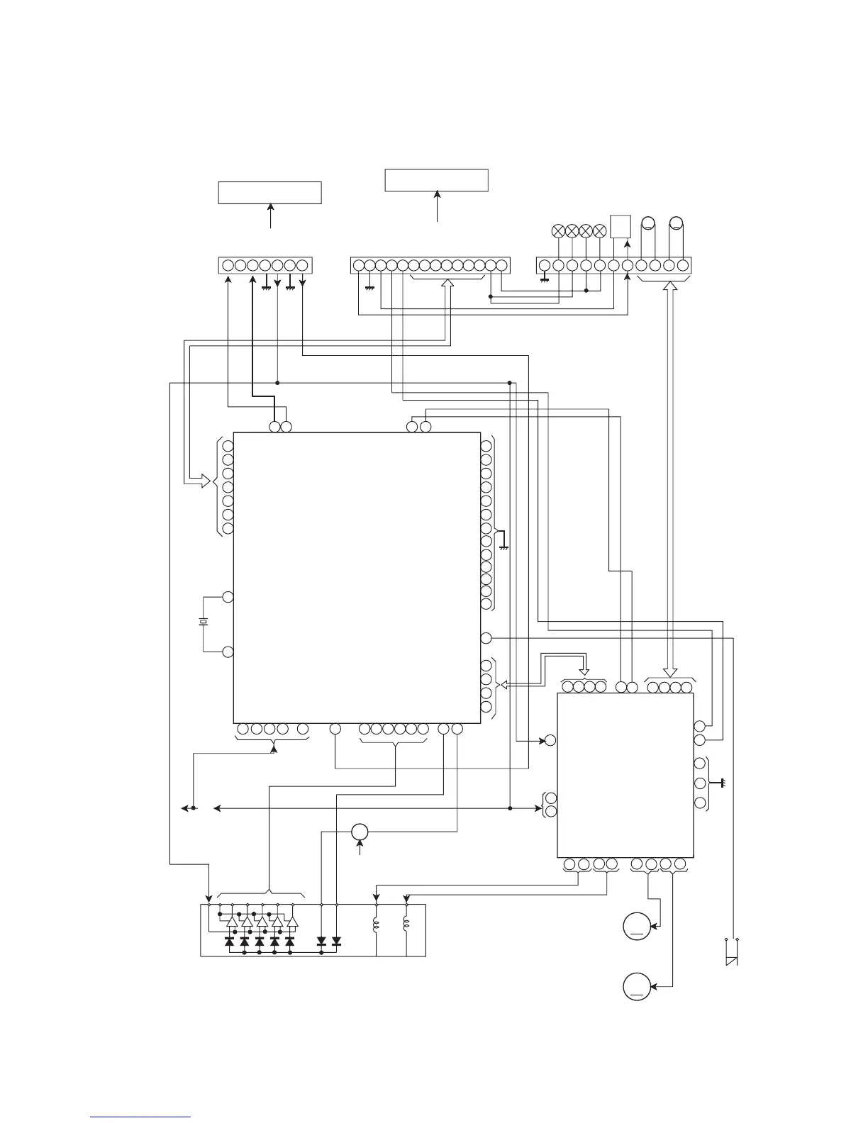
CHAPTER 4. DIAGRAMS
[1] CD Block diagram
Figure 4-1: CD BLOCK DIAGRAM
18 1968
5251
74
7875
76 876521
37
26
20
40
32
24
25
22
23
54
55
56
77
71
67
57
73
72
49
48
47
46
45
44
43
PUIN
DRIVER
SPIN/SLIDE
FOCUS/TRACKING/
LA6261
IC2
VIN4
FWD6
VO6+
VO6-
VO5+
VO5-
REV6
VIN3
VIN2
VIN1
PVCC2
REV5
FWD5
IC1
LC78690E
CD SERVO
LCHO
RCHO
CONT1
CONT0
SLDO
SPDO
FDO
TDO
LDD
LDS
DIN
BIN
1413
FIN
EIN
CIN
AIN
LRVDD
XVDD
DVDD
36 41
AVDD
XIN
XOUT
INTB1
INTB0
RESB
DO
DI
CL
CE
TO DISPLAY SECTION
TO MAIN SECTION
CNP3
CNP7
M1
TRAY MOTOR
MGND
PICKUP UNIT
IN
PICKUP
NSW 1
MOTOR
SPINDLE
NM1
MOTOR
SLED
NM2
COIL
TRACKING
FOCUS COIL
16.9344 MHz
XL1
+5V
DRIVER
LASER
+3.3V
CONSTANT
VOLTAGE
+3.3V
+3.3V
Q1
R-CH
AGND
L-CH
D_+5V(+B5)
+B6
GND
PHOTO
MO_A-
CD_RESB
MO_A+
CD_DI
CD_DO
CD_CLK
CD_CE
+
--
+8V(+B7)
7
27
9
28
17151311
23
22
32 3331 34
30
19
20
26
4
56
3363521
7 1 2 3 4 5 6
10
MP3_INT
11
CD_INT
12
TRAY SW1/SW2
GND
RX1
SW3 TRAY SW2
SW2 TRAY SW1
SW1 CLAMP
SW4 DISC
13
DISC/CLAMP
143 1 9 8 7 6 52 4
CNP4
10 113 1 9 8 7 6 52 4
53
M
M1
MAIN CAM
MOTOR
+
M
M
M
42
DGND

Related product manuals