EasyManua.ls Logo

Sharp CD-MPX870W - Page 74

Sharp CD-MPX870W
114 pages
Print Icon
To Next Page IconTo Next Page
To Next Page IconTo Next Page
To Previous Page IconTo Previous Page
To Previous Page IconTo Previous Page
Loading...
CD-MPX870W
6 – 20
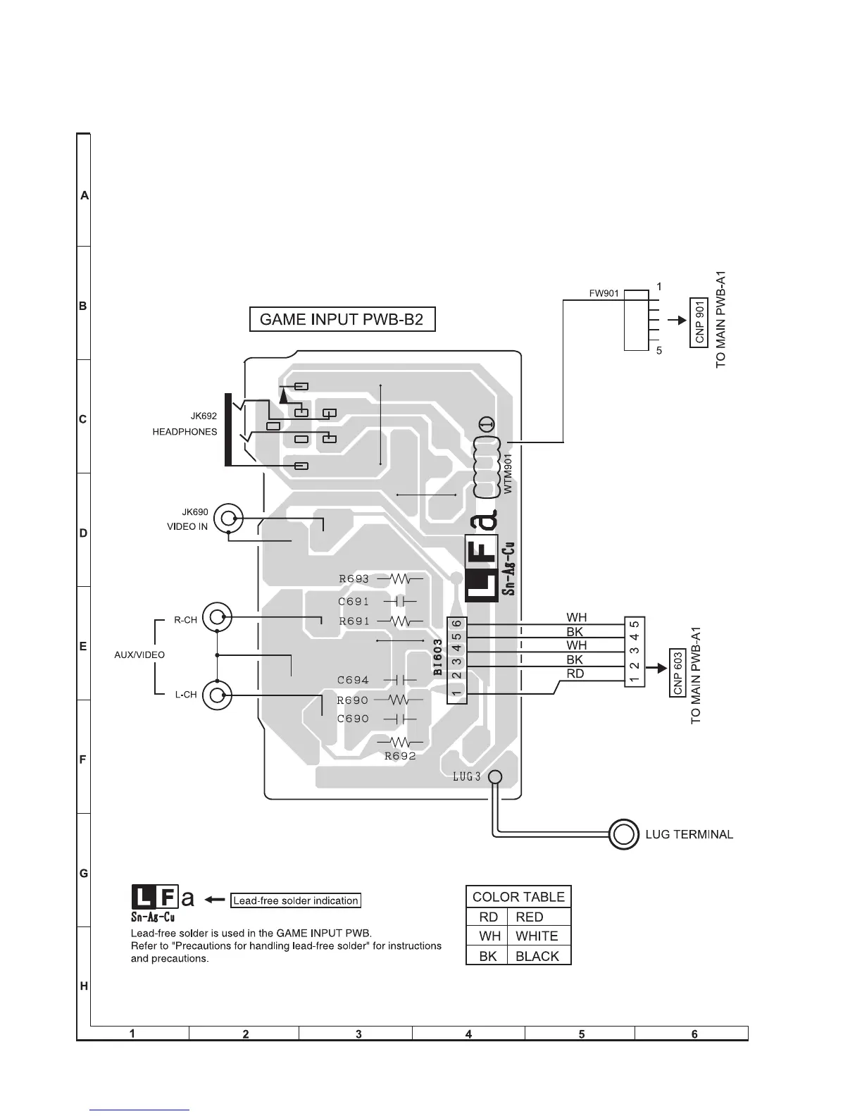
Figure 6-19: WIRING SIDE OF GAME INPUT PWB (TOP VIEW) (10/15)

Related product manuals