EasyManua.ls Logo

Sharp CD-PC671H - Page 25

Sharp CD-PC671H
80 pages
Print Icon
To Next Page IconTo Next Page
To Next Page IconTo Next Page
To Previous Page IconTo Previous Page
To Previous Page IconTo Previous Page
Loading...
– 25 –
CD-PC671H/651H
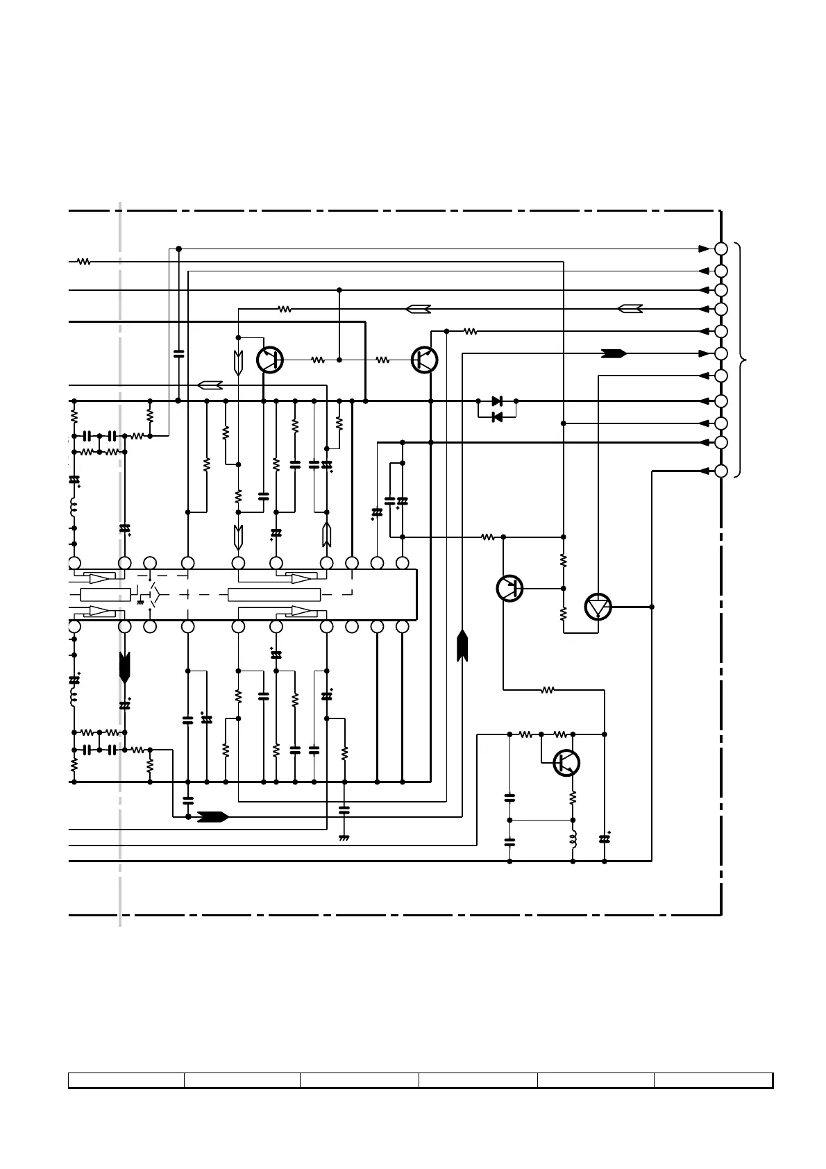
Figure 25 SCHEMATIC DIAGRAM (4/13)
7
8 9 10 11 12
REC_MUTE
A_12V
BIAS
REC_R
REC_L
D_GND
TAPE_L
M_GND
A_GND
TAPE_R
T1/T2
0V
0V
0V
0V
0V
11.6V
11.6V
11.7V
0V
0V
0V
0.7V
0.7V
0V
0V
R154
10K
R
174
0
(1/2W)
Q124
KTA1266 GR
R162
47K
R158
220(1/4W)
C121
1/50
C123
0.001
R123
3.9K
R121
100K
C119
560P
C117
0.033
R125
5.6K
9
R131
18K
2
K
R124
3.9K
8
3
C120
560P
R126
5.6K
0
R132
18K
R141
56
R164
4.7K
Q126
KRC104 M
R153
10K
R142
56
R182
220K
R181
220K
C134
22/25
C127 0.022
C128 3.3/50
R145
10K
Q122
KTC3199 GR
D102
DS1SS133
D101
DS1SS133
C151
0.027
(ML)
L104
330µH
C152
47/25
C150
0.0039(ML)
C137
0.001
R168
12
Q128
KTC3203 Y
R167
100K
R166
47K
R160
150(1/2W)
Q121
KTC3199 GR
R138
6.8K
C132
0.001
R140
560
R134
68K
C142
1/50
R136
2.7K
C140
0.0033
C145
22/25
R137
6.8K
C139
0.0033
C135
0.068
R146
10K
C131
0.001
C141
1/50
C113
330P
R139
560
R135
2.7K
C133
22/25
C114
330P
C122
1/50
C136
0.068
C124
0.001
9
10 11 12
13141516171819202122
8
7
6
5
43
C147
0.022
C146
220/16
1
2
3
NC
112K
56K
112K 56K
+
+
Nor/CrO2
RIPPLE
ALC
GND
ALC
Vcc
NC
NC
HICH=T1
HICH=CHROME
+B
20
11
13
18
19
21
12
16
14
17
15
+B
+B
+B
C115
47/25
FROM MAIN SECTION
P22 3-A
+
+

Related product manuals