EasyManua.ls Logo

Sharp CD-PC671H - Page 29

Sharp CD-PC671H
80 pages
Print Icon
To Next Page IconTo Next Page
To Next Page IconTo Next Page
To Previous Page IconTo Previous Page
To Previous Page IconTo Previous Page
Loading...
– 29 –
CD-PC671H/651H
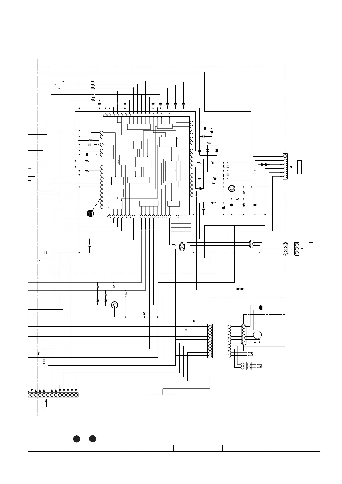
Figure 29 SCHEMATIC DIAGRAM (8/13)
7
8 9 10 11 12
• The numbers 1 to 12 are waveform numbers shown in page 47.
R54
330
R84
2.2K
3
IC2
LC78622N
R55
100
C57
0.001
R65
1K
D82
1SS133
C83
0.022
R80
820
R81
820
Q51
KRC102 M
D92
1SS133
D93
1SS133
R83
390
R82
390
C56
0.022
R91 1K
D91
1SS133
Q52
KTC3203 Y
C52
100/16
R64
22
R66
220
ZD61
MTZJ5.6B
C51
100/16
C50
0.022
L61
0.82µH
C46
100P
R51
3.3M
R88 1.2K
XL1
16.934MHz
C41
12P
C42
15P
R93
220
D81
1SS133
C45
100P(CH)
C44
100P(CH)
R89 1.2K
R90 220
R50
680
C39
0.047
C40
0.047
R52
27K
R60
1K
R57 1K
R58 1K
R61 1K
R59 1K
C38
0.01
R63 1K
R62 1K
C49
100P(CH)
C48
100P
C43
330/6.3
R74
100K
R73
100K
C73
220P
C74
220P
R53
1.2K
C22
220P
C47
100P(CH)
C75
0.001
C71
10/50
C72
10/50
R71
2.7K
R72
2.7K
NC
NC
PIN27
LOW
HIGH
TRY SPEED
+5V
TEST5
/CS
TA1
SOL+
SOL–
M+
M–
GND(D)
OPEN CLOSE
DISC NO.
GND(D)
MECHA UP
GND(D)
+
2KX8
RAM
1BIT DAC
SERVO
COMMAND
TES
HLF
V/P
CLV–
CLV+
TEST2
EFMIN
EFMO
VSS
FR
VVDD
ISET
VVSS
PDO
DEF1
TOFF
TGL
JP+
JP–
PCK
FSEQ
VDD
CONT1
CONT2
CONT3
CONT4
CONT5
EMPH
C2F
CLV
DIGITAL
SERVO
EXTERNAL
OUTPUT
SYNC-DETECT
EFM DEMODULATE
SLICE
LEVEL
CONTROL
VCO
CLOCK
OSC
CONTROL
ERROR
COERECT
FLAG
CONTROL
DIGITAL
OUT
TEST3
DOUT
4FS
DIGITAL
FILTER
TEST1
TEST4
MUTEL
LVDD
LCHO
LVSS
RVSS
RCHO
RVDD
MUTER
XVDD
XOUT
XIN
XVSS
SBSY
EFLG
SUB-CODE
MICRO-COM
INTERFACE
TEST11
SBCK
SFSY
PW
FSX
WRQ
RWC
SQOUT
COIN
/CQCK
/RES
16M
4M
X-TAL
GENERATOR
CNP11
1
CNS5
2
1
2
3
4
5
6
7
8
9
10
1
CNS10
2
3
4
5
6
7
8
9
10
CNP10
1
BIM5
2
3
4
5
6
48
47
45
44
43
42
41
40
39
38
37
36
35
34
33
64
63
61
62
60
59
58
57
56
55
54
53
52
51
50
49
46
32
31
30
29
28
27
26
25
24
23
22
21
20
19
18
17
5
4
1
2
3
16
15
14
13
12
11
10
9
8
7
6
3
9
8
7
6
5
4
10
11
12 13
14
15
1
2
1
2
3
4
5
6
NC
NC
NC
NC
NC
NC
NC
NC
NC
NC
NC
NC
NC
1 1
2 2
3 3
CNP99
BI99
2
M
M3
TURNTABLE
UP/DOWN
LOADING MOTOR
CD_RCH
A_GND
CD_LCH
M–
M+
CD_D_NO
C37
0.022
R47
10K
D_GND
RES(DSP)
CQ CK(DSP)
SQ OUT(DSP)
DRF(ASP)
SLD+
SLD–
PUIN SW
SW1
OPEN/CLOSE
SOLM2
SOLENOID
SW3
DISC NUMBER
SW2
MECHA UP
PCCL
OP/CLOS
UP/DOWN
DISC NO.
CNS12
FROM DISPLAY PWB
P29 12-D
+12V
D-GND
+7V
L-CH
A_GND
R-CH
+B
+B
2
1
BI1-A
1
BI1-B
+B
CD SIGNAL
CNS99
CNS11
FROM MAIN PWB
P22 6-A
C23
.0027
TO DIGITAL OUT PWB
P31 12-E, 33 12-E
SERVO/
SIGNAL
CONTROL
(CH)
CD SENSOR PWB-E
CD SERVO PWB-B

Related product manuals