EasyManua.ls Logo

Sharp CD-PC671H - Page 30

Sharp CD-PC671H
80 pages
Print Icon
To Next Page IconTo Next Page
To Next Page IconTo Next Page
To Previous Page IconTo Previous Page
To Previous Page IconTo Previous Page
Loading...
CD-PC671H/651H
– 30 –
A
B
C
D
E
F
G
H
1
23456
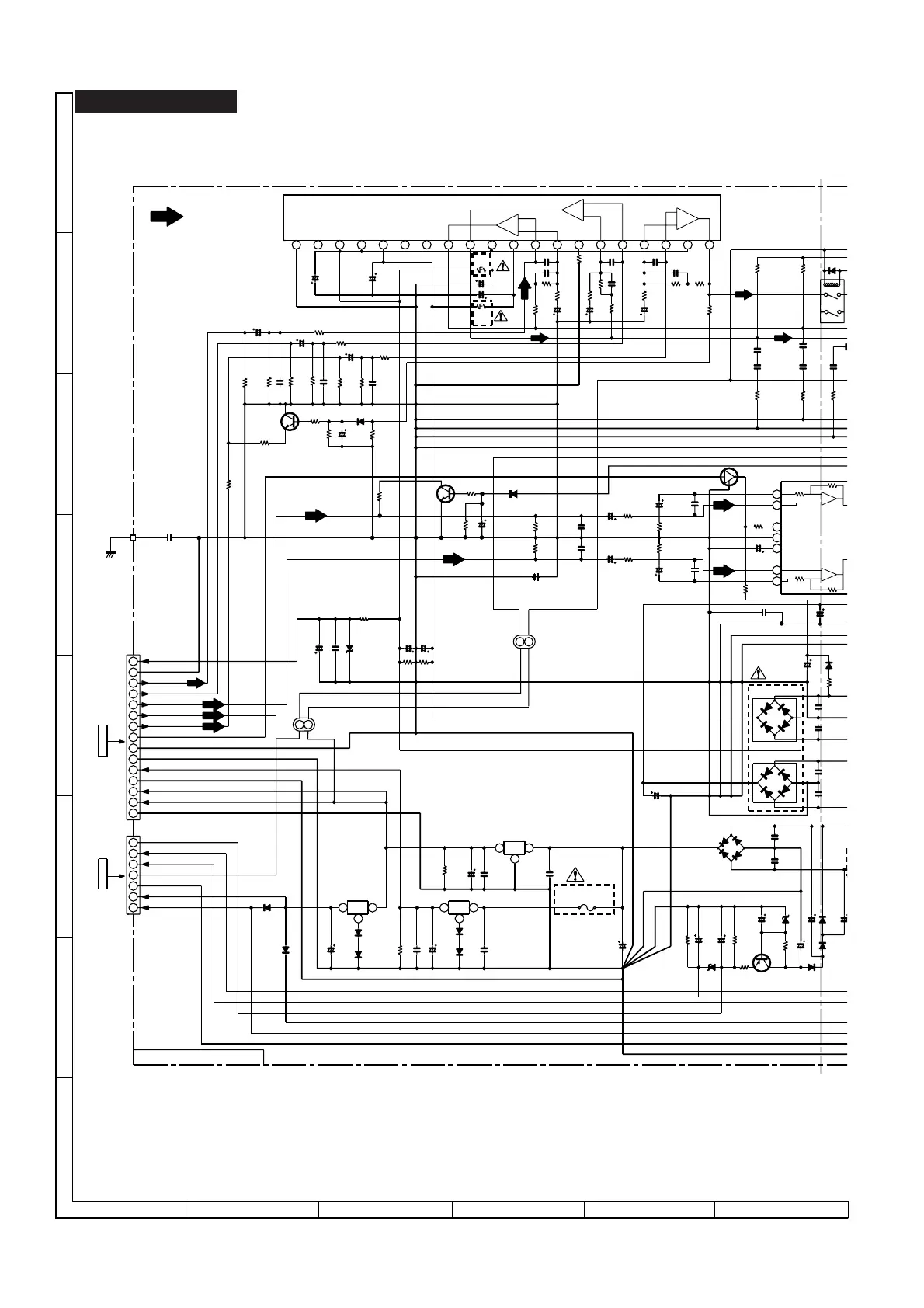
• NOTES ON SCHEMATIC DIAGRAM can be found on page 18.
Figure 30 SCHEMATIC DIAGRAM (9/13)
CD-PC671H
R981
1K
R981
1K
D902
DS1SS133
R979
1K
Q908
KTC3199 GR
C981
22/251
C931
47P
C930
47P
C932
0.001
R911
22K
R910
22K
R921
22K
R961
39K
R964
4.7K
R965
4.7K
C937
0.1(ML)
C935
0.1(ML)
C934
0.1(ML)
C936
0.1
(ML)
C
9
0.
1
R9
4.
7
R937
4.7
R934
4.7
IC901
STK40724 POWER AMP.
C925
47/50
C918
47/50
C829
220/25
C828
0.022
ZD803
DZ130BSB
R963
680(2W)
R812
10
R804 47K
C803 47/50
ZD801
DZ6R2BSA
C802 100/35
D821
DS1SS133
R801
12K
R925
1K
C921
1/50
R926
1K
C922
1/50
C811
220/50
ZD802
DZ300BSB
R806
2.2K
Q801
KTA1274 Y
C804
47/50
D822
DS1SS133
C904
10/50
C820
0.1
(ML)
C821
47/16
C819
0.1
(ML)
C824
1/50
IC806
AN78L05
CONSTANT
VOLTAGE
REGULATOR
31
D823
DS1SS133
D824
DS1SS133
R810 10K
C823
0.022
C822
10/35
IC805
KIA7806P
VOLTAGE
REGULATOR
31
D818
DS1SS133
D819
DS1SS133
C827
0.1
(ML)
R809
10K
IC804
KIA7812P
VOLTAGE
REGULATOR
31
C825
3300/25
C801
2200/50
R955
10K
R932
18K
C938
47/35
C817
4.7/50
D817
DS1SS133
R80
7
10K
C902 220P
R902 68K
C901
1/50
R956
5.6K
R901 100K
R959
3.9K
C976
22/25
R960
100K
D901
DS1SS133
Q904
KTC3199 GR
R957
1K
R904 68K
R909
1K
C907
10/50
C906
1/50
R905
1K
C908
0.001
R908 68K
R906
10K
C905 220P
R903 100K
C903
1/50
R907 1K
R913
100
C912
100/50
C911
100/50
R912
100
C920
560
C919
0.0015
C910
2200/50
C909
2200/50
R920
100K
R919
33K
C808
0.22
(ML)
C807
0.22
(ML)
D801
TS6B04GM
D802
TS6B04GM
C809
0.22
(ML)
C810
0.22
(ML)
C806
0.047
(ML)
C805
0.047
(ML)
D803
1N4004S
D806
1N4004S
D805
1N4004S
D804
1N4004S
C812
100/50
D807
1N4004S
D808
1N4004S
D809
1N4004S
R916
1K
R924
1K
C915
120P
C923
120P
C926
47P
R931
1K
R930
56K
C929
15P
R933
10K
C933
100/35
Q903
KRC107 M
R929
220
C927
47/35
R928
220
C928
47/35
R927
470
C924
15P
R923
56K
R922
470
R917
56K
C916
15P
C917
47/50
R918
470
NC
SP_RLY
VLOAD
VF1
VF2
VLOAD
A_GND
CENTER
UN_SW_5V
SW_5V
AC_RELAY_CORL
VF2
VF1
A_12V
CENTER
REAR
FRONT_R
FRONT_L
A_GND
–15V
REAR
CD_+B
POWER
SUB_WOOFER
M_12V
M_GND
CD_GND
D_GND(micom)
A_GND
3 Ch
+Vcc
–Vcc
–Vcc
GND
1234
5
6
7
9
10 11 12 13 14 15 16 17 18 19 20
8
1
2
3
4
5
6
7
8
9
10
11
12
13
14
15
1
2
3
4
5
6
7
2
22
CNP803
BI801
BI801
CNP806
F832
T500mA L250V
NC
NC
Out
Out
Out
Ch3
Ch2
Ch1
Ch3
Ch2
Ch1
+
+
+
+
+
4
1
1
3
1
2
1
1
1
0
9
8
L:OFF
H:ON
IC951
LA4451
POWER AM
P
+B1
–B
1
2
3
RL901
D
D
–B
+B
+B
-B
+B2
POWER PWB-C1
FM SIGNAL
CNP501
FROM MAIN PWB
P23 8-H
FROM DISPLAY PWB
P26 1-C
CNS806
2
1
2
1
C913
0.001
C963
0.1
(ML)

Related product manuals