EasyManua.ls Logo

Sharp CD-PC671H - Page 32

Sharp CD-PC671H
80 pages
Print Icon
To Next Page IconTo Next Page
To Next Page IconTo Next Page
To Previous Page IconTo Previous Page
To Previous Page IconTo Previous Page
Loading...
CD-PC671H/651H
– 32 –
A
B
C
D
E
F
G
H
1
23456
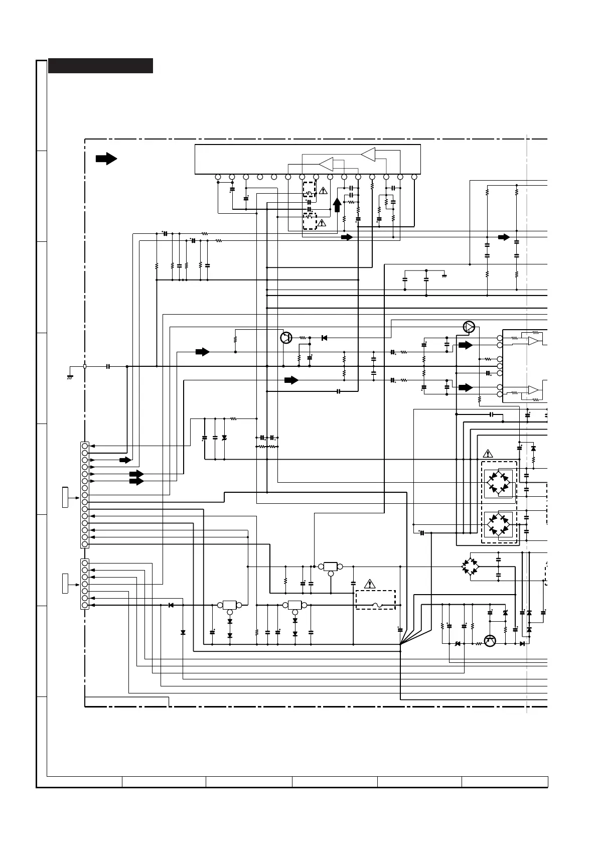
Figure 32 SCHEMATIC DIAGRAM (11/13)
• NOTES ON SCHEMATIC DIAGRAM can be found on page 18.
CD-PC651H
R979
1K
R980
1K
D902
DS1SS133
R981
1K
Q908
KTC3199 GR
C981
22/251
C931
47P
C930
47P
C932
0.001
C946
0.001
C914
0.001
R911
22K
R910
22K
R921
22K
R964
4.7K
R965
4.7K
C937
0.1(ML)
C935
0.1(ML)
C934
0.1(ML)
C936
0.1
(ML)
R937
4.7
R934
4.7
IC901
STK40704 POWER AMP.
C918
47/50
C829
220/25
C828
0.022
ZD803
DZ130BSB
R963
680(2W)
R812
10
R804 47K
C803 47/50
ZD801
DZ6.2BSA
C802 100/35
D821
DS1SS133
R801
12K
R925
1K
C921
1/50
R926
1K
C922
1/50
C811
220/50
ZD802
DZ300BSB
R806
2.2K
Q801
KTA1274 Y
C804
47/50
D822
DS1SS133
C904
10/50
C820
0.1
(ML)
C821
47/16
C819
0.1
(ML)
C824
1/50
IC806
AN78L05
CONSTANT
VOLTAGE
REGULATOR
31
D823
DS1SS133
D824
DS1SS133
R810 10K
C823
0.022
C822
10/35
IC805
KIA7806P
VOLTAGE
REGULATOR
31
D818
DS1SS133
D819
DS1SS133
C827
0.1
(ML)
R809
10K
IC804
KIA7812P
VOLTAGE
REGULATOR
31
C825
3300/25
C801
2200/50
R932
18K
C938
47/35
C817
4.7/50
D817
DS1SS133
R807
10K
C902 220P
R902 68K
C901
1/50
C963
0.1
(ML)
R901 100K
R904 68K
C907
10/50
R905
1K
C905 220P
R903 100K
C903
1/50
R907 1K
R913
100
C912
100/50
C911
100/50
R912
100
C920
560
C919
0.0015
C910
2200/50
C909
2200/50
R920
100K
R919
33K
C808
0.22
(ML)
C807
0.22
(ML)
D801
TS6B04GM
D802
TS6B04GM
C809
0.22
(ML)
C810
0.22
(ML)
C806
0.047
(ML)
C805
0.047
(ML)
D803
1N4004S
D806
1N4004S
D805
1N4004S
D804
1N4004S
C812
100/50
D807
1N4004S
D808
1N4004S
D809
1N4004S
C813
R916
1K
R924
1K
C915
120P
C923
120P
R933
10K
C933
220/35
Q903
KRC107 M
R929
220
C927
47/35
R928
220
C928
47/35
C924
15P
R923
56K
R922
470
R917
56K
C916
15P
C917
47/50
R918
470
SP_RLY
VLOAD
VF1
VF2
VLOAD
A_GND
CENTER
UN_SW_5V
SW_5V
AC_RELAY_CORL
VF2
VF1
A_12V
CENTER
REAR
FRONT_R
FRONT_L
A_GND
–15V
REAR
CD_+B
POWER
M_12V
M_GND
CD_GND
D_GND(micom)
A_GND
2 Ch
+Vcc
–Vcc
–Vcc
1234
5
6
7
9
10 11 12 13 14 15
8
1
2
3
4
5
6
7
8
9
10
11
12
13
14
15
1
2
3
4
5
6
7
2
22
CNP803
CNP806
T
F832
T500mA L250V
NC
NC
Out
Out
Ch2
Ch1
Ch2
Ch1
+
+
+
+
4
1
1
3
1
2
1
1
1
0
9
8
L:OFF
H:ON
IC951
LA4451
POWER AMP
.
+B1
–B
1
2
3
–B
+B
+B
-B
+B2
POWER PWB-C1
FM SIGNAL
CNP501
FROM MAIN PWB
P23 8-H
FROM DISPLAY PWB
P26 1-C
CNS806
C913
0.001

Related product manuals