EasyManua.ls Logo

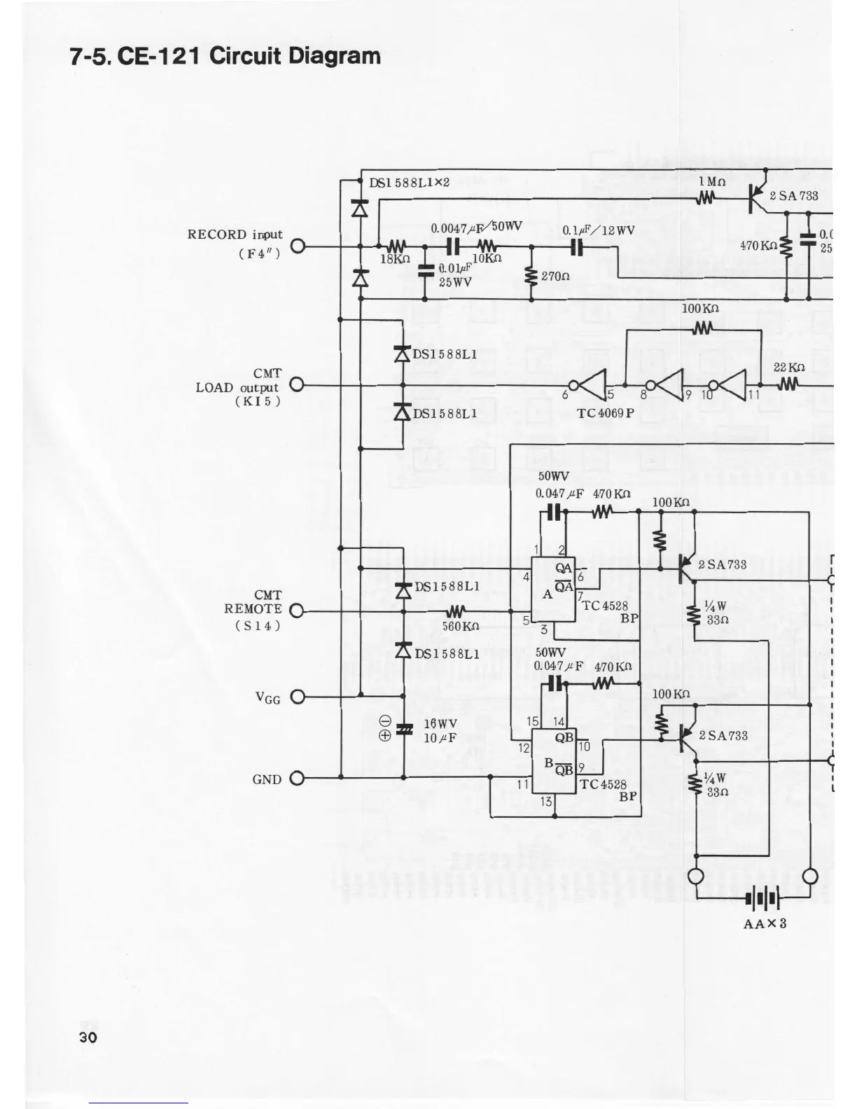
Sharp CE-121 - 7-5. CE-121 Circuit Diagram

Sharp CE-121
43 pages
Print Icon
To Next Page IconTo Next Page
To Next Page IconTo Next Page
To Previous Page IconTo Previous Page
To Previous Page IconTo Previous Page
Loading...
,__-1•1•
AAX3
30
r
4
CMT
REMOTE
Y4
W
(
s
14)
5
33!1
3
5
0WV
0.
0
47
F
F
47
0K
n
VG
G
lOOK
n
e
16WV
15
14
Ef>
lO
)l
F
QB
2
SA7
33
12
10
GND
BQ
B
9
%
W
11
TC
4528
13
B
P
33
!1
50WV
0
.
0
47
)l
F
4
70 Kn
lOOKn
TC
4
0
69
P
DS15
88
Ll
6
DS1
588
Ll
lOOKn
0.(
25
47
0Kn
2S
A 733
CMT
L
OAD
o
utput
(
KI
5
)
RECORD
i
np
ut
(
F
4")
7-5. CE-121 Circuit Diagram

Related product manuals