EasyManua.ls Logo

Sharp CE-150 - Page 61

Sharp CE-150
412 pages
Print Icon
To Next Page IconTo Next Page
To Next Page IconTo Next Page
To Previous Page IconTo Previous Page
To Previous Page IconTo Previous Page
Loading...
All and more about Sharp PC 1
-
SOO
at http://www
.P
C-1500.info
4.
CIRCUIT
DIAGRAM
EX
-
BOX
I
I
I
PC-2
I
I
I
I
L--
""
+
""
+
[:i
~
l
o
0
:;g
- rn -
~
0 0
~ ~ ~
!z
-r---~--<;>---<r--9'----
..;
-
-
""
+
-
><
w -
~
w "
~
::!:
""
- ")-- -<r-
~
- - - - - -
II)
T
0 -
~
~
~-
-r---------
---------
25
WV
0.00
47
~
<IH
'--
·-1-
....
·
.......
18Kn
.-
IOK'n
25
WV
12\W
OJ
pt
'
CA
SSE
TTE
r--------
1
·
Ur--
-
....--
---
--'-:<_:>:,
..;.
MI c
I
.,.
0.0lpF'
~
2700
~
270n
-----,
y
~
I
~~:
.--
---
-:~t~--.:~L
IOO--Kn-t
--
~f
=~
f
f===~
==
=~
E=~====~~t~f
~ff~=
==
====b=b=======-
---
-
--
--lJ~
.
-
--
----------------
--
------
~-
--------------_
rr-1--,--+-@t..~
n
l..~:
::
e
~~
__
...
WIE
X2
I
I
I
...
-YVT
IOKn
: ...
'J/r
x 2
~
I:;
rrr7-
----
+--+-
--
-
---
....---
4
(!
:
r-
--
-----
...
INT2
...
WOEX2
1
I
00
OP
"\.
l!
O
""\,
H 5
_Jt-f-
-:-
-yyN'(°\/'·,,
..
--l
:hl' I
"f-
.
.
1-•.:..
' _
__:~
~
I
j~
r
'a
\
A2
TC40H
L..--
-2.
rf
H r
._
...::6
:..n
~
<>,
~-
. .
o- i-
--
i-~
f;
" a r 9
~
'*'
~
~
~~BB
x 2 w w
~MR
RR
1~
:
H !
PAO
TC<OHOOOP
""""
~:;,;·
*
":
OAR
PHO
NE
Q ,
Tf
H , o , , ,
~
1
~
n
,..
. .
.,
@
'5
•••
'
.---.,
+.~n
.
Remot
e-
!
L OS
•O
35
10Ko
'J/r
'T
t-
-+-t--
-+---J-i
c~L~I
H
30
Rs
t
i--
A_t _
.'I
.__
_ A I
~
AD
0-15
I
R/W
N-
OD
N-
M
EI
N-
DM
EO
N-
D
~
.
I
EI
N-
PU
9
I
PV 9
~
J!fOS
i--<1-
~
BFO 9
vee
<}
I
GND 9
I
FG
9
~
PBO
I 9
I
~
PB
! I 9
I
...
PC71 9
I
---------'
~
TeSOHOOlF
Do not sale
this
PDF
111
...
L c
~c.:i.s
~2
_J-
;--;-;;--
-t-
-
-+
--~
{' 2H1
~
4711
:
~}
~
L - - - - - - -
t--+
-t--+---
.H"
s~o-;--
1
i RS 0 A 0
~
15
CC'[
so I
/0
P
ORT
CS
! A
12
fl
x
4
~
~
~
$
CASSET
TE
SD~-
CS':Q
Al3
\.,
1'~
--J-i
o~o
-t
2s
rc
1
~
11
r+-
-t-
H--=
s
:i...,
_
<1
1'-
-J
-io~
·
;,-I
~
PC6 + " 1rl
-=----
-.+-l--+-'--
-0n
I OFF
1'--_J-"
o
_g_
-;;-t L H 5 8 1 0
"W
I :
~
~
PAI
14
15
t--H---<)n
1
ON
""
---1-i
D~S
-t SS
Pc
< "
3
~
-
I.:
0 <
0'
PCS
~
"-
3 7 0
..__ _
_j-;
0~5
-t
20
PC2
"'"
' 2
~
15
~
0
6
LH
5 8 l I !
•C
i
f0=1
"1'
A2
II
12
l
-;4
;-+-t
K.>-
-1
~
11
~_J
'---.....J
Relay I
...__
_
__t
-;:D:--;7
H
PC
0 l.... 5 "-
10
~
PAO
60 p
If
I+
1 5 10
15
/
PB7
"+
P P P P P P P G P P P r p p p
tl:.
-t---i
h-
+-
-..()~
~o----
-t-
---
-
-+--+
-
-l_j
AAAAAAANBBBBBB
~
i
~
~
I 2_J3 4 16 6 7 D 0 I 2 3
~
5
~
10K
r$
.j,,
--r-
t-J'A
3
9
~
\J'A4
~
2
>--....J
M54
51
6P
50HOOI
~-
-41
...........::
5
:&.-
t.1
1
~-
-
---_J
'---.....J
Re
la
y 2
p-color
Graph
ic
Pr
inter
REMOTE
•••
T 1
••
i
i'
~
"'"'
; m
~ ~
==
~±:
~~~"Ft·
i~~~~~
~~~
~jr~~
~f
~3f
3f~~~
~~~
l
.,
~~K=
n
f=
====r
===
=
f=~
~==~=~
~~i~
==f=======
===
=====
==i
-----
J
DPGIS0
2
~
=
~==t::==---=
==::::
~
::+:!
:
:r
:
1::
::::::::
±
:
~
,:
t=:i:
f
~VY
::::J:
::::::::
::::t=::::
::::::::::::
::::::::::::
=---
--------
-~
~----
-
--
-
_.:.
--r
·
~~
I
I
r-~
~.t1.
,
•vvf11•
...
.__
_.
- ' - 2'(
"lo
0 0
l.
!
OKn
'
"""
~
IOOK
"-
-,
-,
1
-T'.
~
IOKO
i
~
o
5600
~
lo(
5600
~
b(
,
""'
PR I NT
,;,
~-==
::::
t===
-=--
--+
--+-"
--
"'
____
J
~
-"',.,,
~~
..
~
""f"
---
·~-
--
_-
_
_.:_
2=S=B
=9
26
: S .T
.._
_"N)
.Jl
~
"'J
.:S
B~~
Yi
w
·•
;~Sn
~
Mot
er
co
mmoo
7
""'"
~
I~
"
""
"
-i:
_
18
-</
"''";
"-'
XGpcs r
150
0
~
>
,,Z
~~
r
f1!~~t~
~
~~::::=~~;=d±==
=~
=-~
~
---
---
---
---
(~
PA0
)
~
_,..
<
t50n
{
~·~
I:
5 4
J11(
n
~
RD~~g
i I
IAIBI
50HOOI
f'N .
~
S
C458
2
SC
4K58,
. I
2SC458
l
~
27
.
~
t<;l
.2
KS
12
-<J
solenoid (+ )
Kn K
S560n
T N
SD
1
246
S. -
250
24
6
1
f
_l
soon
T N s .T I
~
-
~
'f I
7Jf
I
l 12WV
!
0.1,r
Tl
~
A9
-
AG
~
115
36
~
A4
ROM
20
A 9
A
J.2
18
CE2
)-J
NC
38
NC
CE
!
t--~_J
~
A3
40
"-
1
A 2
LH
5 3 6 7 - 0 2 16
t..!
G!JN~DW-
-
-+
--i
(TOP
VIEW)
NC
I
~
A I 42
14
NC
NC
~
AO
44
12
1 2 5 7 9
11
,/
NODD2)!DDDDN
C 0 I 2 D
~
3 4 5 6 C
.)
.)
)
A
II
07
)
f\..
PC4
8
t-...
PC
6
IS IS88
7
.....
r----L.
10
11
12
I
1
-<?
col
or
I
.....
11
-<(
Y Mot
or
A
I
,I.
10
"9
Y
Mo
tor B
I
A
DAPTO
R v (Point-
B)
Q~t-i~
-~~
-t
-•"'"·f-1"•~··~·~·~•-t----t---L_J
__ J (
Yee)
t-...
PC5
6
;><
~
>--
+-:-;
13:--
--
-
9
-'
.Qrll
Y M
otor
C
.....
l/
.......
......
..
...
12
W
.;;~
12WV
(
0.lpfx2
;
FFG
.....
_ --i_
....._
__
L1
......
..........
10
0-1
-33-
~n
(
y..__._
_
•• .,_.
__
_
~
-...-.-
IO
D-I
X4
-
Ni
-Cd
-
X5
..i;-
pcs
IO
WV
i:;
IOOpF
~
2
\~
HZ4C
L L
H
~
100
Kn
VR
'-.....,(Point-A)
22K
n
~
I .
>~•....-·
~
~I(
2SC202
1R
.s
~
PC7
5
PCO
4
f\..
PC2
3
\..
PCl
2
PC8
·-
P · A
LBl25
7
Olllt-
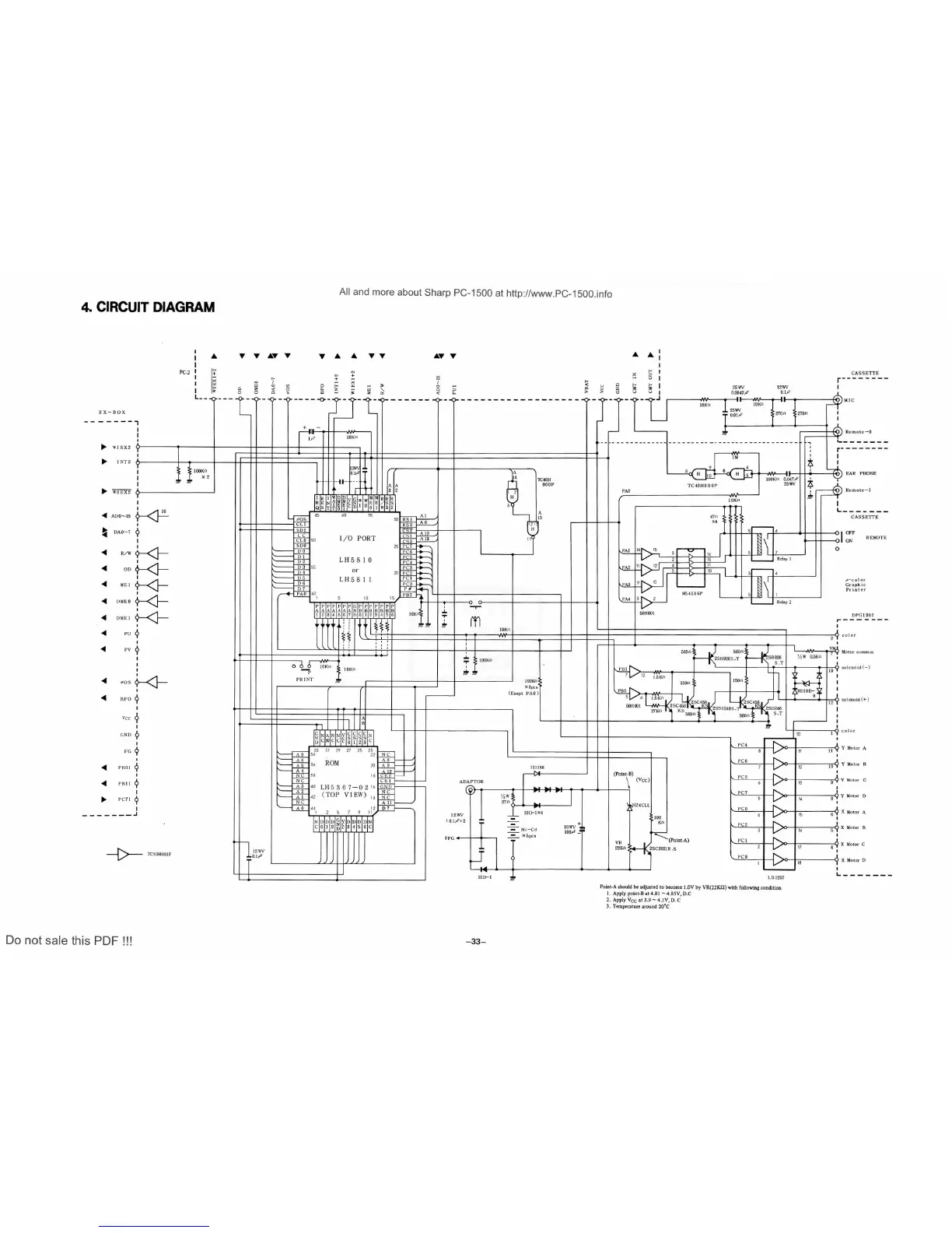
should be adjusted
to
become 1
OV
b V .
I.
Apply point-Bat 4.81 -
485V
D.C
y R(
22
Kn)
with following condition
2
·
App
ly Y
ee
at
3.
9
~
4
.1
V .D c' .
3. Temperature around
2o•c
·
15
16
17
18
l
8
~
Y M
ot
or
O
I
.....
s
"l
X M
otor
A
I
,!.
5
~
X M
otor
B
I
4
"(
X
Mot
or
C
I
~
X Mot
or
D
L.-------

Related product manuals