EasyManua.ls Logo

Sharp CN27S10 - Page 16

Sharp CN27S10
44 pages
Print Icon
To Next Page IconTo Next Page
To Next Page IconTo Next Page
To Previous Page IconTo Previous Page
To Previous Page IconTo Previous Page
Loading...
16
27N-S100, 27N-S180
CN27S10/14/18
87109654321
A
B
C
D
E
F
G
H
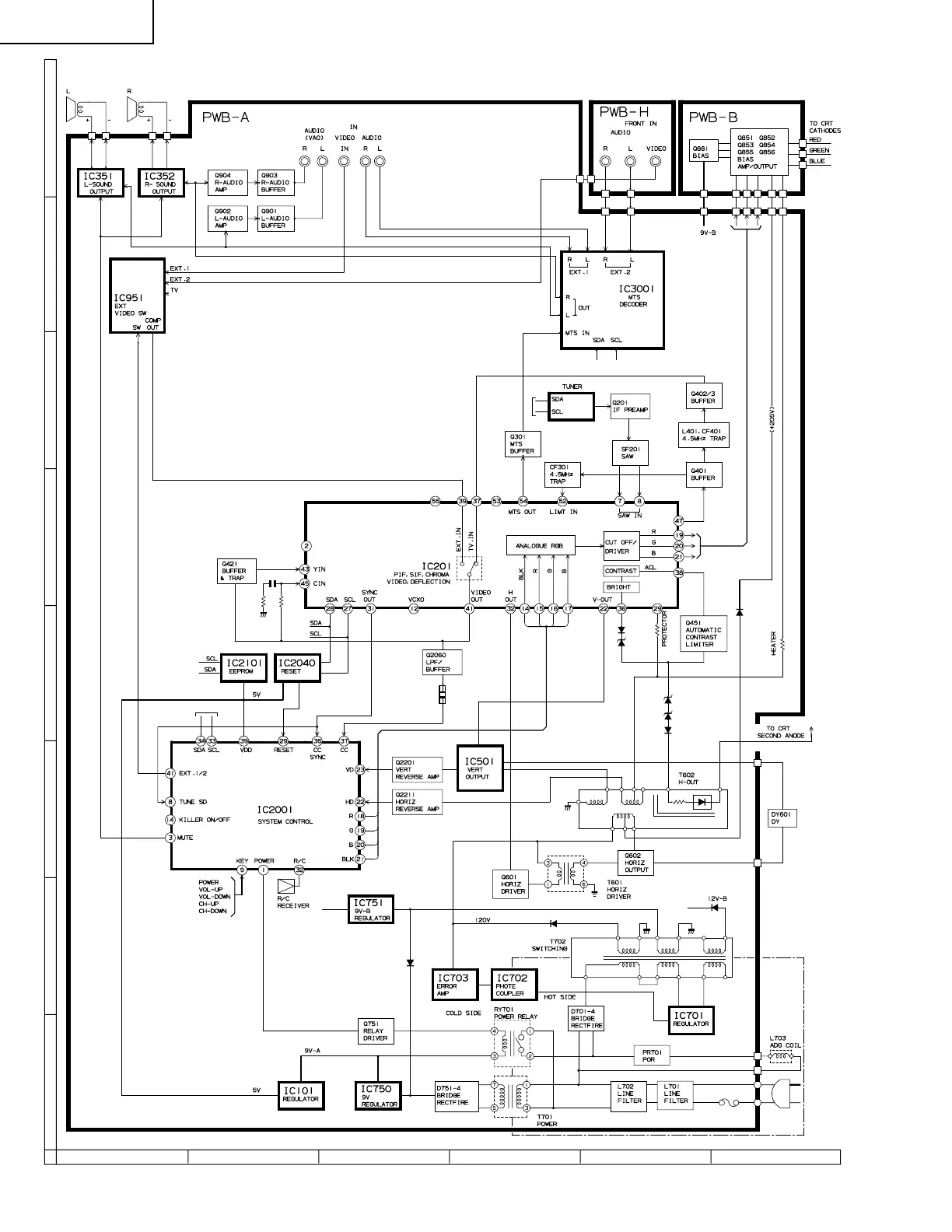
MODEL CN27S10 BLOCK DIAGRAM
654321
A
B
C
D
E
F
G
H

Related product manuals