EasyManua.ls Logo

Sharp CP-C1W - Page 25

Sharp CP-C1W
72 pages
Print Icon
To Next Page IconTo Next Page
To Next Page IconTo Next Page
To Previous Page IconTo Previous Page
To Previous Page IconTo Previous Page
Loading...
CD-C1W,CP-C1W
– 25 –
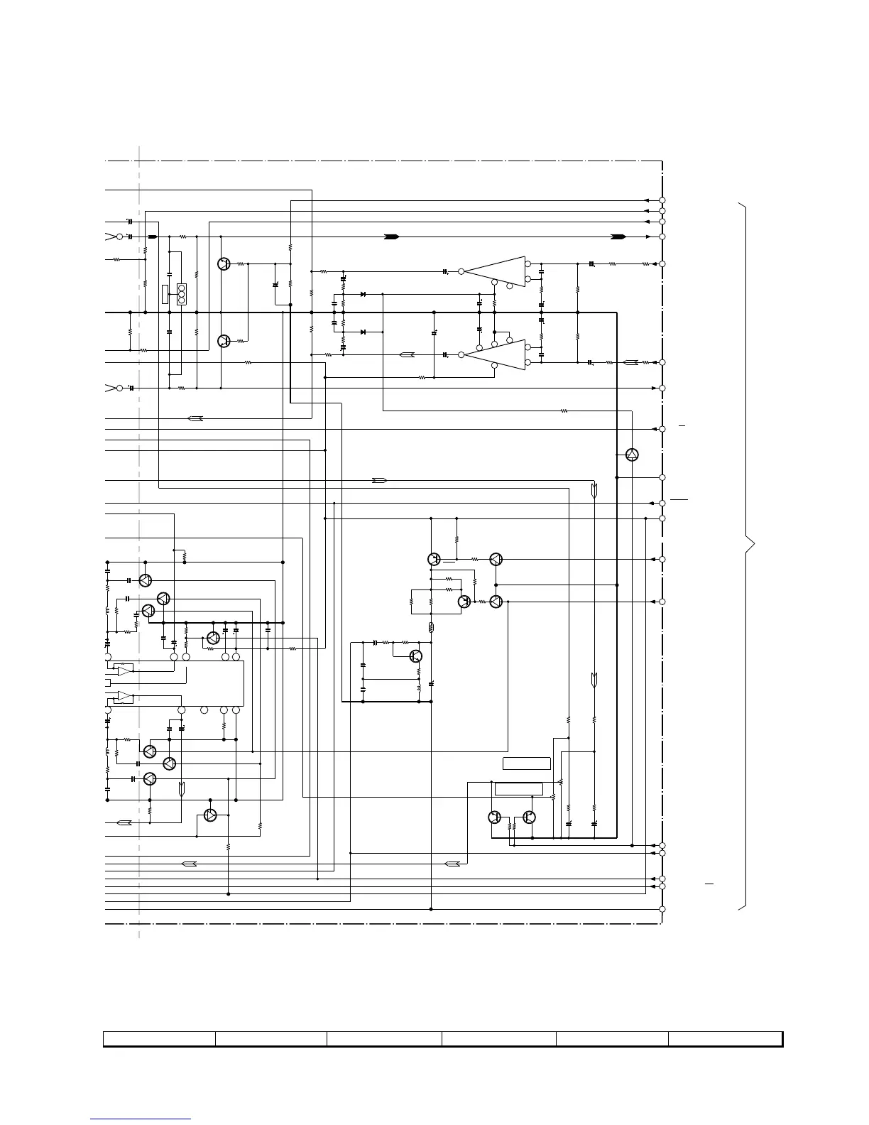
Figure 25 SCHEMATIC DIAGRAM (4/15)
7
8 9 10 11 12
89
10 11 12
1314151617
R193
1.5K
C169
0.0068
RD77
4.7K
R154
10K
R153
10K
R155
18K
R173
22K
C181
0.1/50
VR152
47K(B)
R156
18K
R174
22K
C182
0.1/50
RP101
POSISTOR
2.2
RD76
10K
R169
10K
Q146
KRC104 M
R158
220
R162
100K
R163
100K
R185 56
Q125
KTA1271 Y
R165
4.7K
Q127
KRC104 M
R164
4.7K
SWITCHING
Q124
KTA1271 Y
C162
0.047
(ML)
R166
22K
R167
47K
R168
4.7
BIAS OSC.
Q128
2SC2236 Y
C152
47/25
L104
330µH
R161
220
R160
220
R186
56
C141
47/25
R150
10K
R149
10K
R145
10K
C139
0.0033
Q149
KRC107 M
Q147
KRC107 M
Q153
KRC107 M
C179
0.0082
C147
0.022
C140
0.0033
C142
47/25
R196
120
C180
0.0082
6
.
8mH
C176
0.0068
C178
0.0068
Q154
KRC107 M
R152
1K
Q148
KRC107 M
Q150
KRC107 M
Q119
KRC104 M
R195
120
6
.
8mH
2
.
7K
C
177
0
.0068
RD78
4.7K
CD15
10/16
R157
4.7K
C145
22/25
C146
220/10
C175
0.0068
1
.
5K
R198
2.7K
R172
1K
VR151
47K(B)
Q122
KTC3199 GR
Q121
KTC3199 GR
CD46
10/50
RD39
100K
RD38
3.3K
RD06
10K
10K
RD05
RD08
1.8K
RD07
1.8K
QD02
2SC2878 A
P.B MUTING
QD01
2SC2878 A
RD42
4.7K
RD41
4.7K
RD37
270
CD45
47/25
CD32
2.2/50
CD31
2.2/50
RD24
3.9K
RD23
3.9K
RD44
330K
RD43
330K
RD15
270
CD34
150P
RD26
470
CD36
100/10
CD33
150P
CD35
100/10
RD25
470
CD42
22/25
RD28
68K
DD01
1SS133
DD02
1SS133
RD32
8.2K
CD40
0.1/50
RD31
8.2K
CD39
0.1/50
RD29
1.2K
RD36
100
RD34
5.6K
RD33
5.6K
RD27
68K
CD43
0.022
CD44
0.022
RD30
1.2K
CD38
10/16
RD35
1M
CD41
22/25
CD37
10/16
CD20
150P
CD14
10/16
RD12
10K
RD13
10K
RD22
68K
RD21
68K
RD14
10K
RD11
10K
CD17
10/16
RD10
10K
2
5
0
CD19
150P
CD18
10/16
3
1
2
13
21
25
18
17
19
20
14
15
26
27
31
29
28
30
23
24
16
BEAT CUT
TA_PB-EQ H:NORM L:CrO
2
T2 CRO
BIAS
U
T
LO:L/HI:H
T
B:H/REC:L
)
C
RO:L
LO:H/HI:L
O
TA_PB/REC H:PB L:REC
REC MUTE
GND(D)
D-PB/REC
D-ON/OFF
PB_MUTE H:ON L:OFF
NC
0V
0.6V
0V
0V
0V
10.7V
5.0V
10.8V
0V
0V
0V
3.2V
0V
0V
0V
0V
4.2V
0V
0V
8.0V
4.7V
0.8V
4.3V
0V
0V
0V
0V
0V
0V
4.0V
0.6V
0V
3.2V
0V
4.2V
0V
0V
0V
0V
3.2V
0V
0V
0V
4.2V
0V
0V
4.0V
4.0V
0.6V
4.9V
0V
4.9V
5
.0V
0V
0V
0V
0.7V
0V
0V
0.7V
0V
0V
0V
0V
11.6V
11.7V
11.6V
0V
0V
0V
3.0V
0.6V
0V
5.0V
DOLBY ON/OFF
DOLBY PLAY/REC
PB.MUTE
T1/T2 H:T1 L:T2
56K
+
56K
+
GND
ALC
ALC
RIPPLE
VCC
+12V(A)
PRE R-CH
REC R-CH
REC L-CH
PRE L-CH
8
4
7
9
11
6
10
12
2
3
5
1
11
6
C150
0.0082
(P.P)
TA_REC EQ H:CrO
2
L:NORM
T2 CrO
2
C151
0.039
(ML)
TA_BIAS H:ON L:OFF
GND(A)
HIGH_SP H:LOW L:HIGH
NOR/CRO
CRO(LO&HI)
NOR(HI)
NOR&CRO(LO)
ICD03 (1/2)
BA3311L
TO MAIN SECTION P22 1-G
ICD03 (2/2)
MUTING
+B
+B
3
2
1
3
2
1
3
2
1
3
2
1
+B
IC101
AN7345K
PLAYBACK&RECORD
/PLAYBACK AMP.
AN7345K
3
2
1
3
2
1
32
1
3
2
1
+B
SWITCHING
+B
+B
+B
3
2
1
SWITCHING
Q126
KRC104 M
32
1
+B
3
2
1
SWITCHING
QD03
KRC107 M
ICD03
BA3311L
REC./P.B.EQUALIZER AMP.
+B
+B
+B
+B
0V
0V
0.7V
0V
0V
TP451
L-CH
GND
R-CH
R-CH REC/PLAY
SENS.
L-CH REC/PLAY
SENS.
0.7V

Related product manuals