EasyManua.ls Logo

Sharp CP-C1W - Page 26

Sharp CP-C1W
72 pages
Print Icon
To Next Page IconTo Next Page
To Next Page IconTo Next Page
To Previous Page IconTo Previous Page
To Previous Page IconTo Previous Page
Loading...
CD-C1W,CP-C1W
– 26 –
A
B
C
D
E
F
G
H
1
23456
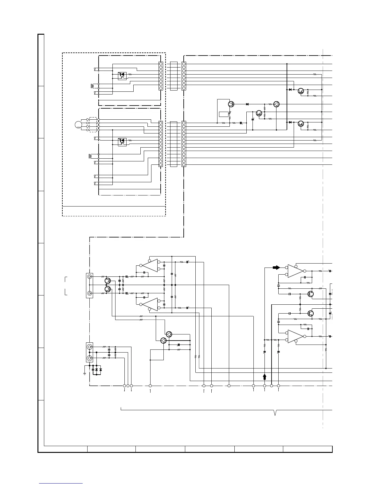
Figure 26 SCHEMATIC DIAGRAM (5/15)
NOTES ON SCHEMATIC DIAGRAM can be found on page 16.
8
7
6
5
4
3
2
1
8
7
6
5
4
3
2
1
13
12
11
10
7
8
9
6
5
4
3
2
1
13
12
11
10
7
8
9
6
5
4
3
2
1
WTM2 WTM1
DM03
1SS133
VRM01
1K(B)
RM02
560
RM25
1K
CM02
33/16
CM01
47/25
QM02
KTA1273 Y
RM04
100K
RM05
10K
RM06
2.2K
RM03
47K
RM01
33K
RM12
2.2K
RM10
10K
DM02
1SS133
DRIVER
QM04
KTA1271 Y
RM11
2.2K
RM09
10K
DM01
1SS133
470
FWM2
FWM1
RM23
820
RM24
820
RT41 220
RT25 220
RT22
100K
RT21
100K
2.2/50
CT18
RT24
1K
QT03
KRA107 M
RP06
2.2K
CP02
2.2/50
CP01
2.2/50
R942
1K
R941
1K
RP01
100K
RP02
100K
RT09
1K
CT08
330P
CT07
330P
QT02
KTC3199 GR
QT01
KTC3199 GR
RT10
1K
CT05
0.022
DT02
1SS133
DT01
1SS133
RT13
4.7K
RT14
4.7K
QT04
KRA107 M
CT19
4.7/50
RT27
47K
10.3V
0V
0V
0V
-11.5V
0V
0V
10.3V
0V
0V
0V
10.3V
0V
0V
RT23
1K
CT17
2.2/50
CT15
0.022
CT16
0.022
JT02
LINE OUT
CT10
2.2/50
CT09
2.2/50
RT12
100K
RT11
100K
RT16
1K
RT15
1K
RT20
5.6K
RT19
5.6K
RT18
18K
RT17
18K
CT13
47P
CT11
47P
ICT01
(1/2)
CT12
47P
CT14
47P
CP18
RT08
1.8K
RT07
1.8K
CT04
390P
CT03
390P
RT06
27K
RT05
27K
CP13
10/16
CP14
10/16
RP16
220
RP37
68K
CP11
100P
RP07
1K
RP05
2.2K
RP09
10K
QP01
KTC3199 GR
R947
12K
ICP01
(1/2)
68K
RP38
CP12
100P
RP08
1K
RP10
10K
R948
12K
QP02
KTC3199
GR
67686962727170
42787980
470
CrO
2
+SOL
NC
–COM
SENSOR OUT
+5V SENSOR
PLAY SW
MOTOR SPEED A
MOTOR SPEED B
NC
R_REC
F_REC
CrO
2
+SOL
SENSOR OUT
+5V SENSOR
PLAY SW
–COM
+MTR
SENSOR OUT
+5V SENSOR
PLAY SW
CrO
2
+SOL
NC
–COM
NC
R_REC
F_REC
CrO
2
+SOL
SENSOR OUT
+5V SENSOR
PLAY SW
–COM
+MTR
MOTOR SPEED A
MOTOR SPEED B
JT01
VIDEO/AUX
INPUT
TO MAIN SECTION
P23 12-B,8-H,11-H
PRI OUT R-CH
PRI OUT L-CH
R-CH
L-CH
R-CH
L-CH
R-CH
L-CH
PRI OUT
PRI OUT
L-CH IN
R-CH IN
GND(A)
R-CH
L-CH
VIDEO-1
GND(A)
CP08
0.12
CP07
0.12
CP10
0.33
1SRI
1SRI
SRS PASS
1
3
2
6
5
7
8
4
ICT01
(2/2)
+
+
CP17
3
2
1
6
5
7
8
4
LINE
MUTE
ICP01
(2/2)
GND(A)
CP09
0.33
+
+
A
B
M
+
TAPE1 MECHANISM PWB-G
PHM1
SOL1
SOLENOID
TAPE1
CrO
2
SWE2
TAPE1
PLAY
SWE1
1
ICT01
NJM4558MF
LINE AMP.
+B
–B
3
2
132
1
+B
+B
–B
ICP01
NJM4565M
BUFFER AMP.
–B
–B
+B
+B
+B
DRIVER
QM03
KTA1271 Y
+B
12.2V
0.4V
0V
12.0V
0V
12.2V
10.6V
11.4V
0V
10.5V
12.2V
12.2V
12.2V0.4V
12.2V
SWITCHING
QM08
KRC104 M
D
S
G
TAPE
SPEED
DRIVER
QM01
2SK2541
+B
+B
TAPE MECHANISM ASSEMBLY
TAPE2 MECHANISM PWB-H
PHM2
TAPE2
SIDE B FP
SWE8
TAPE2
SIDE A FP
SWE7
TAPE2
CrO
2
SWE5
SOL2
SOLENOID
TAPE2
PLAY
SWE4
TAPE
MOTOR
MM1
3
2
1
GND(A)

Related product manuals