EasyManua.ls Logo

Sharp CP-C1W - Page 35

Sharp CP-C1W
72 pages
Print Icon
To Next Page IconTo Next Page
To Next Page IconTo Next Page
To Previous Page IconTo Previous Page
To Previous Page IconTo Previous Page
Loading...
CD-C1W,CP-C1W
– 35 –
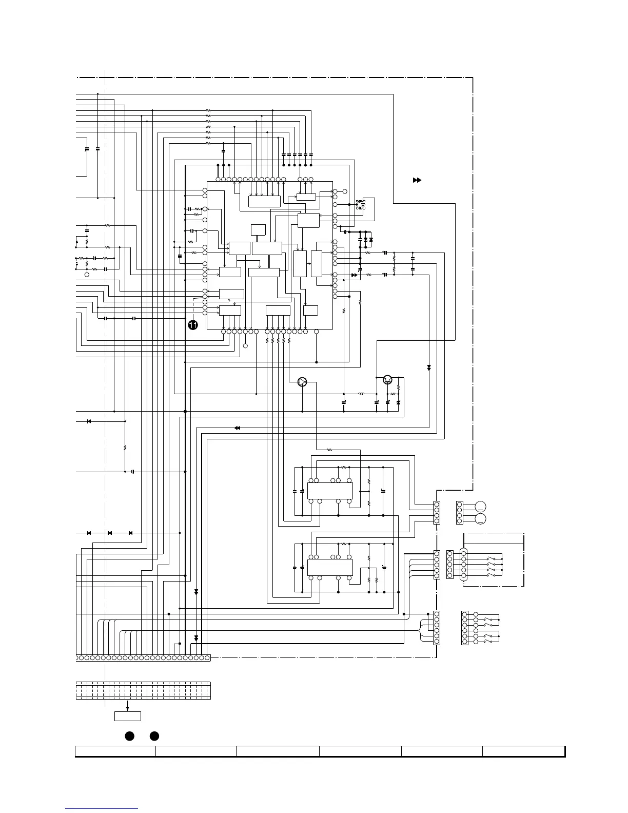
Figure 35 SCHEMATIC DIAGRAM (11/15)
7
8 9 10 11 12
The numbers 1 to 12 are waveform numbers shown in page 42.
C55
3.3/16
(OS)
C51
100/10
C71
10/16
(OS)
R71
2.7K
2.7K
R72
C72
10/16 (OS)
R38
470
C23
0.0027
C25
27P
R39
1K
C53
0.022
C83
0.001
C56
0.022
R52
27K
L61
2.2µH
D81
1SS133
D82
1SS133
R73
39
R74
39
C43
100/10
R92 1K
R91 1K
R90 1K
R89 1K
R88 1K
C38
0.01
IC2
LC78622K
R53
1.2K
C40
0.047
C39
0.047
R50
680
C37
0.022
R47
100K
D1
1SS133
0
R60 1K
C28
0.1
C29
4
.7/25
R41
47K
R43
56K
R40
5.6K
R42
47K
R44
33K
1
C26
0.033
6
5
4
3
2
6
5
4
3
2
1
5
4
3
2
1
4
3
2
11
1
6
5
4
3
2
1
4
3
2
5
4
3
2
1
5
4
3
2
1
C87
47/25
C82
47/25
R86
8.2K
R80
3.9K
C81
47/25
R83
1
R82
1M
R81
2.7K
C86
47/25
R84
1
R85
2.7K
CNP13
CNP12
CNP11
C73
220P
C74
220P
XL1
16.93MHz
C57
0.001
D3
1N4004S
D2
1N4004S
D4
1N4004S
R55
150
R56
1K
Q52
KTC3203 Y
VOLTAGE
REGULATOR
R66
330
R64
22
ZD61
MTZJ4.7B
C52
100/10
R87
3.3K
C85
0.022
C80
0.022
Q51
KRC107 M
SWITCHING
DRIVER
C49 100P
C48 100P
C47 100P
C46 100P
C45 100P
C44 100P
R51 3.3M
C22
220P
R57 1K
R58 1K
R59 1K
R63 1K
R62 1K
R61 1K
DIGITAL
OUT
EXTERNAL
OUTPUT
SERVO
COMMAND
CLV
DIGITAL SERVO
TEST2
EFMIN
EFMO
SLICE LEVEL
CONTROL
VCO CLOCK
OSC CONTROL
ERROR CORRECT
FLAG CONTROL
SYNC-DETECT
EFM DEMODULATE
4FS
DIGITAL
FILTER
1BIT
DAC
X-TAL
GENERATOR
SUB-CODE
µ-COM
INTERFACE
DEFI
XVDD
XIN
XOUT
XVSS
EFLG
SBSY
TA1
TEST1
PCCL
LVSS
TEST3
PDO
VSS
4M
16M
TST11
DOUT
C2F
EMPH
FSEQ
PCK
FSX
/RES
/CQCK
COIN
SQOUT
RWC
WRQ
SBCK
SFSY
PW
MUTEL
LVDD
RVDD
MUTER
RCHO
RVSS
LCHO
CONT5
CONT4
CONT1
CONT3
CONT2
FR
JP–
JP+
TGL
TOFF
CLV–
CLV+
V/P
HFL
TES
VDD
VVDD
ISET
VVSS
TEST4
TEST5
/CS
2K x8BIT
RAM
HF
GND(CD1)
GND(D)
TRY_SW4
TRY_SW3
TRY_SW2
TRY_SW1
CAM_SW4
CAM_SW3
CAM_SW2
CAM_SW1
COIN
WRQ
CQCK
SQ_OUT
RWC
SL+
SL–
RES
PCCL
+7.3V(CD)
GND(CD2)
+7.3V(CD)
987654321
18 177 16 15 14 13 12 11 10
2
5242322212019
43
46
45
44
47
48
49505051525354555657585960616263
2.0V
0V
0V
1.8V
2
1
0V
38
11
10
13
12
16
15
14
9
8
7
6
5
4
3
37
36
35
33
32313029282726252423222120191817
34
39
41
40
42
TRAY SW4
TRAY SW3
TRAY SW2
GND(D)
0V
0V
2.0V
4.0V
0V
0V
4.0V
0V
2.2V
0V
4.0V
0V
0V
0V
0V
0V
0V
0V
4.0V
2.2V
0V
4.0V
7.2V
4.7V
0V
0V
7.2V
0V
4.0V
3.9V
1.7V
0V
0V
1.7V
3.9V
4.0V
4.0V
1.8V
1.8V
0V
0V
1.8V
2.0V
0V
0V
2.0V
0V
0V
0V
3.9V
3.9V
4.0V
0V
2.2V
1.8V
0V
0V
0V
4.0V
0V
0V
0V
0V
0V
4.0V
CD L-CH
GND(Au)
CD R-CH
CD SIGNAL
BIM3
+B
+B
8591
37 46 2
+B
+B
IC82
TA7291S
TRAY
MOTOR DRIVER
IC81
TA7291S
MAINCAM
MOTOR DRIVER
+B
+B
+B
3.1V
3.1V
0V
7.2V
7.2V
0V
0V
0V
7.2V
3.1V
3.1V
0V
7.2V
7.2V
0V
0V
0V
3.3V
27
27
TO MAIN PWB P22 1-C
CFW2
FW1
CFW1
MOB2
TRAY MOTOR
CNS2
BIM1
MOB1
MAIN CAM MOTOR
3-TRAY MOTOR
CAM SWITCH
SWB104
CAM4
SWB103
CAM3
SWB102
CAM2
SWB101
CAM1
SWB108
CD SET
SWB107
CD IN
SWB106
CD TRAY
CLOSE
SWB105
CD EJECT
BIM2
TRAY SWITCH PWB-F
+B
+B
32
1
+B
+B
+B
+B
+B
+B
IC2
SERVO/SIGNAL
CONTROL
+B
+B
GND(D)
GND(D)
CAM SW4
CAM SW3
CAM SW2
CAM SW1
TRAY SW4
TRAY SW3
TRAY SW2
TRAY SW1
GND(D)
+
+
M
M
8591
37 46 2

Related product manuals