EasyManua.ls Logo

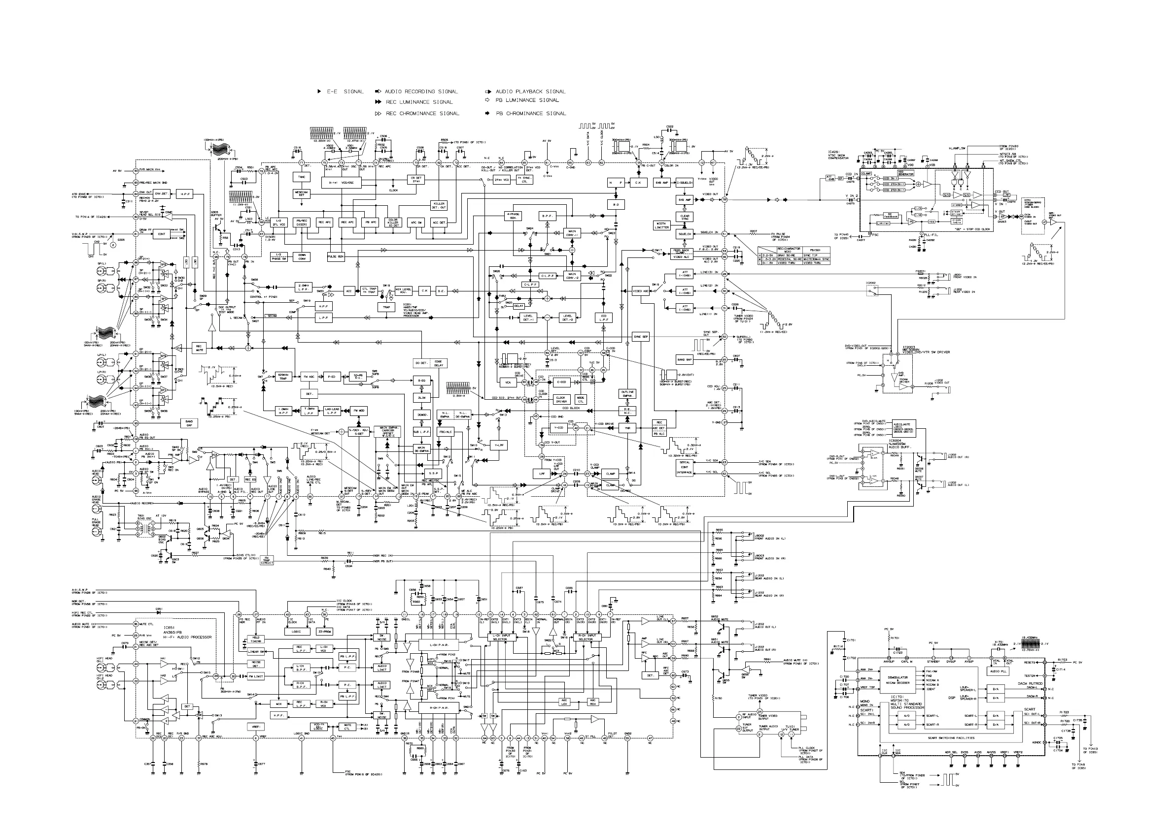
Sharp DV-NC70 - VCR Signal Flow Block Diagram

Sharp DV-NC70
99 pages
Print Icon
To Next Page IconTo Next Page
To Next Page IconTo Next Page
To Previous Page IconTo Previous Page
To Previous Page IconTo Previous Page
Loading...
1234567891011 12 13 14 15 16 17 18 19 20
A
B
C
D
E
F
G
H
I
J
DV-NC70/W
DV-NC70X/RU
DV-NC70/W
DV-NC70X/RU
56~57
11-2. VCR SIGNAL FLOW BLOCK DIAGRAM

Related product manuals