EasyManua.ls Logo

Sharp GF-777H - Page 8

Sharp GF-777H
35 pages
Print Icon
To Next Page IconTo Next Page
To Next Page IconTo Next Page
To Previous Page IconTo Previous Page
To Previous Page IconTo Previous Page
Loading...
soroeneg
ado
@
1o@sNo
ma
=
i
i
|
fale
|
G
=~
std
ly
Pt
20v91
a+opoy
|@)
4
lio
t
<td)
|
H
|
|
Z0bm
|
|
!
+
|
eucydosoi
UI-HiNg
|
It
|
Vy
|
i}
|
ON
1X3,
2-£010
I
|
|
|
i
|
|
|
|
!
Toe?
wee
teal
l
ats
|
|
inding
yo-¥
|
H
Po
me
ee
ee
pee
tee
ee
ee
ee
+
|
iF
|
ining
49-7
i
+
T
|
|
I
a
a
l
|
|
1
SND
|
“pul
04937
0%0u
|
“pul
suntan
kb
soioayes
edoy
2090
aa
|
|
1
4289
|
-pt
v-zoms
|
fi
bios
eee)
Sea
|
goIms
|
1090
|
|
|
BRIS
|
V-I09MS:
in
|
|
@-----—--—-—¢—--44
4
-L---—----—-—-—-—-—-—-—
ee
eeprom
eye
-—-—-
------4
1oBsno
|
j
b-4-l--—--
ptr
=f
=F
T
|
1
|
1
|
!
|
|
|
|
|
|
|
|
I
|
!
-@--4
as
I
|
:
!
I
|
|
See
J
|
|
(1209k01g/92000u)
V3H
(Z)
|
|
|
|
s011N0W
1
9280
|
I
|
|
wt
Son
ea
|
uous
vousung
ca~vizoms
|
|
|
|
|
uous
x209ho1d
/piozy
(ev
toIMs
|
|
\
|
|
|
\
‘duo
-01g
}
4900
202-4
|
jeayies
nae
Gujpseonu
|
|
if
\
(a
|
\
a
!
!
He
24
!
or
a
r--
+
ae
ae
4
|
|
x)
i
|
7HOIMS
!
|
ioz-3
|
|
SOA
|
o1zss
|
|
|
;
8029
|
4
L
2
|
--
|
l
|
Hey
e
|
ANdiNO
3aNIT
1-101IMS
|
sor
=
|
I
|
|
‘duo
9g
|
|
‘420qA01g
/P10904
|
1
2210
SulW
OIdv
108sno
+
|
|
4
|
|
|
o-10éms_
|
empl
barren
a-iosms
|
|
i
!
t
1210
|
I|
9-101MS
q
OI
"XIN
=
=
°
A
see
Se
ASS
al
/
GOseA
S—S—t
yy
PW
IOSUA
“dy
cuoydousiy
Sum
Tost
8-Z0IMS
=
9-10SMS
103119
“SUNS
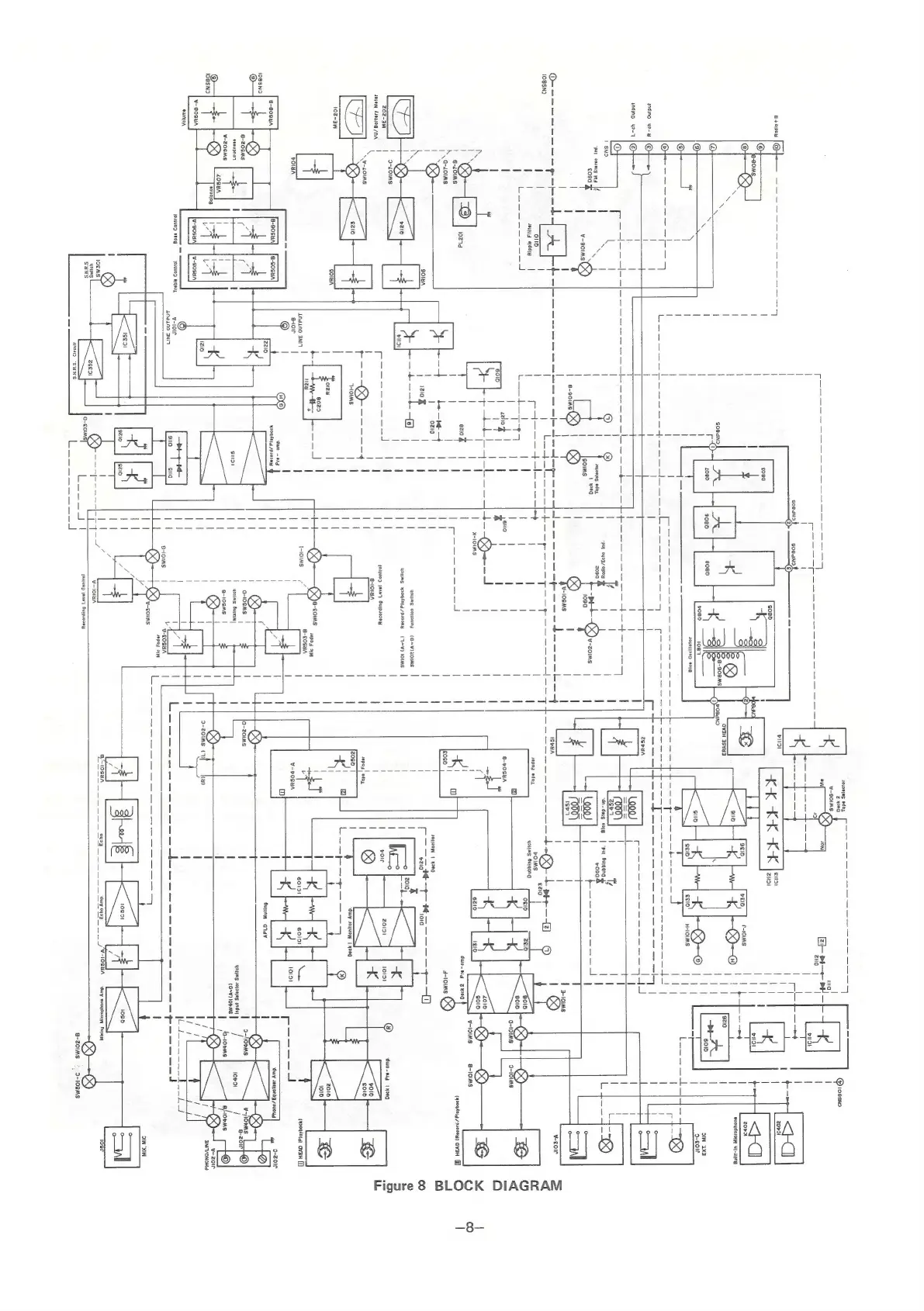
Figure
8
BLOCK
DIAGRAM

Related product manuals